Оригинальные каталоги
Масла и жидкости
Масла моторные
Масла трансмиссионные
Жидкости гидравлические
Жидкости охлаждающие
Жидкости тормозные
Масла гидравлические
Масла для вилок и амортизаторов
Масла компрессорные
Жидкости для стекол
Масла для цепей бензопил
Масла индустриальные
Масла промывочные
Раствор мочевины AdBlue
Автоэлектроника
Видеорегистраторы
Пылесосы автомобильные
FM трансмиттеры
Зарядные устройства
Разветвители, удлинители прикуривателя
Кабели
Вентиляторы автомобильные
Штекер прикуривателя
Датчик парктроника
Камеры заднего вида
Мониторы парковочные
Парктроники
Термометры
Накидки на сиденье с подогревом
Автохолодильники
Антирадары
Диагностический сканер
Аксессуары
Набор автомобилиста
Ароматизаторы
Тросы буксировочные
Канистры
Ремни крепления груза
Стяжки-резинки крепления
Сетки для крепления груза
Скотч
Влажные салфетки
Держатели телефонов, планшетов
Карты памяти
Наушники
Аккумулятор холода
Термосумки и контейнеры
Фонарики
Батарейки
Оплетки на руль
Огнетушители
Салфетки, полотенца, варежки
Инструмент
Домкраты
Компрессоры
Манометры
Насосы
Светильники переносные
Шарнирно-губцевый инструмент
Ударный инструмент
Метчики. Плашки
Заклёпочники
Заклёпки
Измерительный инструмент
Свёрла
Отвёртки
Изолента
Надфили. Напильники
Ножи, ножовки
Щётки
Абразивная бумага
Специнструмент
Ключи
Хомуты
Дрель-шуруповерт
Автохимия
Присадки
Промывки
Очистители
Смазки спрей
Смазки пластичные
Герметики
Средство для рук
Клей
Лакокрасочные материалы
Автошампуни
Полироли
Антифриз для тормозной системы
Масло для пропитки фильтров
Антикоррозионные составы
Прочее
Электрооборудование
Зарядные устройства
Инверторы
Конвертеры
Звуковые сигналы
Провода прикуривания
Предохранители
Противотуманные фары
Дневные ходовые огни
Электрика фаркопа
Шины и диски
Автошины
Грузовые шины
Мотошины
Камеры
Мотокамеры
Лента обода шины
Колпаки
Диски
Одежда и экипировка
Жилеты
Запчасти
Аккумуляторы
Лампы
Щетки стеклоочистителя
Гофры глушителя
Велотовары
Велосипеды
Самокаты
Велокамеры
Искать по VIN или номеру детали
Поиск по штрих-коду
Искать по VIN-номеру
Войти
Авторизация
Логин
Пароль
Напомнить пароль
Запомнить
Войти
Зарегистрироваться
Авторизоваться другим способом
Востановить пароль
Введите ваш email:
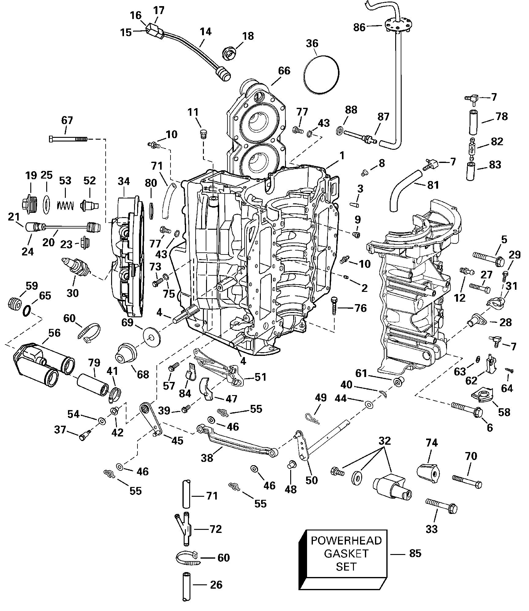
CYLINDER & CRANKCASE
Корзина пуста
Evinrude
90 E90FPLSSR FFI, Elec Start, TNT, 20 IN. shaft
90 E90FPLSSR FFI, Elec Start, TNT, 20 IN. shaft
CYLINDER & CRANKCASE
№
Наименование
Примечание
Кол-во
SCREW AY See "Oil Recirculation System"
1
2
DOWEL
2
3
PIN 4PK (004 per pack)
1
4
PINSPIROL
4
5
BOLT
4
6
SCREW
2
7
NIPPLE
2
8
SCREW AY See "Oil Recirculation System"
2
9
VALVE AYCHECK Cylinders 5 & 6
2
10
NIPPLE STRAIGHT
2
11
PLUG See "Oil Recirculation System"
1
14
SENSORENGINE TEMP
1
15
LOCKWEDGE 2P RCPT
1
16
TERMINALPIN-10PK (010 per pack)
2
17
CONN2PIN RCPT
1
18
COVER-TEMP.SWITCH
1
19
COVERTHERMOSTAT
2
20
SWITCH AYTEMP (Remote Control Models.)
1
21
PIN(10)44-100-1414 (010 per pack)
1
24
CONN1 PIN RCPT
1
25
O-RING (005 per pack)
2
27
SCREW
14
28
BUSH & ROD KEEPER
1
29
SCREW
1
31
LEVER&PIN AYSHIFT
1
32
KIT AYUPPR MOUNTS
1
33
SCREW
2
34
HEAD AYCYL-STBD (75HP & 90HP.)
1
34
CYL HD STBD 90/115 90HP & 115hp
1
35
SCREW
1
36
O-RING CYL HD Included in Powerhead Gasket Set (005 per pack)
4
37
SCREW-THROTTLE CAM
1
38
LINKSHIFT LEVER
1
40
BOW WASHER
1
41
CLAMP
2
42
BUSHING
1
43
LOCKWASHER (005 per pack)
2
44
WASHER
1
45
LEVER AYSHIFT
1
46
WASHER
3
47
COVERTRUNNION
1
48
BUSHINGSHIFT ARM
1
49
PIN-RETAINER
1
50
ARM&SHAFT AYSHIFT
1
51
BLOCKTRUNNION
1
52
THERMOSTAT AY
2
53
SPRINGTHERMOSTAT
2
54
WAVE WASHER
1
55
CLIP 10PK (010 per pack)
3
56
GROMMET AYEXH REL
1
58
SEALSHIFT ROD
1
59
PLUG&NOZZLE AY
1
60
TIE STRAP 100PK (100 per pack)
0
61
BUSHINGSHIFT SFT
1
63
O-RING
1
64
SCREW
1
64
SCREW
1
65
O RING
1
66
HEAD AYCYL-PORT (75HP & 90HP.)
1
66
CYL HD PORT 90/115 90HP & 115hp
1
67
SCREWCYL HEAD
28
68
MOUNT
4
69
WASHER
4
70
SCREW
2
72
FITTINGTEE 30-DEG
1
76
SCREW-EXH HSG
4
79
HOSE
1
80
SEALTHERMOSTAT Included in Powerhead Gasket Set
2
82
VALVE AYCHECK-INL
1
85
PHD GASKT SETV4FFI
1
86
DIAPHRAGM AY
1
87
NIPPLE AYEXHAUST
1
88
WASHER
1