- Год:
- 1999
- CARBURETOR -- 25 HP
- CARBURETOR -- 35 HP
- CRANKSHAFT & PISTON
- CYLINDER & CRANKCASE
- ELECTRIC STARTER
- ENGINE COVER
- FUEL HOSE & PRIMER BULB -- 5 / 16 IN. I.D.
- FUEL SYSTEM
- FUEL TANK -- 6 GALLON
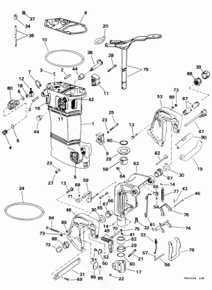
- GEARCASE
- IGNITION SYSTEM -- E EL
- IGNITION SYSTEM -- PL
- IGNITION SYSTEM -- R RL
- IGNITION SYSTEM -- TEL
- INTAKE MANIFOLD & AIR SILENCER
- LITERATURE
- LOWER ENGINE COVER
- MIDSECTION -- MANUAL TILT -- R RL E EL TEL
- MIDSECTION -- POWER TRIM & TILT -- PL
- PAINT
- POWER TRIM / TILT
- POWER TRIM / TILT ELECTRICAL
- REWIND STARTER
- SHIFT LINKAGE
- STEERING & SHIFT HANDLE
- STEERING LINK KIT
- THROTTLE LINKAGE
