Оригинальные каталоги
Масла и жидкости
Масла моторные
Масла трансмиссионные
Жидкости гидравлические
Жидкости охлаждающие
Жидкости тормозные
Масла гидравлические
Масла для вилок и амортизаторов
Масла компрессорные
Жидкости для стекол
Масла для цепей бензопил
Масла индустриальные
Масла промывочные
Раствор мочевины AdBlue
Автоэлектроника
Видеорегистраторы
Пылесосы автомобильные
FM трансмиттеры
Зарядные устройства
Разветвители, удлинители прикуривателя
Кабели
Вентиляторы автомобильные
Штекер прикуривателя
Датчик парктроника
Камеры заднего вида
Мониторы парковочные
Парктроники
Термометры
Накидки на сиденье с подогревом
Автохолодильники
Антирадары
Диагностический сканер
Аксессуары
Набор автомобилиста
Ароматизаторы
Тросы буксировочные
Канистры
Ремни крепления груза
Стяжки-резинки крепления
Сетки для крепления груза
Скотч
Влажные салфетки
Держатели телефонов, планшетов
Карты памяти
Наушники
Аккумулятор холода
Термосумки и контейнеры
Фонарики
Батарейки
Оплетки на руль
Огнетушители
Салфетки, полотенца, варежки
Инструмент
Домкраты
Компрессоры
Манометры
Насосы
Светильники переносные
Шарнирно-губцевый инструмент
Ударный инструмент
Метчики. Плашки
Заклёпочники
Заклёпки
Измерительный инструмент
Свёрла
Отвёртки
Изолента
Надфили. Напильники
Ножи, ножовки
Щётки
Абразивная бумага
Специнструмент
Ключи
Хомуты
Дрель-шуруповерт
Автохимия
Присадки
Промывки
Очистители
Смазки спрей
Смазки пластичные
Герметики
Средство для рук
Клей
Лакокрасочные материалы
Автошампуни
Полироли
Антифриз для тормозной системы
Масло для пропитки фильтров
Антикоррозионные составы
Прочее
Электрооборудование
Зарядные устройства
Инверторы
Конвертеры
Звуковые сигналы
Провода прикуривания
Предохранители
Противотуманные фары
Дневные ходовые огни
Электрика фаркопа
Шины и диски
Автошины
Грузовые шины
Мотошины
Камеры
Мотокамеры
Лента обода шины
Колпаки
Диски
Одежда и экипировка
Жилеты
Запчасти
Аккумуляторы
Лампы
Щетки стеклоочистителя
Гофры глушителя
Велотовары
Велосипеды
Самокаты
Велокамеры
Искать по VIN или номеру детали
Поиск по штрих-коду
Искать по VIN-номеру
Войти
Авторизация
Логин
Пароль
Напомнить пароль
Запомнить
Войти
Зарегистрироваться
Авторизоваться другим способом
Востановить пароль
Введите ваш email:
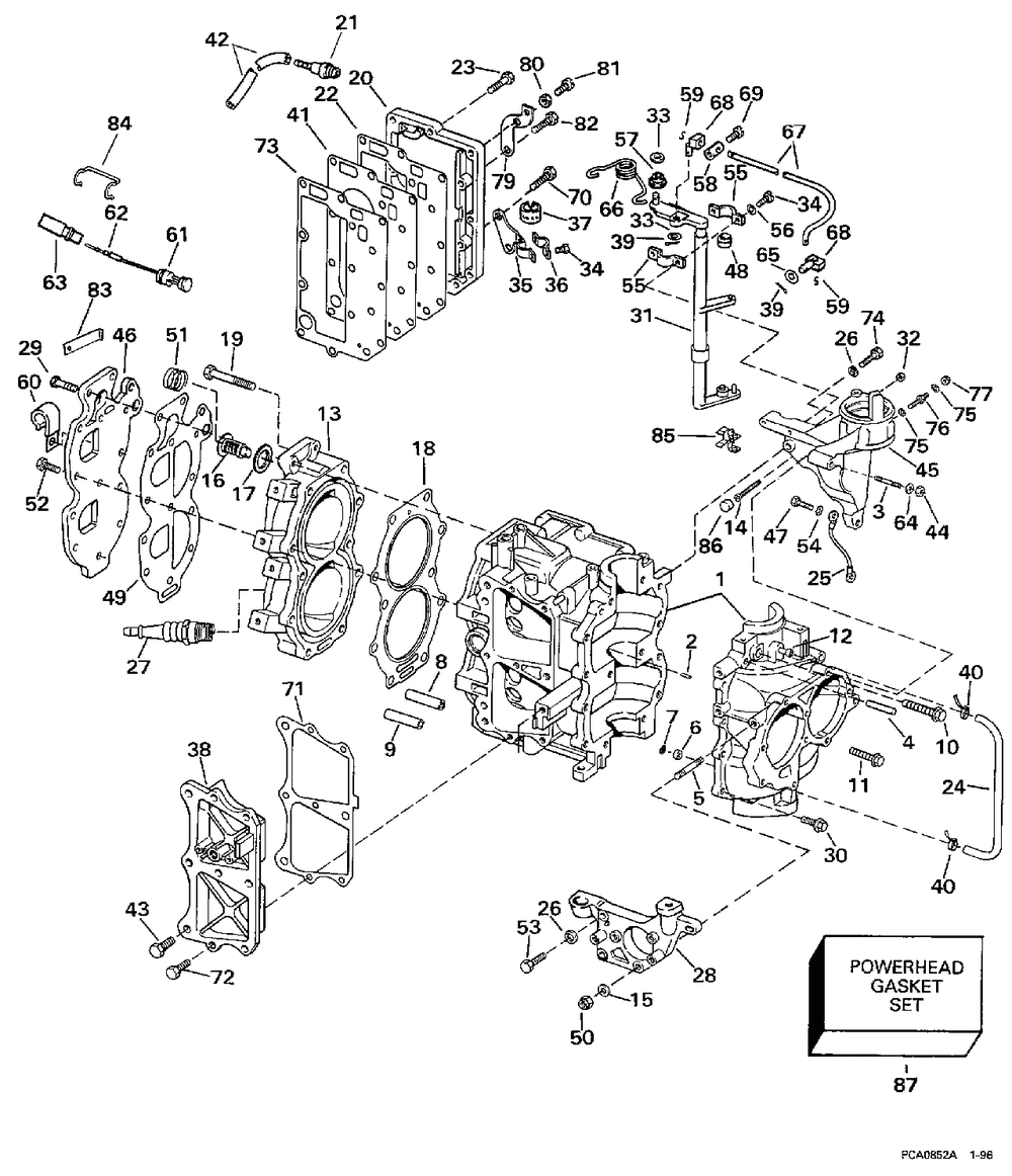
CYLINDER & CRANKCASE
Корзина пуста
Evinrude
25 BE25ELEUB
25 BE25ELEUB
CYLINDER & CRANKCASE
№
Наименование
Примечание
Кол-во
1
(30 Models.)
1
1
20SR - 20SRL - 25RA - 25RAL 30BA - 30BAL 25RD
1
2
DOWEL
1
3
STUD
1
4
PIN 4PK (004 per pack)
1
5
Детать
2
6
CHECK VALVE AY
1
7
SCREEN
1
8
DEFLECTOR
1
9
DEFLECTOR
2
10
SCREW
6
11
SCREW
5
13
HEADCYLINDER
1
14
SCREW
1
15
WASHER Trim manifold to DPS manifold
2
16
THERMOSTAT AY
1
17
GASKET
1
18
HD GASKET32CU" (Included in Powerhead Gasket Set.)
1
19
SCREW
10
20
Детать
1
21
NIPPLE
1
22
GASKET-EXH CVR
1
23
SCREW
11
25
LEAD AYBONDING
1
26
LOCKWASHER 5 PK (005 per pack)
3
27
SP PLG QL77JC4 (Optional.) (004 per pack)
2
27
SP HIHEAT QL82C 4P
2
27
QL16V-PLUG 4PK (Radio Noise Suppression Spark Plug.) (004 per pack)
2
27
SPARK PLUG L16V (Optional.) (004 per pack)
2
28
BRACKET
1
29
SCREW
3
30
SCREW EXH CVR
8
31
LEVER&PIN AY
1
32
NUT-SPARK ADJ
1
33
SHIM
2
34
Детать
4
35
CLAMP
1
36
BEARING CLAMP
1
37
BEARING
1
38
25BA - 25BAL 30BA - 30BAL 25RD
1
38
20SR - 20SRL - 25RA - 25RAL
1
39
COTTER PIN
2
40
TIE STRAP 100PK (100 per pack)
2
41
EXH CVR-INNER
1
43
SCREW
3
44
NUT (105WEL Models Only.)
2
45
BRKT EL STARTER
1
46
Детать
1
47
SCREW (005 per pack)
1
48
Детать
1
49
GASKET
1
51
SPRING
1
52
SCREW
11
53
SCREW
1
55
FF BEARING CLAMP
2
56
LOCKWASHER
2
57
SLEEVE
1
58
COLLAR
1
59
PIN
2
60
CLAMP 'J'
2
61
KIT AYTEMP SWITCH
1
62
PIN(10)44-100-1414 (010 per pack)
1
63
CONN1 PIN RCPT
1
65
WASHER
1
66
SPRING
1
67
FF THROTTLE CON RD
1
68
FF PIVOT PIN
2
69
SCREW
1
71
FF GASKET CVR CYL
1
73
GASKET-EXH CVR
1
74
SCREW-EXH CVR
1
75
LOCKWASHER (005 per pack)
2
76
BOLT
1
77
NUT
1
79
IDLE STOP BRKT
1
80
NUT
1
81
SCREW
1
83
RETAINER
1
84
RETAINER
1
85
SPRING CLIP
1
86
BUMPER
1
87
GASKET SET PWHD
1