Оригинальные каталоги
Масла и жидкости
Масла моторные
Масла трансмиссионные
Жидкости гидравлические
Жидкости охлаждающие
Жидкости тормозные
Масла гидравлические
Масла для вилок и амортизаторов
Масла компрессорные
Жидкости для стекол
Масла для цепей бензопил
Масла индустриальные
Масла промывочные
Раствор мочевины AdBlue
Автоэлектроника
Видеорегистраторы
Пылесосы автомобильные
FM трансмиттеры
Зарядные устройства
Разветвители, удлинители прикуривателя
Кабели
Вентиляторы автомобильные
Штекер прикуривателя
Датчик парктроника
Камеры заднего вида
Мониторы парковочные
Парктроники
Термометры
Накидки на сиденье с подогревом
Автохолодильники
Антирадары
Диагностический сканер
Аксессуары
Набор автомобилиста
Ароматизаторы
Тросы буксировочные
Канистры
Ремни крепления груза
Стяжки-резинки крепления
Сетки для крепления груза
Скотч
Влажные салфетки
Держатели телефонов, планшетов
Карты памяти
Наушники
Аккумулятор холода
Термосумки и контейнеры
Фонарики
Батарейки
Оплетки на руль
Огнетушители
Салфетки, полотенца, варежки
Инструмент
Домкраты
Компрессоры
Манометры
Насосы
Светильники переносные
Шарнирно-губцевый инструмент
Ударный инструмент
Метчики. Плашки
Заклёпочники
Заклёпки
Измерительный инструмент
Свёрла
Отвёртки
Изолента
Надфили. Напильники
Ножи, ножовки
Щётки
Абразивная бумага
Специнструмент
Ключи
Хомуты
Дрель-шуруповерт
Автохимия
Присадки
Промывки
Очистители
Смазки спрей
Смазки пластичные
Герметики
Средство для рук
Клей
Лакокрасочные материалы
Автошампуни
Полироли
Антифриз для тормозной системы
Масло для пропитки фильтров
Антикоррозионные составы
Прочее
Электрооборудование
Зарядные устройства
Инверторы
Конвертеры
Звуковые сигналы
Провода прикуривания
Предохранители
Противотуманные фары
Дневные ходовые огни
Электрика фаркопа
Шины и диски
Автошины
Грузовые шины
Мотошины
Камеры
Мотокамеры
Лента обода шины
Колпаки
Диски
Одежда и экипировка
Жилеты
Запчасти
Аккумуляторы
Лампы
Щетки стеклоочистителя
Гофры глушителя
Велотовары
Велосипеды
Самокаты
Велокамеры
Искать по VIN или номеру детали
Поиск по штрих-коду
Искать по VIN-номеру
Войти
Авторизация
Логин
Пароль
Напомнить пароль
Запомнить
Войти
Зарегистрироваться
Авторизоваться другим способом
Востановить пароль
Введите ваш email:
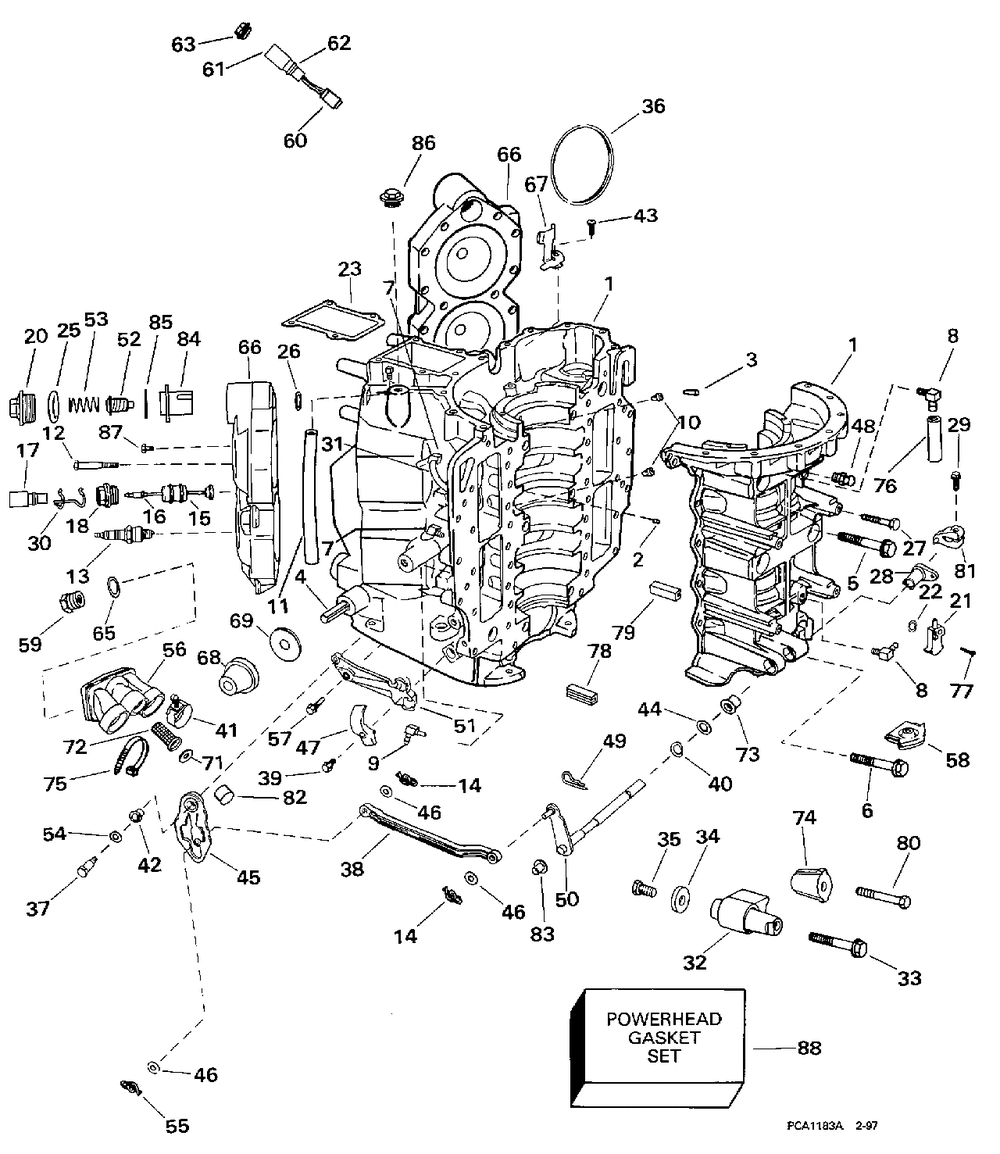
CYLINDER & CRANKCASE
Корзина пуста
Evinrude
115 E115ELEUC
115 E115ELEUC
CYLINDER & CRANKCASE
№
Наименование
Примечание
Кол-во
1
Детать
1
1
Детать
1
2
DOWEL
2
3
PIN 4PK (004 per pack)
1
4
PINSPIROL
4
5
BOLT
4
6
SCREW
2
7
NIPPLE
4
9
VALVE AYELBOW CK See "Oil Recirculation System"
4
10
VALVE AYCHECK Cylinders 5 & 6
2
12
SCREW
28
13
SP PLG QL78YC-8PK (008 per pack)
4
14
CLIP 10PK (010 per pack)
2
15
SWITCH AYTEMP (Remote Control Models.)
1
16
PIN(10)44-100-1414 (010 per pack)
1
17
CONN1 PIN RCPT
1
18
COVER-TEMP.SWITCH
1
20
COVERTHERMOSTAT
1
20
THERMOSTAT CVR "E" Suffix Models Only
2
21
NIPPLELOWER DRAIN
1
22
O-RING
1
23
GASKET
1
25
O-RING (005 per pack)
2
26
SEALTHERMOSTAT Included in Powerhead Gasket Set
2
27
SCREW
14
28
BUSH & ROD KEEPER
1
29
SCREW
1
30
RETAINER
1
32
KIT AYUPPR MOUNTS
1
33
SCREW
2
34
WASHER
2
35
SCREW
2
36
O-RING CYL HD Included in Powerhead Gasket Set (005 per pack)
4
37
SCREW-THROTTLE CAM
1
38
LINKSHIFT LEVER
1
40
BOW WASHER
1
41
CLAMP
1
42
BUSHING
1
43
SCREW
1
44
WASHER
1
45
LEVER AYSHIFT
1
46
WASHER
3
47
COVERTRUNNION
1
48
NIPPLE STRAIGHT
1
49
PIN-RETAINER
1
50
ARM&SHAFT AYSHIFT
1
51
BLOCKTRUNNION
1
52
THERMOSTAT AY
1
52
T-STAT AYOFFSHR
2
53
SPRINGTHERMOSTAT
1
53
SPRINGTHERMOSTAT
2
54
WAVE WASHER
1
56
GROMMET&INSERT AY
1
58
SEALSHIFT ROD
1
59
PLUG&NOZZLE AY
1
60
TEMP SWITCH PORT
1
62
CONN 2 PIN RCPT (Tiller Electric Models Only.)
1
65
O RING
1
66
CYL. HEAD 90 EAGLE
2
66
CYL HEAD 115 EAGLE
2
67
GUIDE
1
68
MOUNT
4
69
WASHER
4
71
WASHER 5 PK (005 per pack)
1
72
(105WE Models Only.)
1
73
BUSHINGSHIFT SFT
1
74
RETAINERUPR MOUNT
1
75
TIE STRAP 100PK (100 per pack)
0
77
SCREW
1
78
SEAL LWR CVR STBD (Included in POWERHEAD GASKET SET.)
1
79
SEAL LWR CVR PORT (Included in POWERHEAD GASKET SET.)
1
80
SCREW
1
81
LEVER&PIN AYSHIFT
1
82
LINER (105WE Models Only.)
1
83
BUSHINGSHIFT ARM
1
84
"E" Suffix Models Only
2
85
GASKETTHERMOSTAT
2
86
COVER
2
87
PLUG See "Oil Recirculation System"
2
88
GASKET SET PWHD
1