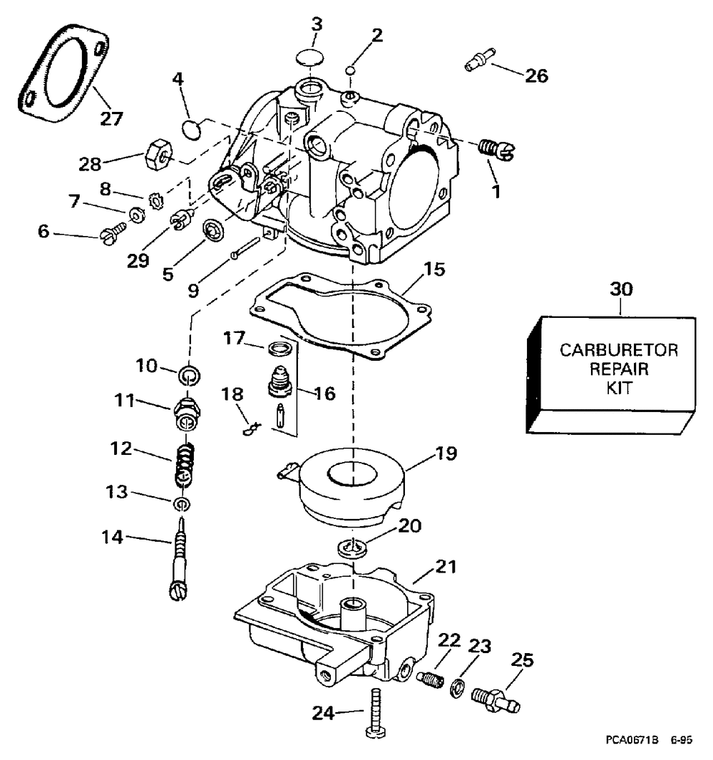
CARBURETOR - 20SR 25R

Корзина пуста