Оригинальные каталоги
Масла и жидкости
Масла моторные
Масла трансмиссионные
Жидкости гидравлические
Жидкости охлаждающие
Жидкости тормозные
Масла гидравлические
Масла для вилок и амортизаторов
Масла компрессорные
Жидкости для стекол
Масла для цепей бензопил
Масла индустриальные
Масла промывочные
Раствор мочевины AdBlue
Автоэлектроника
Видеорегистраторы
Пылесосы автомобильные
FM трансмиттеры
Зарядные устройства
Разветвители, удлинители прикуривателя
Кабели
Вентиляторы автомобильные
Штекер прикуривателя
Датчик парктроника
Камеры заднего вида
Мониторы парковочные
Парктроники
Термометры
Накидки на сиденье с подогревом
Автохолодильники
Антирадары
Диагностический сканер
Аксессуары
Набор автомобилиста
Ароматизаторы
Тросы буксировочные
Канистры
Ремни крепления груза
Стяжки-резинки крепления
Сетки для крепления груза
Скотч
Влажные салфетки
Держатели телефонов, планшетов
Карты памяти
Наушники
Аккумулятор холода
Термосумки и контейнеры
Фонарики
Батарейки
Оплетки на руль
Огнетушители
Салфетки, полотенца, варежки
Инструмент
Домкраты
Компрессоры
Манометры
Насосы
Светильники переносные
Шарнирно-губцевый инструмент
Ударный инструмент
Метчики. Плашки
Заклёпочники
Заклёпки
Измерительный инструмент
Свёрла
Отвёртки
Изолента
Надфили. Напильники
Ножи, ножовки
Щётки
Абразивная бумага
Специнструмент
Ключи
Хомуты
Дрель-шуруповерт
Автохимия
Присадки
Промывки
Очистители
Смазки спрей
Смазки пластичные
Герметики
Средство для рук
Клей
Лакокрасочные материалы
Автошампуни
Полироли
Антифриз для тормозной системы
Масло для пропитки фильтров
Антикоррозионные составы
Прочее
Электрооборудование
Зарядные устройства
Инверторы
Конвертеры
Звуковые сигналы
Провода прикуривания
Предохранители
Противотуманные фары
Дневные ходовые огни
Электрика фаркопа
Шины и диски
Автошины
Грузовые шины
Мотошины
Камеры
Мотокамеры
Лента обода шины
Колпаки
Диски
Одежда и экипировка
Жилеты
Запчасти
Аккумуляторы
Лампы
Щетки стеклоочистителя
Гофры глушителя
Велотовары
Велосипеды
Самокаты
Велокамеры
Искать по VIN или номеру детали
Поиск по штрих-коду
Искать по VIN-номеру
Войти
Авторизация
Логин
Пароль
Напомнить пароль
Запомнить
Войти
Зарегистрироваться
Авторизоваться другим способом
Востановить пароль
Введите ваш email:
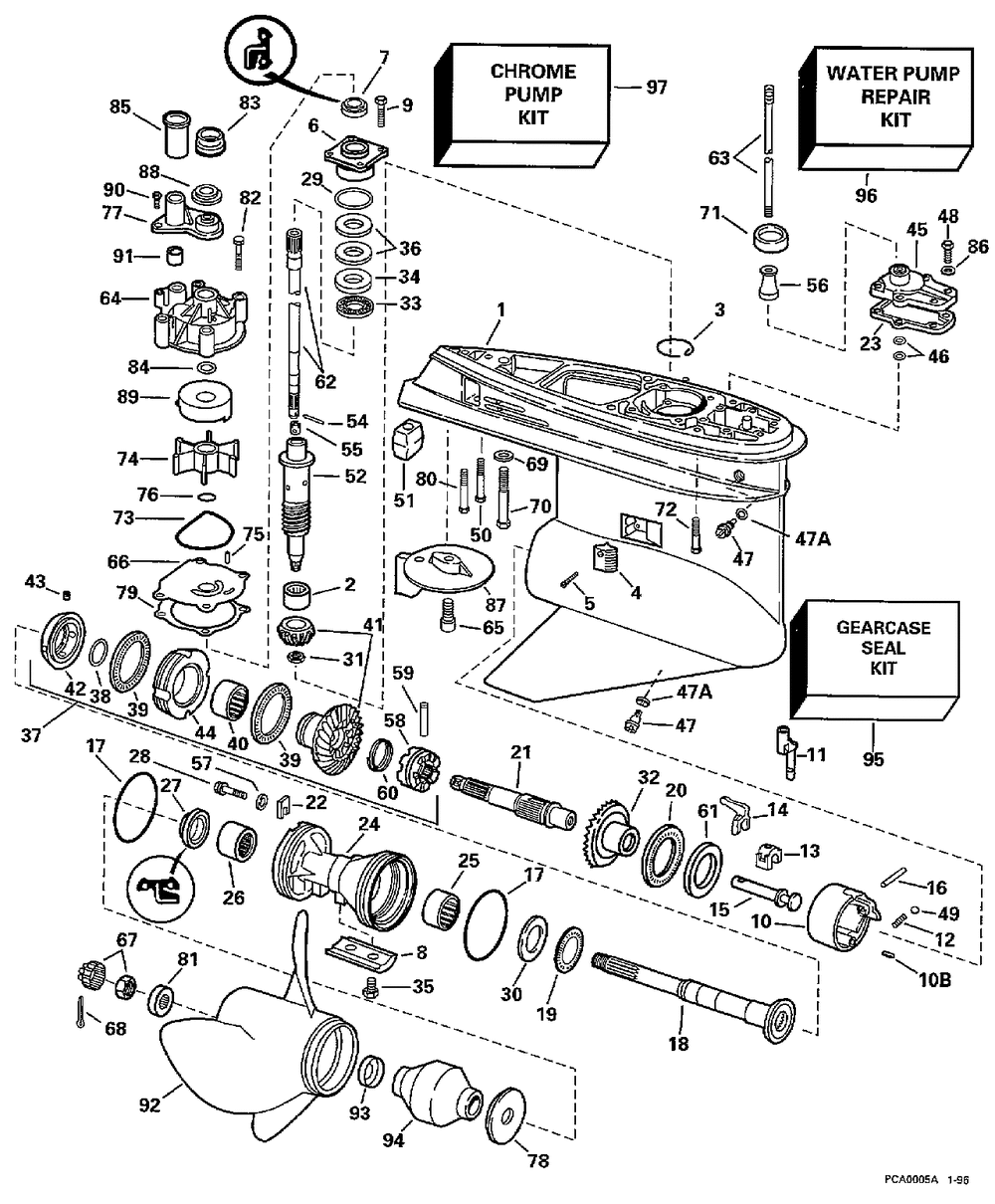
GEARCASE - COUNTER-ROTATION
Корзина пуста
Evinrude
150 E150ELEUC
150 E150ELEUC
GEARCASE - COUNTER-ROTATION
№
Наименование
Примечание
Кол-во
1
GCASE & BRG AY"O" Models with Pinion Bearing Retaining Ring
1
2
ROLLER BRG AY
1
3
RINGRETAINER Models with Pinion Bearing Retaining Ring
1
4
SCREENWATER INLET
2
4
SCREENWATER INLET Optional Height +0.055 (1.4 mm)
2
5
SCREW
2
6
DS BRG HSG&SEAL AY
1
7
SEAL DRIVESHAFT
1
8
ANODE & INSERT AY
1
9
SCREW Contents of GEARCASE SEAL KIT
4
10
SHIFTER HSG AY
1
10B
PIN
1
11
DETENT
1
12
SPRING
1
13
CRADLE-SHIFT
1
14
LEVER-SHIFTER
1
15
SHAFT-SHIFTER
1
16
DOWEL PIN
1
17
O-RING Contents of GEARCASE SEAL KIT (010 per pack)
2
18
SHAFT AYPROPELLER
1
19
BEARING AYTHRUST
1
20
THRUST BRG-FWD GR
1
21
SHAFT AYCLUTCH
1
22
RETAINING TAB
2
23
GASKET (Contents of GEARCASE SEAL KIT.) (005 per pack)
1
24
HSG AYPROPSHAFT
1
25
BRG AYNEEDLE
1
26
BEARING AYNEEDLE
1
27
SEAL PROPSHAFT
1
28
SCREW BRG CARRIER
2
29
O-RING (Contents of GEARCASE SEAL KIT.)
1
30
WASHER
1
31
NUT PINION
1
32
GEAR AYREV-CORO
1
33
THRUST BRG AY
1
34
THRUST WASHER
1
35
SCREW
2
36
SHIM-PINION-003
0
36
SHIM-PINION-004
0
36
SHIM 005
0
37
GEARSET AYFWD&PIN
1
38
SHIM-.0030 FWD GR
0
38
SHIM-.0040
0
38
SHIM-.0050
0
39
THRUST BRG AY
2
40
BRG AY-FWD GEAR
1
41
GEARSETFWD&PIN/CR
1
42
FLANGETHRUST
1
43
SET SCREW
4
44
HOUSINGBEARING
1
45
COVER AYSHIFT ROD
1
46
O-RING (005 per pack)
2
47
DRAIN SCREW Contents of GEARCASE SEAL KIT
2
47A
WASHER-10 PK (010 per pack)
1
48
SCREW (005 per pack)
6
49
BALL
2
50
SCREW ANODE
1
51
ANODE&INSERT AY
1
52
DRIVESHAFTLOWER
1
54
PINROLL
1
55
RETAINERDR SFT
1
56
SPACER-SHIFT ROD 25 30 in. Models
1
57
WASHER
2
58
SHIFTER-CLUTCH DOG
1
59
PIN
1
60
SPRING
1
61
THRUST WASHER
1
62
25IN D/S KIT UP
1
63
100WPX Models Only
1
64
HOUSING AYIMPLR
1
65
SCREW
1
66
PLATEWATER PUMP Stainless
1
66
PLATE WATER PUMP Chrome
1
67
NUT&KEEPER AYPROP
1
68
COTTER PIN 10 PK (010 per pack)
1
69
WASHER
1
70
SCREW
1
71
GROMMET EXH HSG
1
72
SCREW
4
73
SEAL
1
74
KIT AYIMPELLER (Contents of Water Pump Repair Kit.)
1
75
IMP KEY-WHITE
1
76
O RING
1
77
COVERIMPELLER HSG 3.3 L models
1
78
BUSHINGTHRUST
1
79
GASKETWTR PMP 5PK Contents of GEARCASE SEAL KIT (005 per pack)
1
80
SCREW
1
81
SPACER PROP NUT
1
83
GROMMET
1
84
O-RING (005 per pack)
1
85
SLEEVE
1
86
WASHER
6
87
TABTRIM-C/R
1
88
GROMMET
1
89
CUPIMP HOUSING Stainless
1
89
CUPIMP HSG-CHROME Chrome
1
90
SCREW
2
91
GROMMET 3.3 L models
1
93
SLEEVE
1
94
BUSHING AYPROP
1
95
KIT AYSEAL-GC
1
96
KIT AYWATER PUMP
1
97
CUP & PLATE AY Optional
1
0438046
GCASE/CORO/WHT/OS Not Shown
1