Оригинальные каталоги
Масла и жидкости
Масла моторные
Масла трансмиссионные
Жидкости гидравлические
Жидкости охлаждающие
Жидкости тормозные
Масла гидравлические
Масла для вилок и амортизаторов
Масла компрессорные
Жидкости для стекол
Масла для цепей бензопил
Масла индустриальные
Масла промывочные
Раствор мочевины AdBlue
Автоэлектроника
Видеорегистраторы
Пылесосы автомобильные
FM трансмиттеры
Зарядные устройства
Разветвители, удлинители прикуривателя
Кабели
Вентиляторы автомобильные
Штекер прикуривателя
Датчик парктроника
Камеры заднего вида
Мониторы парковочные
Парктроники
Термометры
Накидки на сиденье с подогревом
Автохолодильники
Антирадары
Диагностический сканер
Аксессуары
Набор автомобилиста
Ароматизаторы
Тросы буксировочные
Канистры
Ремни крепления груза
Стяжки-резинки крепления
Сетки для крепления груза
Скотч
Влажные салфетки
Держатели телефонов, планшетов
Карты памяти
Наушники
Аккумулятор холода
Термосумки и контейнеры
Фонарики
Батарейки
Оплетки на руль
Огнетушители
Салфетки, полотенца, варежки
Инструмент
Домкраты
Компрессоры
Манометры
Насосы
Светильники переносные
Шарнирно-губцевый инструмент
Ударный инструмент
Метчики. Плашки
Заклёпочники
Заклёпки
Измерительный инструмент
Свёрла
Отвёртки
Изолента
Надфили. Напильники
Ножи, ножовки
Щётки
Абразивная бумага
Специнструмент
Ключи
Хомуты
Дрель-шуруповерт
Автохимия
Присадки
Промывки
Очистители
Смазки спрей
Смазки пластичные
Герметики
Средство для рук
Клей
Лакокрасочные материалы
Автошампуни
Полироли
Антифриз для тормозной системы
Масло для пропитки фильтров
Антикоррозионные составы
Прочее
Электрооборудование
Зарядные устройства
Инверторы
Конвертеры
Звуковые сигналы
Провода прикуривания
Предохранители
Противотуманные фары
Дневные ходовые огни
Электрика фаркопа
Шины и диски
Автошины
Грузовые шины
Мотошины
Камеры
Мотокамеры
Лента обода шины
Колпаки
Диски
Одежда и экипировка
Жилеты
Запчасти
Аккумуляторы
Лампы
Щетки стеклоочистителя
Гофры глушителя
Велотовары
Велосипеды
Самокаты
Велокамеры
Искать по VIN или номеру детали
Поиск по штрих-коду
Искать по VIN-номеру
Войти
Авторизация
Логин
Пароль
Напомнить пароль
Запомнить
Войти
Зарегистрироваться
Авторизоваться другим способом
Востановить пароль
Введите ваш email:
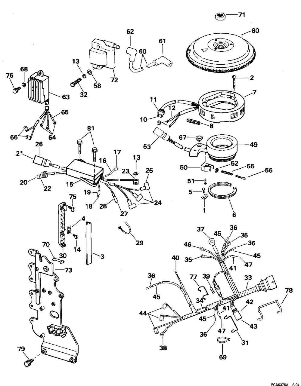
IGNITION SYSTEM
Корзина пуста
Evinrude
70 E70TLEOR
70 E70TLEOR
IGNITION SYSTEM
№
Наименование
Примечание
Кол-во
1
Детать
3
2
SCREW-STATOR
3
3
COVER
1
3
CVR & DECAL AY 50EL 60EL 70EL Models Only
1
4
JUMPER BLOCK
1
5
SCREW
3
6
Детать
1
7
STATOR AY4/12AMP
1
8
SLEEVE Oil manifold to crankcase oil hose
1
9
RING TERMINAL
2
10
TERMSCKT (010 per pack)
4
11
CONN 5 SKT PLUG
1
12
SLEEVE
2
13
LOCKWASHER (005 per pack)
4
14
SCREW
0
15
KITPP AY CD3AL67
1
18
TERM. 521616-ADZ (010 per pack)
1
19
SLEEVEBULLET TERM
1
21
PIN(10)44-100-1414 (010 per pack)
5
23
RING TERMINAL (005 per pack)
1
24
COVER IGN COIL
3
25
PIN 481817-AE44 (010 per pack)
3
26
CONNECTOR 5-PIN
1
27
TERMINAL (005 per pack)
1
28
SLEEVESOCKET BLUE
1
29
TIE STRAP 100PK (100 per pack)
1
30
TERMINAL BLK
1
31
RETAINER
1
32
SCREW
6
33
CABLE AYMOTOR
1
34
DIODE KIT
1
35
TERM. 40977
2
37
RING TERMINAL 0.312 in. (7.9mm) diameter
1
38
TERM. 40724 (005 per pack)
1
39
FUSE-20AMP/10 PACK (010 per pack)
1
42
CONN 4 PIN RCPT
1
44
RING TERMINAL
3
46
TERM. 61867-2 0.250 in. (6.3 mm) diameter
1
49
TIMER BASE AY
1
50
Детать
1
51
SCREW
1
52
NUT
1
55
SPRINGIDLE STOP
1
56
SCREW LINK ASSY
1
58
WASHER Negative battery stud to center frame
6
60
SP PLUG LEAD AY
3
61
SP PLUG BOOT 10PK (010 per pack)
1
62
COIL BOOT 10 PK (010 per pack)
1
63
RECT/REG AY4/12A
1
67
JOINT KIT 5 PK (005 per pack)
1
69
TIE STRAP 100PK (100 per pack)
0
70
CLIP
1
71
NUT
1
72
IGNITION COIL
3
73
BRACKETELECTRICAL
1
75
SCREW
2
76
SCREW
2
77
RETAINER
1
78
CLAMP
1
79
SCREW POSITIVE
3
80
Детать
1
81
SCREW
2