Оригинальные каталоги
Масла и жидкости
Масла моторные
Масла трансмиссионные
Жидкости гидравлические
Жидкости охлаждающие
Жидкости тормозные
Масла гидравлические
Масла для вилок и амортизаторов
Масла компрессорные
Жидкости для стекол
Масла для цепей бензопил
Масла индустриальные
Масла промывочные
Раствор мочевины AdBlue
Автоэлектроника
Видеорегистраторы
Пылесосы автомобильные
FM трансмиттеры
Зарядные устройства
Разветвители, удлинители прикуривателя
Кабели
Вентиляторы автомобильные
Штекер прикуривателя
Датчик парктроника
Камеры заднего вида
Мониторы парковочные
Парктроники
Термометры
Накидки на сиденье с подогревом
Автохолодильники
Антирадары
Диагностический сканер
Аксессуары
Набор автомобилиста
Ароматизаторы
Тросы буксировочные
Канистры
Ремни крепления груза
Стяжки-резинки крепления
Сетки для крепления груза
Скотч
Влажные салфетки
Держатели телефонов, планшетов
Карты памяти
Наушники
Аккумулятор холода
Термосумки и контейнеры
Фонарики
Батарейки
Оплетки на руль
Огнетушители
Салфетки, полотенца, варежки
Инструмент
Домкраты
Компрессоры
Манометры
Насосы
Светильники переносные
Шарнирно-губцевый инструмент
Ударный инструмент
Метчики. Плашки
Заклёпочники
Заклёпки
Измерительный инструмент
Свёрла
Отвёртки
Изолента
Надфили. Напильники
Ножи, ножовки
Щётки
Абразивная бумага
Специнструмент
Ключи
Хомуты
Дрель-шуруповерт
Автохимия
Присадки
Промывки
Очистители
Смазки спрей
Смазки пластичные
Герметики
Средство для рук
Клей
Лакокрасочные материалы
Автошампуни
Полироли
Антифриз для тормозной системы
Масло для пропитки фильтров
Антикоррозионные составы
Прочее
Электрооборудование
Зарядные устройства
Инверторы
Конвертеры
Звуковые сигналы
Провода прикуривания
Предохранители
Противотуманные фары
Дневные ходовые огни
Электрика фаркопа
Шины и диски
Автошины
Грузовые шины
Мотошины
Камеры
Мотокамеры
Лента обода шины
Колпаки
Диски
Одежда и экипировка
Жилеты
Запчасти
Аккумуляторы
Лампы
Щетки стеклоочистителя
Гофры глушителя
Велотовары
Велосипеды
Самокаты
Велокамеры
Искать по VIN или номеру детали
Поиск по штрих-коду
Искать по VIN-номеру
Войти
Авторизация
Логин
Пароль
Напомнить пароль
Запомнить
Войти
Зарегистрироваться
Авторизоваться другим способом
Востановить пароль
Введите ваш email:
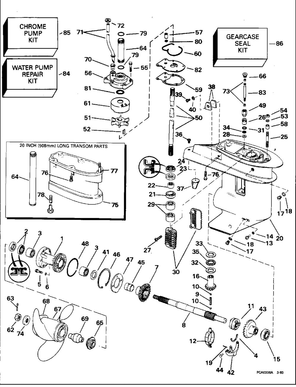
GEARCASE
Корзина пуста
Evinrude
20 E20CREOR
20 E20CREOR
GEARCASE
№
Наименование
Примечание
Кол-во
1
PS BRG HSG&SEAL AY
1
2
OIL SEAL Contents of Gearcase Seal Kit (005 per pack)
2
3
BEARING AYNEEDLE
2
4
CRADLE-CLUTCH DOG
1
5
SST SCREW
2
6
WASHER 5PK (005 per pack)
1
7
GEARREV 13:28
1
8
SHAFT AYPROPELLER
1
9
SPRING
1
10
BALL DETENT (005 per pack)
2
11
SHIFTER 3-LUG
1
12
YOKE & CONNECTOR
1
13
PIVOT PIN & WASHER
1
15
ROLLER BRG AY
1
16
PINION GEAR
1
17
DRAIN FILL PLG 10P (010 per pack)
2
18
WASHER-10 PK (010 per pack)
1
19
COTTER PIN
1
20
KIT G-CASE HSG (Does not Include Driveshaft.)
1
21
BEARING HSG DSHAFT
1
22
BEARING AY
1
23
OIL RET BRG HSG DS Contents of Gearcase Seal Kit
1
24
OIL RETAINER Contents of Gearcase Seal Kit
1
25
FF STUD
1
26
BUSHING
1
27
SCREW (005 per pack)
2
28
WASHER Contents of Gearcase Seal Kit
1
30
SCREENWATER INLET
2
31
O RING Contents of Gearcase Seal Kit
1
32
THRUST WASHER
1
33
THRUST WASHER-UPR
1
34
O RING Contents of Gearcase Seal Kit (005 per pack)
1
35
THRUST BRG AY
1
36
SCREW
1
37
KIT AYTRIM TAB
1
38
KIT AYANODE
1
39
SCREW
1
40
LOCKWASHER
1
41
FF THRUST WASHER
1
42
LEVERSHIFT
1
43
GEAR & BUSHINGFWD Ratio
1
44
PIN
1
45
FF BUSHING REV GR
1
46
FF RETAINING RING
1
47
FF RETAINER PLATE
1
48
O-RING Included in Powerhead Gasket & Seal Kit (005 per pack)
1
49
NUTSHIFT CONNCTR
1
50
DRIVESHAFT 15"
1
50
DRIVESHAFT20"
1
51
IMP & KEY
1
52
KEYIMPELLER-BLK
1
53
WASHER
1
53
LOCKWASHER
1
54
NUT
1
55
SCREW
6
56
IMP HSG & BUSH AY
1
57
BUSHING
1
58
BUSHING
1
59
GASKET
1
60
SEAL Contents of Gearcase Seal Kit
1
61
CUP IMP HSG
1
61
CUP-CHROME Optional accessory
1
62
FF PROP NUT
1
63
FF COTTER PIN 5PK (005 per pack)
1
64
SPACER STD/SHORT
1
64
SPACER LONG
1
65
BUSHINGTHRUST
1
66
CONNCTRSHFT ROD
1
67
PROPAL/10.3X13 (Original Equipment - See Genuine Parts Propeller Chart for Opitonal Sizes.)
1
67
Детать
1
67
Детать
1
67
PROPAL 11 X 9 RH
1
67
PROPSS-10X11 3BLD
1
67
Детать
1
67
PROP AL 10 X 15
1
67
PROPSST 10X13
1
67
PROP AYSS-10X15-3
1
67
Детать
1
67
PROPAL 10.5X11 RH
1
68
CONVERGING RING
1
69
BUSHING AY
1
69
Детать
1
70
GROMMET (005 per pack)
1
71
WTR TUBE AY
1
71
(25WRL.)
1
72
(Optional.)
1
73
KEEPER
2
74
SPACER PROP NUT
1
75
(Optional.)
1
76
SCREW
4
76
SCREW
4
78
SCREW G/C EXTN 20 INCH (508mm) LONG PARTS
1
79
O RING
2
81
O RING Contents of Gearcase Seal Kit
1
82
PLATE
1
82
PLATE Optional accessory
1
83
SHIFT ROD-LOWER
1
84
WTR PUMP KIT
1
85
Детать
1
86
SEAL KIT-G-CASE
1
0325541
SHIFT ROD-LNG
1
0325974
RUBBER MOUNT
2
0325975
RUBBER MOUNT
2
0330621
GASKET
1
0396707
(Not Shown. Optional.)
1
0434763
G/C AYCOMPL 32CU" (Not Shown. Does not Include Driveshaft.)
1