Оригинальные каталоги
Масла и жидкости
Масла моторные
Масла трансмиссионные
Жидкости гидравлические
Жидкости охлаждающие
Жидкости тормозные
Масла гидравлические
Масла для вилок и амортизаторов
Масла компрессорные
Жидкости для стекол
Масла для цепей бензопил
Масла индустриальные
Масла промывочные
Раствор мочевины AdBlue
Автоэлектроника
Видеорегистраторы
Пылесосы автомобильные
FM трансмиттеры
Зарядные устройства
Разветвители, удлинители прикуривателя
Кабели
Вентиляторы автомобильные
Штекер прикуривателя
Датчик парктроника
Камеры заднего вида
Мониторы парковочные
Парктроники
Термометры
Накидки на сиденье с подогревом
Автохолодильники
Антирадары
Диагностический сканер
Аксессуары
Набор автомобилиста
Ароматизаторы
Тросы буксировочные
Канистры
Ремни крепления груза
Стяжки-резинки крепления
Сетки для крепления груза
Скотч
Влажные салфетки
Держатели телефонов, планшетов
Карты памяти
Наушники
Аккумулятор холода
Термосумки и контейнеры
Фонарики
Батарейки
Оплетки на руль
Огнетушители
Салфетки, полотенца, варежки
Инструмент
Домкраты
Компрессоры
Манометры
Насосы
Светильники переносные
Шарнирно-губцевый инструмент
Ударный инструмент
Метчики. Плашки
Заклёпочники
Заклёпки
Измерительный инструмент
Свёрла
Отвёртки
Изолента
Надфили. Напильники
Ножи, ножовки
Щётки
Абразивная бумага
Специнструмент
Ключи
Хомуты
Дрель-шуруповерт
Автохимия
Присадки
Промывки
Очистители
Смазки спрей
Смазки пластичные
Герметики
Средство для рук
Клей
Лакокрасочные материалы
Автошампуни
Полироли
Антифриз для тормозной системы
Масло для пропитки фильтров
Антикоррозионные составы
Прочее
Электрооборудование
Зарядные устройства
Инверторы
Конвертеры
Звуковые сигналы
Провода прикуривания
Предохранители
Противотуманные фары
Дневные ходовые огни
Электрика фаркопа
Шины и диски
Автошины
Грузовые шины
Мотошины
Камеры
Мотокамеры
Лента обода шины
Колпаки
Диски
Одежда и экипировка
Жилеты
Запчасти
Аккумуляторы
Лампы
Щетки стеклоочистителя
Гофры глушителя
Велотовары
Велосипеды
Самокаты
Велокамеры
Искать по VIN или номеру детали
Поиск по штрих-коду
Искать по VIN-номеру
Войти
Авторизация
Логин
Пароль
Напомнить пароль
Запомнить
Войти
Зарегистрироваться
Авторизоваться другим способом
Востановить пароль
Введите ваш email:
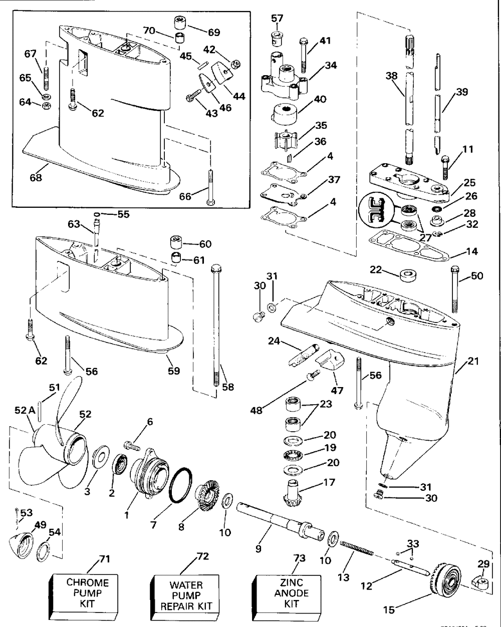
GEARCASE
Корзина пуста
Evinrude
6 E6RERE
6 E6RERE
GEARCASE
№
Наименование
Примечание
Кол-во
*
KIT AY5" EXT (Not Shown. 8WRL Models.)
1
1
Детать
1
2
SEAL OIL
1
3
BUSHINGFLANGED
1
4
GASKET (Contents of Water Pump Repair Kit.)
2
6
SCREW
2
7
O-RING
1
8
Детать
1
9
PROPSHAFT&WSHR AY
1
10
WASHERTHRUST
2
11
SCREW
3
12
SHIFTER-GEARCASE
1
13
SPRING
1
14
GASKET
1
15
F- GEAR & BRG BALL
1
17
GEARPINION
1
19
THRUST BRG AY-PIN
1
21
GEARCASE AY
1
22
BRG&SLEEVE
1
23
BEARING AY
2
24
KITSCREEN&PLUG AY
1
25
G/C CVR & SEAL AY
1
26
O RING
1
27
SEAL-D-SHAFT
2
28
BUSHING
1
29
CAM-SHIFT
1
30
DRAIN FILL PLG 10P (010 per pack)
1
30
DRAIN SCREW Contents of GEARCASE SEAL KIT
2
31
WASHER-10 PK (010 per pack)
1
31
O-RING (010 per pack)
1
32
RET RING
1
33
BALL-DRIVE
4
34
IMPELLER HSG
1
35
IMPELLER KIT (Contents of Water Pump Repair Kit.)
1
36
KEY (Contents of Water Pump Repair Kit.)
1
37
PLATE-IMP HSG (Contents of Water Pump Repair Kit.)
1
38
DRIVESHAFT-25"
1
38
DRIVESHAFT15"
1
38
DRIVESHAFT20" (8WRL Models.)
1
39
8 Sail Models (8RX)
1
39
RODSHIFT-15"
1
39
RODSHIFT-20" (8WRL Models.)
1
40
CUP-IMP HSG (Contents of Water Pump Repair Kit.)
1
41
SCREW (Contents of Water Pump Repair Kit.)
4
42
NUT
1
43
SCREW 5 PK (005 per pack)
1
44
EXHAUST PLUG 8 Sail Models (8RX)
1
45
8 Sail Models (8RX)
1
46
PLATE 8 Sail Models (8RX)
2
47
ANODE KIT
1
48
SCREW
1
49
CAP-PROP SHFT
1
50
SCREW
1
51
DRIVE PIN 5 PK (005 per pack)
1
52
PROPAL 8.5 X 9
1
52
Детать
1
52
PROPAL 8X7/PIN
1
52A
Детать
1
53
COTTER PIN 10 PK (010 per pack)
1
54
THRUST WASHER
1
55
O-RING (005 per pack)
1
56
SCREW DPS manifold to trim manifold
2
57
GROMMET (005 per pack)
1
58
SCREW
1
59
G-CSE EXT AY (RL Models.)
1
60
BUSHINGFLAT-STYLE (RL Models.)
1
61
SLEEVE (RL Models.)
1
63
EXTENSION WTR TUBE (RL Models.)
1
64
NUT
1
65
LOCKWASHER
1
67
STUD 8 Sail Models (8RX)
1
68
GEARCASE EXTENSION 8 Sail Models (8RX)
1
68
6SL Only
1
71
Детать
1
72
WTR PUMP REP KIT
1
73
ANODE KIT
1
0435107
Not Shown
1
0435108
Not Shown
1
0435109
Not Shown 8SRL Only
1