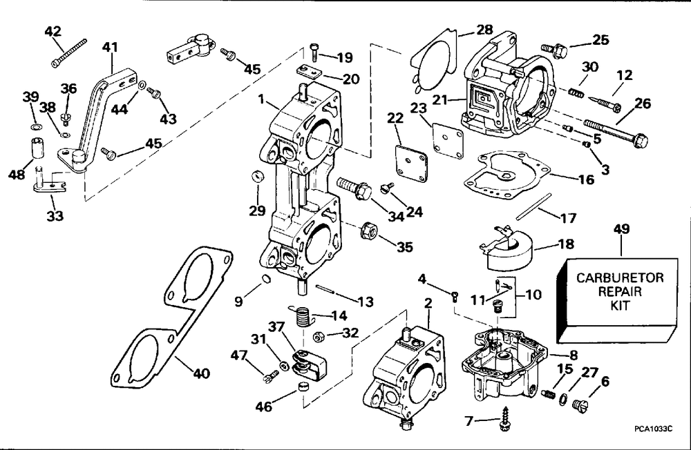
CARBURETOR AND LINKAGE - 225 SUFFIX "K" MODELS

Корзина пуста