Оригинальные каталоги
Масла и жидкости
Масла моторные
Масла трансмиссионные
Жидкости гидравлические
Жидкости охлаждающие
Жидкости тормозные
Масла гидравлические
Масла для вилок и амортизаторов
Масла компрессорные
Жидкости для стекол
Масла для цепей бензопил
Масла индустриальные
Масла промывочные
Раствор мочевины AdBlue
Автоэлектроника
Видеорегистраторы
Пылесосы автомобильные
FM трансмиттеры
Зарядные устройства
Разветвители, удлинители прикуривателя
Кабели
Вентиляторы автомобильные
Штекер прикуривателя
Датчик парктроника
Камеры заднего вида
Мониторы парковочные
Парктроники
Термометры
Накидки на сиденье с подогревом
Автохолодильники
Антирадары
Диагностический сканер
Аксессуары
Набор автомобилиста
Ароматизаторы
Тросы буксировочные
Канистры
Ремни крепления груза
Стяжки-резинки крепления
Сетки для крепления груза
Скотч
Влажные салфетки
Держатели телефонов, планшетов
Карты памяти
Наушники
Аккумулятор холода
Термосумки и контейнеры
Фонарики
Батарейки
Оплетки на руль
Огнетушители
Салфетки, полотенца, варежки
Инструмент
Домкраты
Компрессоры
Манометры
Насосы
Светильники переносные
Шарнирно-губцевый инструмент
Ударный инструмент
Метчики. Плашки
Заклёпочники
Заклёпки
Измерительный инструмент
Свёрла
Отвёртки
Изолента
Надфили. Напильники
Ножи, ножовки
Щётки
Абразивная бумага
Специнструмент
Ключи
Хомуты
Дрель-шуруповерт
Автохимия
Присадки
Промывки
Очистители
Смазки спрей
Смазки пластичные
Герметики
Средство для рук
Клей
Лакокрасочные материалы
Автошампуни
Полироли
Антифриз для тормозной системы
Масло для пропитки фильтров
Антикоррозионные составы
Прочее
Электрооборудование
Зарядные устройства
Инверторы
Конвертеры
Звуковые сигналы
Провода прикуривания
Предохранители
Противотуманные фары
Дневные ходовые огни
Электрика фаркопа
Шины и диски
Автошины
Грузовые шины
Мотошины
Камеры
Мотокамеры
Лента обода шины
Колпаки
Диски
Одежда и экипировка
Жилеты
Запчасти
Аккумуляторы
Лампы
Щетки стеклоочистителя
Гофры глушителя
Велотовары
Велосипеды
Самокаты
Велокамеры
Искать по VIN или номеру детали
Поиск по штрих-коду
Искать по VIN-номеру
Войти
Авторизация
Логин
Пароль
Напомнить пароль
Запомнить
Войти
Зарегистрироваться
Авторизоваться другим способом
Востановить пароль
Введите ваш email:
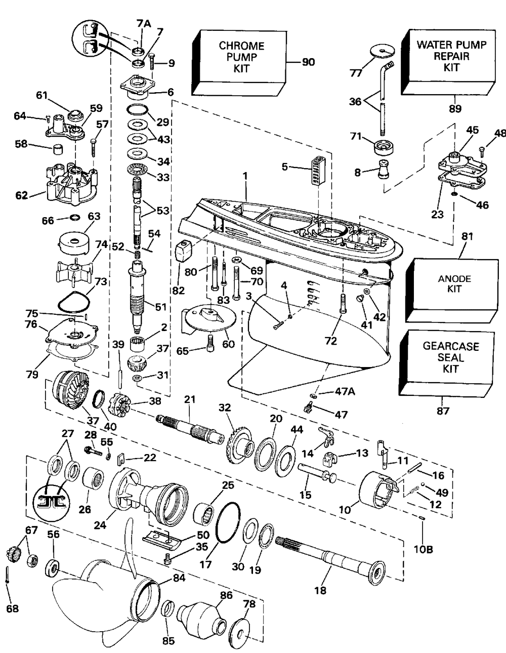
GEARCASE - 140CX COUNTER ROTATION
Корзина пуста
Evinrude
140 E140TLENS
140 E140TLENS
GEARCASE - 140CX COUNTER ROTATION
№
Наименование
Примечание
Кол-во
1
G/C AY4H/CALL SVC
1
2
ROLLER BRG AY
1
3
RETAINING SCREW
1
4
WASHER 5PK (005 per pack)
1
5
SCREENWATER INTK
1
6
DS BRG HSG&SEAL AY
1
7
OIL RETAINER Contents of GEARCASE SEAL KIT
1
7A
OIL RETAINER Contents of GEARCASE SEAL KIT
1
8
SPACER-SHIFT ROD 25 30 in. Models
1
9
SCREW Contents of GEARCASE SEAL KIT
4
10
SHIFTER HSG AY
1
10B
PIN
1
11
DETENT
1
12
SPRING
1
13
CRADLE-SHIFT
1
14
LEVER-SHIFTER
1
15
SHAFT-SHIFTER
1
16
DOWEL PIN
1
17
O-RING Contents of GEARCASE SEAL KIT (010 per pack)
1
18
SHAFT AYPROPELLER
1
19
BEARING AYTHRUST
1
20
THRUST BRG-FWD GR
1
21
SHAFT AYCLUTCH
1
22
RETAINING TAB
2
23
GASKET (Contents of GEARCASE SEAL KIT.) (005 per pack)
1
24
HSG AYPROPSHAFT
1
25
BRG AYNEEDLE
1
26
BEARING AYNEEDLE
1
27
SEAL Contents of GEARCASE SEAL KIT
2
28
SCREW BRG CARRIER
2
29
O-RING (Contents of GEARCASE SEAL KIT.)
1
30
WASHER
1
31
NUT PINION
1
32
GEAR AY-REV/CORO
1
33
THRUST BRG AY
1
34
THRUST WASHER
1
35
SCREW
2
36
SHIFT ROD 25" FHX MODELS
1
37
G-SETFWD&PIN CORO
1
38
SHIFTER-CLUTCH DOG
1
39
PIN
1
40
SPRING
1
41
DRAIN SCREW Contents of GEARCASE SEAL KIT
1
42
O-RING (010 per pack)
1
43
SHIM-PINION-003
0
43
SHIM-PINION-004
0
43
SHIM 005
0
44
THRUST WASHER
1
45
COVER AYSHIFT ROD
1
46
O-RING (005 per pack)
1
48
SCREW (005 per pack)
6
49
BALL
1
50
ANODE & INSERT AY
1
51
DRIVESHAFTLOWER
1
52
SPRING
1
53
KITUPPER D/S-25" 25 in. (635mm) Transom Models
2
54
PINROLL
1
55
WASHER
2
56
SPACER PROP NUT
1
57
SCREW
4
58
GROMMET 3.3 L models
1
59
COVERIMPELLER HSG
1
60
TABTRIM-C/R
1
61
GROMMET
1
62
HOUSING AYPUMP Also included in Water Pump Repair Kit
1
63
CUP & PLATE AY Also included in Water Pump Repair Kit Stainless Steel
1
63
CUP & PLATE AY Chrome Plated
1
64
SCREW
2
65
SCREW
1
66
Детать
1
67
NUT&KEEPER AYPROP
1
68
COTTER PIN 10 PK (010 per pack)
1
69
WASHER
1
70
SCREW
1
71
GROMMET EXH HSG
1
72
SCREW
4
73
SEAL
1
74
KIT AYIMPELLER Also included in Water Pump Repair Kit
1
75
IMP KEY-WHITE
1
76
CUP & PLATE AY Also included in Water Pump Repair Kit Stainless Steel
1
76
CUP & PLATE AY Chrome Plated
1
77
Детать
1
78
BUSHINGTHRUST
1
79
GASKETWTR PMP 5PK Also included in Water Pump Repair Kit 395062 Also included in Water Pump Repair Kit 395060 (005 per pack)
1
80
SCREW
1
81
ANODE KIT
1
82
ANODE&INSERT AY
1
83
SCREW ANODE
1
84
SST L.H. 23"
1
84
Детать
1
84
Детать
1
84
Детать
1
84
Детать
1
84
VIPERTBX14.75X19LH Refer to OMC Genuine Parts Propeller Chart
1
84
VIPERTBX14.75X17LH
1
84
VIPERTBX14.5X21-LH
1
84
Детать
1
84
Детать
1
84
Детать
1
85
SLEEVE
1
86
BUSHING AYPROP
1
87
KIT AYSEAL-GC 2 Single Lip Upper Driveshaft Seals
1
89
KIT AYWATER PUMP
1
89
KIT AYWATER PUMP
1
90
CUP & PLATE AY
1