Оригинальные каталоги
Масла и жидкости
Масла моторные
Масла трансмиссионные
Жидкости гидравлические
Жидкости охлаждающие
Жидкости тормозные
Масла гидравлические
Масла для вилок и амортизаторов
Масла компрессорные
Жидкости для стекол
Масла для цепей бензопил
Масла индустриальные
Масла промывочные
Раствор мочевины AdBlue
Автоэлектроника
Видеорегистраторы
Пылесосы автомобильные
FM трансмиттеры
Зарядные устройства
Разветвители, удлинители прикуривателя
Кабели
Вентиляторы автомобильные
Штекер прикуривателя
Датчик парктроника
Камеры заднего вида
Мониторы парковочные
Парктроники
Термометры
Накидки на сиденье с подогревом
Автохолодильники
Антирадары
Диагностический сканер
Аксессуары
Набор автомобилиста
Ароматизаторы
Тросы буксировочные
Канистры
Ремни крепления груза
Стяжки-резинки крепления
Сетки для крепления груза
Скотч
Влажные салфетки
Держатели телефонов, планшетов
Карты памяти
Наушники
Аккумулятор холода
Термосумки и контейнеры
Фонарики
Батарейки
Оплетки на руль
Огнетушители
Салфетки, полотенца, варежки
Инструмент
Домкраты
Компрессоры
Манометры
Насосы
Светильники переносные
Шарнирно-губцевый инструмент
Ударный инструмент
Метчики. Плашки
Заклёпочники
Заклёпки
Измерительный инструмент
Свёрла
Отвёртки
Изолента
Надфили. Напильники
Ножи, ножовки
Щётки
Абразивная бумага
Специнструмент
Ключи
Хомуты
Дрель-шуруповерт
Автохимия
Присадки
Промывки
Очистители
Смазки спрей
Смазки пластичные
Герметики
Средство для рук
Клей
Лакокрасочные материалы
Автошампуни
Полироли
Антифриз для тормозной системы
Масло для пропитки фильтров
Антикоррозионные составы
Прочее
Электрооборудование
Зарядные устройства
Инверторы
Конвертеры
Звуковые сигналы
Провода прикуривания
Предохранители
Противотуманные фары
Дневные ходовые огни
Электрика фаркопа
Шины и диски
Автошины
Грузовые шины
Мотошины
Камеры
Мотокамеры
Лента обода шины
Колпаки
Диски
Одежда и экипировка
Жилеты
Запчасти
Аккумуляторы
Лампы
Щетки стеклоочистителя
Гофры глушителя
Велотовары
Велосипеды
Самокаты
Велокамеры
Искать по VIN или номеру детали
Поиск по штрих-коду
Искать по VIN-номеру
Войти
Авторизация
Логин
Пароль
Напомнить пароль
Запомнить
Войти
Зарегистрироваться
Авторизоваться другим способом
Востановить пароль
Введите ваш email:
REMOTE CONTROL
Корзина пуста
Evinrude
150 E150STLCEM
150 E150STLCEM
REMOTE CONTROL
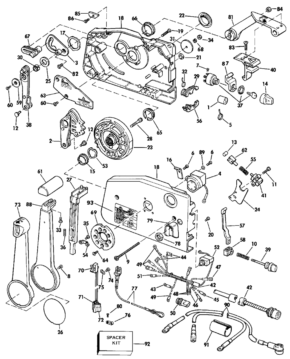
№
Наименование
Примечание
Кол-во
1
CAP-CONN
1
2
Детать
1
3
SHFT LCKOUT CAM AY
1
4
KIT AYHORN REPL
1
5
TIE STRAP 100PK (100 per pack)
8
6
SCREW
2
7
SCREWSLOTTED
6
8
SCREW
4
9
SCREW Also Available in Installation Hardware Kit Part No. 391773
2
10
SPRING
1
11
SCREW
2
12
CLEVIS PIN
2
13
SL-ROLLER-CNTRL
1
14
PUSH KNOB
1
15
Детать
1
16
RETAINER PLATE
1
17
SPRING WASHER
1
18
HOUSING & COV AY
1
19
SCREW
3
20
Детать
1
21
PLUG COVER
1
22
Детать
1
23
Детать
1
24
MTG PLATE
1
25
SL-SPACER-CNTRL
1
26
APPLIQUE-SPROCKET
1
27
SLIDE
1
28
SCREW
1
29
GROMMET
1
30
BUSHING
1
31
WASHER
2
32
TIE STRAP 100 PK (100 per pack)
1
33
SCREW
1
34
NUT
2
35
SCREW
2
36
SPRING
1
37
IGNITION SWITCH
1
38
Детать
1
39
KNOB&SCREW
1
40
CLIP LATCH
1
41
SW AYNEUT START
1
42
Детать
1
43
TERM. 40977
1
44
TERM.41532
2
45
RING TERMINAL
1
46
LEAD AY
1
47
TERMINALRCPT.250
1
48
TERMSCKT (010 per pack)
2
49
RING TERMINAL
4
50
3-PIN CONNECTOR
1
51
Детать
1
52
SWITCH AYCUTOFF
1
53
WAVE WASHER
1
54
PLATE-CNTRL LVR
1
55
SPRING
1
56
GROMMET
1
57
LEVER AY
1
58
NUT
1
59
WASHER
1
60
SCREW
3
61
COVERNEUT LOCK SL
1
62
SL-SHOE-RE CNTRL
1
63
SL-SEPARATOR-CNTRL
1
64
SCREW-INDEX PLATE
3
65
FLANGED BUSHING
1
66
BUSHING
1
67
LEVER LOCKOUT
1
68
LOCKWASHER
2
69
PLATEINDEX
1
70
Детать
1
71
TERM HSNG
1
72
TERMINAL
3
73
COVERRMT CONT LVR Models With Power Trim and Tilt
1
75
CLAMP-SWITCH
1
76
CLAMP
1
77
CLIP&LANYARD AY
1
78
NUT
1
79
GUARD
1
80
SCREW
1
81
FAST IDLE LVR KIT
1
82
SCREW
1
83
SCREW
2
84
NUT
1
85
KEEPER PLATE
1
87
LATCH
1
88
HANDLRMT CONT-BLK
1
89
LOCKWASHER
1
90
CABLE AYBATTERY
1
91
SLEEVE BTY CBL
1
92
SPACER KIT
1
93
DECALWARNING HORN
1
0322693
IGN KEY BLANK (See Service Bulletin for Key Ordering Information.)
0
0391858
Not Shown Models With Power Trim and Tilt
1
0432716
Not Shown Models With Power Trim and Tilt
1