| № | Наименование | Примечание | Кол-во |
|---|---|---|---|
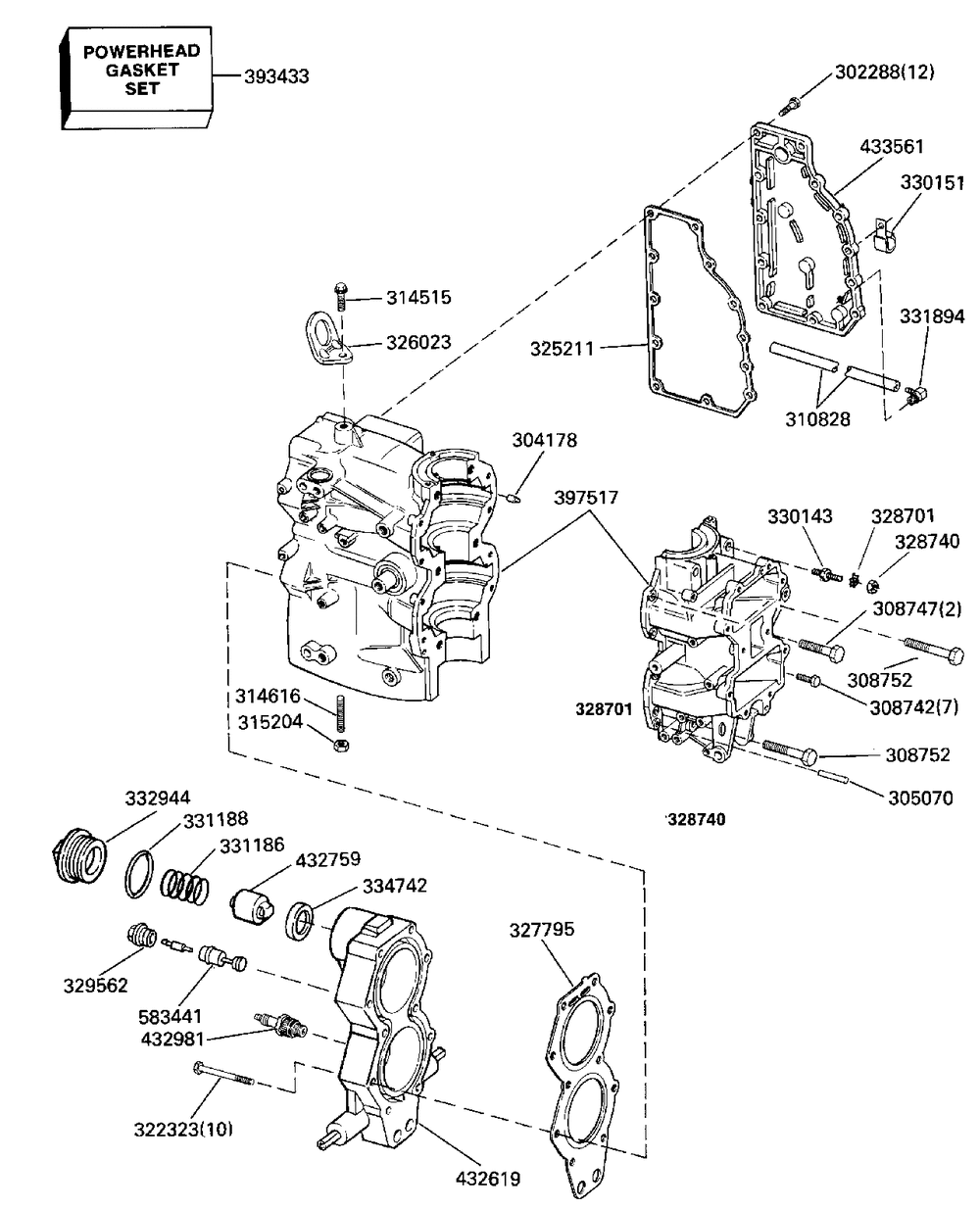
| 0302288 | SCREW | 12 | |
| 0304178 | DOWEL | 1 | |
| 0305070 | PIN 4PK (004 per pack) | 1 | |
| 0308742 | SCREW | 7 | |
| 0308747 | SCREW | 2 | |
| 0308752 | Детать | 1 | |
| 0310828 | HOSE-25' (025 per pack) | 1 | |
| 0314515 | SCREW | 1 | |
| 0314616 | STUD | 1 | |
| 0315204 | NUT | 1 | |
| 0322323 | SCREW-CYL HEAD | 10 | |
| 0325211 | GASKET WATER PASS | 1 | |
| 0326023 | LIFT BRKT | 1 | |
| 0327795 | HD GASKET | 1 | |
| 0328701 | LOCKWASHER (005 per pack) | 1 | |
| 0328740 | NUT | 1 | |
| 0329562 | COVER-TEMP.SWITCH | 1 | |
| 0330143 | Детать | 1 | |
| 0330151 | CLAMP 'J' | 1 | |
| 0331186 | SPRING-THERMOSTAT | 1 | |
| 0331188 | O-RING (005 per pack) | 1 | |
| 0331894 | ELBOW 40 HO 60 HP Models | 1 | |
| 0332944 | THERMOSTAT CVR "E" Suffix Models Only | 1 | |
| 0334742 | SEALTHERMOSTAT | 1 | |
| 0393433 | GASKET SET PWHD | 1 | |
| 0397517 | Not Shown 50 Models "M" Models Number Suffix Only | 1 | |
| 0432619 | Детать | 1 | |
| 0432759 | SEAT&THERMOSTAT AY | 1 | |
| 0432981 | SP PLG QL78C Optional (004 per pack) | 1 | |
| 0433561 | Детать | 1 | |
| 0583441 | SWITCHTEMP-TAN | 1 |
