Оригинальные каталоги
Масла и жидкости
Масла моторные
Масла трансмиссионные
Жидкости гидравлические
Жидкости охлаждающие
Жидкости тормозные
Масла гидравлические
Масла для вилок и амортизаторов
Масла компрессорные
Жидкости для стекол
Масла для цепей бензопил
Масла индустриальные
Масла промывочные
Раствор мочевины AdBlue
Автоэлектроника
Видеорегистраторы
Пылесосы автомобильные
FM трансмиттеры
Зарядные устройства
Разветвители, удлинители прикуривателя
Кабели
Вентиляторы автомобильные
Штекер прикуривателя
Датчик парктроника
Камеры заднего вида
Мониторы парковочные
Парктроники
Термометры
Накидки на сиденье с подогревом
Автохолодильники
Антирадары
Диагностический сканер
Аксессуары
Набор автомобилиста
Ароматизаторы
Тросы буксировочные
Канистры
Ремни крепления груза
Стяжки-резинки крепления
Сетки для крепления груза
Скотч
Влажные салфетки
Держатели телефонов, планшетов
Карты памяти
Наушники
Аккумулятор холода
Термосумки и контейнеры
Фонарики
Батарейки
Оплетки на руль
Огнетушители
Салфетки, полотенца, варежки
Инструмент
Домкраты
Компрессоры
Манометры
Насосы
Светильники переносные
Шарнирно-губцевый инструмент
Ударный инструмент
Метчики. Плашки
Заклёпочники
Заклёпки
Измерительный инструмент
Свёрла
Отвёртки
Изолента
Надфили. Напильники
Ножи, ножовки
Щётки
Абразивная бумага
Специнструмент
Ключи
Хомуты
Дрель-шуруповерт
Автохимия
Присадки
Промывки
Очистители
Смазки спрей
Смазки пластичные
Герметики
Средство для рук
Клей
Лакокрасочные материалы
Автошампуни
Полироли
Антифриз для тормозной системы
Масло для пропитки фильтров
Антикоррозионные составы
Прочее
Электрооборудование
Зарядные устройства
Инверторы
Конвертеры
Звуковые сигналы
Провода прикуривания
Предохранители
Противотуманные фары
Дневные ходовые огни
Электрика фаркопа
Шины и диски
Автошины
Грузовые шины
Мотошины
Камеры
Мотокамеры
Лента обода шины
Колпаки
Диски
Одежда и экипировка
Жилеты
Запчасти
Аккумуляторы
Лампы
Щетки стеклоочистителя
Гофры глушителя
Велотовары
Велосипеды
Самокаты
Велокамеры
Искать по VIN или номеру детали
Поиск по штрих-коду
Искать по VIN-номеру
Войти
Авторизация
Логин
Пароль
Напомнить пароль
Запомнить
Войти
Зарегистрироваться
Авторизоваться другим способом
Востановить пароль
Введите ваш email:
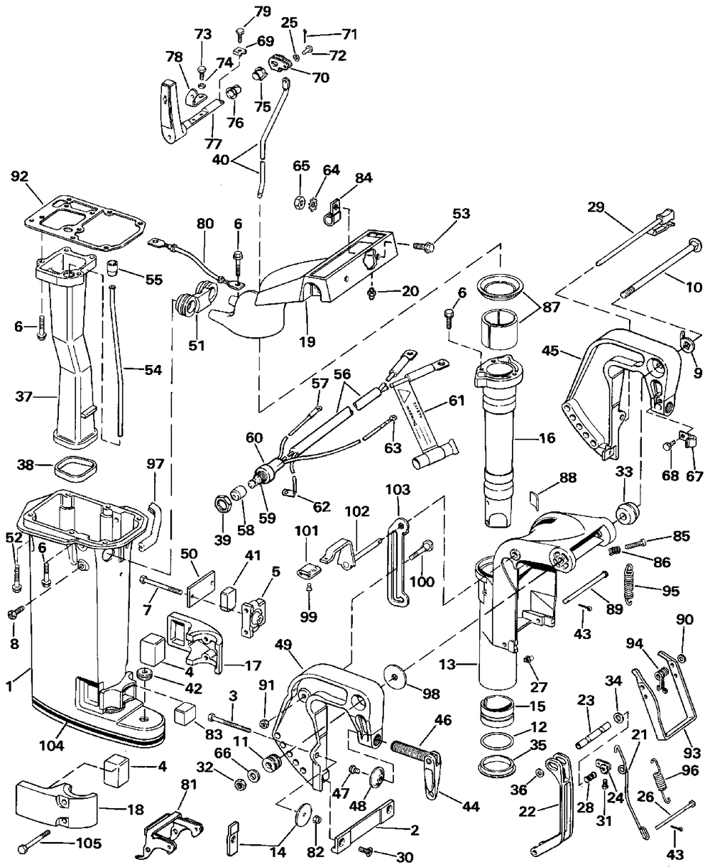
MIDSECTION (10SEL ONLY)
Корзина пуста
Evinrude
15 E15ELCCS
15 E15ELCCS
MIDSECTION (10SEL ONLY)
№
Наименование
Примечание
Кол-во
2
PLATE
1
3
SCREW & NUT AY
2
4
RUBBER MOUNT
2
5
MOUNT AYTHRUST
2
6
SCREW 5 PK (005 per pack)
13
7
SCREW
2
8
SCREW
4
9
LINK (9.9 Rope Models. 9.9 Tiller Electric High Thrust Models. 15 Rope Models.)
1
10
TILT BOLT
1
11
SPRING
1
12
O RING Included in Powerhead Gasket & Seal Kit
1
13
Детать
1
14
WASHER SB
2
14
(Optional.)
2
15
BUSHING
1
16
PIVOT SHAFT
1
17
MOUNT BRACKET LOW
1
18
MOUNT BRACKET-LOW
1
19
Детать
1
20
FITTING LUBE
1
21
WIRE REV LOCK REL
1
22
HANDLECARRYING
1
23
Детать
1
24
BELLCRANK
1
25
BOW WASHER
1
26
PIN
1
28
SPRING
1
29
TILT PIN AY
1
30
SCREW
2
31
SCREW-BELLCRK
1
32
LOCK NUT (9.9 Rope Models. 9.9 Tiller Electric High Thrust Models. 15 Rope Models.)
2
33
WASHER
1
34
WASHER
2
35
WASHER
1
36
WASHER
1
37
9.9 Models Only
1
38
SEAL 9.9 Models Only
1
39
Electric Start Models Only
1
40
Детать
1
41
MOUNTTHRUST UPPR
1
42
GROMMET
1
43
COTTER PIN 10PK (010 per pack)
2
44
KITHANDLE&RIVET
2
45
Детать
1
46
C-SCREW KIT SST Stainless optional accessory
1
46
KIT AYCLAMPSCREW
1
48
PLATESWIVEL
1
49
Детать
0
50
PLATE
1
51
SEAL
1
52
SCREW-EXH HSG
2
54
Детать
1
55
GROMMET
1
56
Детать
1
57
TERM. 40724 (005 per pack)
1
58
BOOT-SWITCH
1
59
SWITCH & SLEEVE AY
1
60
TUBING-HEAT SHRINK
1
61
COVER
1
62
RING TERMINAL
1
63
TERM.-41124
1
64
LOCK WASHER
2
66
WASHER
1
67
CLAMP Electric Start Models Only
1
68
SCREW
1
69
CLIP
1
70
BELLCRANK SHFT ROD
1
72
PIN
1
73
SCREW
2
74
WASHER
2
75
BUSHING
1
76
Детать
1
77
SHIFT HNDL & SHAFT
1
78
LEVER SHIFT
1
79
SCREW
1
80
TERMINAL & LEAD AY
1
81
LOCK LEVER & LINK (9.9 Tiller Electric High Thrust Models. 9.9 Electric High Thrust Models.)
1
82
LOCKNUT
2
83
THRUST MOUNT
1
84
CLAMP BATTY CABLE
1
85
SCREW
1
86
SPRINGSTEER FRICT DT models
1
87
Детать
1
88
FRICTION BLOCK
1
89
PIN
1
91
NUT
1
92
GASKET 5PK
1
93
LINK
1
94
SPRING
1
95
Детать
3
96
SPRING
1
97
SEAL EX-HOUSING
1
98
WASHER
1
99
SCREW
1
100
PIN
1
101
KNOB
1
102
LVR & SHAFT A
1
103
LINKTILTLOCK-STBD
1
104
DECAL
1
104
Детать
1
105
SCREW
2