Оригинальные каталоги
Масла и жидкости
Масла моторные
Масла трансмиссионные
Жидкости гидравлические
Жидкости охлаждающие
Жидкости тормозные
Масла гидравлические
Масла для вилок и амортизаторов
Масла компрессорные
Жидкости для стекол
Масла для цепей бензопил
Масла индустриальные
Масла промывочные
Раствор мочевины AdBlue
Автоэлектроника
Видеорегистраторы
Пылесосы автомобильные
FM трансмиттеры
Зарядные устройства
Разветвители, удлинители прикуривателя
Кабели
Вентиляторы автомобильные
Штекер прикуривателя
Датчик парктроника
Камеры заднего вида
Мониторы парковочные
Парктроники
Термометры
Накидки на сиденье с подогревом
Автохолодильники
Антирадары
Диагностический сканер
Аксессуары
Набор автомобилиста
Ароматизаторы
Тросы буксировочные
Канистры
Ремни крепления груза
Стяжки-резинки крепления
Сетки для крепления груза
Скотч
Влажные салфетки
Держатели телефонов, планшетов
Карты памяти
Наушники
Аккумулятор холода
Термосумки и контейнеры
Фонарики
Батарейки
Оплетки на руль
Огнетушители
Салфетки, полотенца, варежки
Инструмент
Домкраты
Компрессоры
Манометры
Насосы
Светильники переносные
Шарнирно-губцевый инструмент
Ударный инструмент
Метчики. Плашки
Заклёпочники
Заклёпки
Измерительный инструмент
Свёрла
Отвёртки
Изолента
Надфили. Напильники
Ножи, ножовки
Щётки
Абразивная бумага
Специнструмент
Ключи
Хомуты
Дрель-шуруповерт
Автохимия
Присадки
Промывки
Очистители
Смазки спрей
Смазки пластичные
Герметики
Средство для рук
Клей
Лакокрасочные материалы
Автошампуни
Полироли
Антифриз для тормозной системы
Масло для пропитки фильтров
Антикоррозионные составы
Прочее
Электрооборудование
Зарядные устройства
Инверторы
Конвертеры
Звуковые сигналы
Провода прикуривания
Предохранители
Противотуманные фары
Дневные ходовые огни
Электрика фаркопа
Шины и диски
Автошины
Грузовые шины
Мотошины
Камеры
Мотокамеры
Лента обода шины
Колпаки
Диски
Одежда и экипировка
Жилеты
Запчасти
Аккумуляторы
Лампы
Щетки стеклоочистителя
Гофры глушителя
Велотовары
Велосипеды
Самокаты
Велокамеры
Искать по VIN или номеру детали
Поиск по штрих-коду
Искать по VIN-номеру
Войти
Авторизация
Логин
Пароль
Напомнить пароль
Запомнить
Войти
Зарегистрироваться
Авторизоваться другим способом
Востановить пароль
Введите ваш email:
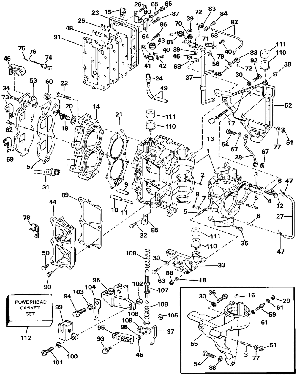
CYLINDER & CRANKCASE
Корзина пуста
Evinrude
25 E25ECCM
25 E25ECCM
CYLINDER & CRANKCASE
№
Наименование
Примечание
Кол-во
1
20CRC - 20CRLC - 25RC - 25RLC 25TEC - 25TELC 20EC - 20ELC - 25ELC
1
2
DOWEL
1
3
STUD
1
4
PIN 4PK (004 per pack)
2
7
CHECK VALVE AY
1
8
SCREEN
1
9
DEFLECTOR
1
10
DEFLECTOR
2
11
DEFLECTOR
1
12
SCREW
6
13
BUMPER
1
14
HEADCYLINDER
1
15
CLAMP 'J'
1
16
SEAL-STARTER
2
17
Electric Start Models Only
1
17
SCREW SPRK ADJ
1
18
WASHER Trim manifold to DPS manifold
2
19
THERMOSTAT AY
1
20
GASKET
2
21
HD GASKET32CU" (Included in Powerhead Gasket Set.)
1
23
Детать
1
24
NIPPLE
1
25
GASKET-EXH CVR
1
26
SCREW
13
28
TERMINAL & LEAD AY
1
29
NUT
1
30
LOCKWASHER 5 PK (005 per pack)
0
31
QL16V-PLUG 4PK (Radio Noise Suppression Spark Plug.) (004 per pack)
2
31
SP PLG QL77JC4 (Optional.) (004 per pack)
2
31
S PLUG L77JC4 8PK
2
32
20EC - 20ELC - 25ELC
1
33
BRACKET
1
34
SCREW
3
35
SCREW EXH CVR
8
36
SCREW-EXH CVR
1
37
Детать
1
38
NUT-SPARK ADJ
1
39
SHIM
2
40
Детать
4
41
CLAMP
1
42
BEARING CLAMP
1
43
BEARING
1
44
Детать
1
44
BY-PASS COVER AY 20EC - 20ELC - 25ELC
1
45
CLAMP
1
46
COTTER PIN
0
47
TIE STRAP 100PK (100 per pack)
2
48
EXH CVR-INNER
1
48
EXH CVR 20CRC - 20CRLC - 25RC - 25RLC 25TEC - 25TELC
1
49
Детать
1
50
SCREW
3
51
NUT (105WEL Models Only.)
1
52
BRACKET
1
53
Детать
1
54
SCREW (005 per pack)
1
55
BRKT EL STARTER
1
56
Детать
1
57
GASKET
1
59
BOLT
1
60
SPRING
1
61
LOCKWASHER (005 per pack)
2
62
SCREW
11
63
SCREW
1
64
IDLE STOP BRKT
1
65
SPRING-IDLE SCREW Remote Elec. Models
1
66
Детать
1
68
FF BEARING CLAMP
2
69
CLAMP 'J' Rope Start Models Only
1
70
SLEEVE
1
71
COLLAR
1
72
NUT
2
74
SWITCH AYTEMP
1
75
TERM. 521616-ADZ (010 per pack)
1
76
SLEEVEBULLET TERM
1
78
Детать
1
79
WASHER
1
81
SPRING
1
82
FF THROTTLE CON RD
1
83
FF PIVOT PIN
2
84
SCREW
1
85
CLAMP 'J' 20EC - 20ELC - 25EC - 25ELC
1
89
FF GASKET CVR CYL
1
93
SCREW
1
94
SCREW
1
95
Детать
1
96
BRACKET
1
97
Детать
1
98
WASHER
2
99
SAFETY SWITCH AY
1
100
WASHER
2
101
SCREW-CAL COVER
2
102
NUT
2
103
WASHER Negative battery stud to center frame
1
104
GROUND STRAP
1
105
WASHER
1
106
20CRC - 20CRLC - 25RC - 25RLC 25TEC - 25TELC
1
107
PLUNGER
1
108
SPRING
2
109
LVR & ROLLER AY
1
110
MOUNT-STARTER HSG
3
111
CUP-RUBBER MOUNT
3
112
GASKET SET PWHD
1
112
GASKET SET PWHD
1