Оригинальные каталоги
Масла и жидкости
Масла моторные
Масла трансмиссионные
Жидкости гидравлические
Жидкости охлаждающие
Жидкости тормозные
Масла гидравлические
Масла для вилок и амортизаторов
Масла компрессорные
Жидкости для стекол
Масла для цепей бензопил
Масла индустриальные
Масла промывочные
Раствор мочевины AdBlue
Автоэлектроника
Видеорегистраторы
Пылесосы автомобильные
FM трансмиттеры
Зарядные устройства
Разветвители, удлинители прикуривателя
Кабели
Вентиляторы автомобильные
Штекер прикуривателя
Датчик парктроника
Камеры заднего вида
Мониторы парковочные
Парктроники
Термометры
Накидки на сиденье с подогревом
Автохолодильники
Антирадары
Диагностический сканер
Аксессуары
Набор автомобилиста
Ароматизаторы
Тросы буксировочные
Канистры
Ремни крепления груза
Стяжки-резинки крепления
Сетки для крепления груза
Скотч
Влажные салфетки
Держатели телефонов, планшетов
Карты памяти
Наушники
Аккумулятор холода
Термосумки и контейнеры
Фонарики
Батарейки
Оплетки на руль
Огнетушители
Салфетки, полотенца, варежки
Инструмент
Домкраты
Компрессоры
Манометры
Насосы
Светильники переносные
Шарнирно-губцевый инструмент
Ударный инструмент
Метчики. Плашки
Заклёпочники
Заклёпки
Измерительный инструмент
Свёрла
Отвёртки
Изолента
Надфили. Напильники
Ножи, ножовки
Щётки
Абразивная бумага
Специнструмент
Ключи
Хомуты
Дрель-шуруповерт
Автохимия
Присадки
Промывки
Очистители
Смазки спрей
Смазки пластичные
Герметики
Средство для рук
Клей
Лакокрасочные материалы
Автошампуни
Полироли
Антифриз для тормозной системы
Масло для пропитки фильтров
Антикоррозионные составы
Прочее
Электрооборудование
Зарядные устройства
Инверторы
Конвертеры
Звуковые сигналы
Провода прикуривания
Предохранители
Противотуманные фары
Дневные ходовые огни
Электрика фаркопа
Шины и диски
Автошины
Грузовые шины
Мотошины
Камеры
Мотокамеры
Лента обода шины
Колпаки
Диски
Одежда и экипировка
Жилеты
Запчасти
Аккумуляторы
Лампы
Щетки стеклоочистителя
Гофры глушителя
Велотовары
Велосипеды
Самокаты
Велокамеры
Искать по VIN или номеру детали
Поиск по штрих-коду
Искать по VIN-номеру
Войти
Авторизация
Логин
Пароль
Напомнить пароль
Запомнить
Войти
Зарегистрироваться
Авторизоваться другим способом
Востановить пароль
Введите ваш email:
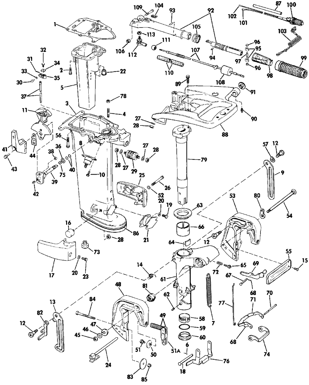
MIDSECTION - ROPE START AND TILLER ELECTRIC
Корзина пуста
Evinrude
25 E25RCCA
25 E25RCCA
MIDSECTION - ROPE START AND TILLER ELECTRIC
№
Наименование
Примечание
Кол-во
1
GASKET
1
2
SCREW
6
3
EXHAUST HOUSING Use 436193 for 20-35 hp recreational models. Use 432430 for 35 hp "MARS" military motors
1
3
Parts Also Used on 25RAC-25RALC Models. Parts Also Used on 20BFC-20BFLC-25BAC-25BALC-25IRC-25IRLC-25SRC-25SRLC. USE 4
1
4
STUD
2
5
TUBEEXHAUST-INNER
1
6
COTTER PIN 10PK (010 per pack)
1
7
SPRING
1
8
RUBBER MOUNT
1
8
RUBBER MOUNT 25R 30R .
2
9
LINK-TILT STOP
1
10
SCREW
4
11
CAMACTUATOR
1
12
SCREW-SHOULDER
4
13
Детать
1
14
SPRING
1
15
SCREW
4
16
RUBBER MOUNT
2
16
RUBBER MOUNT 25R 30R .
2
17
HSG-LWR MT-STBD
1
18
PIN-LINK
1
19
SCREW
2
20
WASHER
4
21
RUBBR MOUNTLOWER
1
22
GROMMET (005 per pack)
1
24
TILT PIN AY
1
25
HSG-LWR MT-PORT
1
26
SCREW
2
27
WASHER
4
28
NUT
6
29
RUBBER MOUNT
1
30
PIN
1
32
SCREW
1
33
BOW WASHER
1
34
CLIP
1
35
LEVER SHIFT ROD
1
36
WASHER
2
37
SHIFT ROD-STD
1
37
SHIFT ROD-LNG
1
38
NUT
2
39
ADJ LEVER & SHAFT
1
40
O-RING Included in "FUEL PUMP REPAIR KIT"
2
41
SHIFT LEVER
1
42
FITTING LUBE
1
43
SCREW
2
44
SPACER
1
45
LOCK NUT (9.9 Rope Models. 9.9 Tiller Electric High Thrust Models. 15 Rope Models.)
1
46
WASHER
1
47
SPRING
1
48
Детать
1
49
C-SCREW KIT SST Stainless optional accessory
1
49
Детать
1
50
PLATESWIVEL
1
51
SCREW-CLMPSCRW (005 per pack)
1
51A
KITHANDLE&RIVET
2
52
WASHER
2
53
BRKT & SHIM AY
1
54
TILT BOLT
1
55
STRAP
1
56
SCREW-EXH HSG
4
57
WASHER
1
58
BUSHING
1
59
O RING Included in Powerhead Gasket & Seal Kit
1
60
WASHER
1
61
Детать
1
63
Детать
1
64
FRICTION BLOCK
1
65
SCREW STRG ADJ
1
66
Детать
1
67
SHAFT
1
69
ARMMAN-LOCK LVR
1
70
ROD
1
71
LOCKING LEVER
1
72
SPRINGSTEER FRICT DT models
1
73
BUMPER
1
74
LINK
1
75
RETAINER
1
76
Детать
1
77
LINK
1
78
NUT
2
79
PILOT SHAFT
1
80
LINK (9.9 Rope Models. 9.9 Tiller Electric High Thrust Models. 15 Rope Models.)
1
81
WASHER
2
82
Детать
1
83
Parts Also Used on 25RAC-25RALC Models. Optional Parts Also Used on 20BFC-20BFLC-25BAC-25BALC-25IRC-25IRLC-25SRC-25SRLC.
2
84
SCREW
1
85
NUT
1
86
DECAL
1
86
Детать
1
87
SLEEVE
1
88
Детать
1
89
SCREW Contents of GEARCASE SEAL KIT
4
91
BUSHING
2
92
Детать
1
93
PIN
1
94
RET CLIP
1
95
GUIDE
2
96
ROLLER
2
97
PIN
1
98
GRIP&HELIX AY
2
99
GRIP&HELIX AY
1
100
SERV KIT-STOP SW
1
101
TERM. 61867-2 0.250 in. (6.3 mm) diameter
1
102
TERMSCKT (010 per pack)
1
103
CLIP & LANYARD A
1
104
CLIP-RESTART (005 per pack)
1
105
PLATE-THROTTLE
1
106
NUT
1
107
CABLE AYTHROTTLE
1
108
SEAL (FOAM)
1
109
SCREW
0
110
SLEEVEBRAIDED
1
111
TRUNION-THROTTLE
1
112
SHELL&BALL JOINT
1
113
NUT
1
0432043
Not Shown
1
0432294
SCREW & NUT AY Not Shown
2