Оригинальные каталоги
Масла и жидкости
Масла моторные
Масла трансмиссионные
Жидкости гидравлические
Жидкости охлаждающие
Жидкости тормозные
Масла гидравлические
Масла для вилок и амортизаторов
Масла компрессорные
Жидкости для стекол
Масла для цепей бензопил
Масла индустриальные
Масла промывочные
Раствор мочевины AdBlue
Автоэлектроника
Видеорегистраторы
Пылесосы автомобильные
FM трансмиттеры
Зарядные устройства
Разветвители, удлинители прикуривателя
Кабели
Вентиляторы автомобильные
Штекер прикуривателя
Датчик парктроника
Камеры заднего вида
Мониторы парковочные
Парктроники
Термометры
Накидки на сиденье с подогревом
Автохолодильники
Антирадары
Диагностический сканер
Аксессуары
Набор автомобилиста
Ароматизаторы
Тросы буксировочные
Канистры
Ремни крепления груза
Стяжки-резинки крепления
Сетки для крепления груза
Скотч
Влажные салфетки
Держатели телефонов, планшетов
Карты памяти
Наушники
Аккумулятор холода
Термосумки и контейнеры
Фонарики
Батарейки
Оплетки на руль
Огнетушители
Салфетки, полотенца, варежки
Инструмент
Домкраты
Компрессоры
Манометры
Насосы
Светильники переносные
Шарнирно-губцевый инструмент
Ударный инструмент
Метчики. Плашки
Заклёпочники
Заклёпки
Измерительный инструмент
Свёрла
Отвёртки
Изолента
Надфили. Напильники
Ножи, ножовки
Щётки
Абразивная бумага
Специнструмент
Ключи
Хомуты
Дрель-шуруповерт
Автохимия
Присадки
Промывки
Очистители
Смазки спрей
Смазки пластичные
Герметики
Средство для рук
Клей
Лакокрасочные материалы
Автошампуни
Полироли
Антифриз для тормозной системы
Масло для пропитки фильтров
Антикоррозионные составы
Прочее
Электрооборудование
Зарядные устройства
Инверторы
Конвертеры
Звуковые сигналы
Провода прикуривания
Предохранители
Противотуманные фары
Дневные ходовые огни
Электрика фаркопа
Шины и диски
Автошины
Грузовые шины
Мотошины
Камеры
Мотокамеры
Лента обода шины
Колпаки
Диски
Одежда и экипировка
Жилеты
Запчасти
Аккумуляторы
Лампы
Щетки стеклоочистителя
Гофры глушителя
Велотовары
Велосипеды
Самокаты
Велокамеры
Искать по VIN или номеру детали
Поиск по штрих-коду
Искать по VIN-номеру
Войти
Авторизация
Логин
Пароль
Напомнить пароль
Запомнить
Войти
Зарегистрироваться
Авторизоваться другим способом
Востановить пароль
Введите ваш email:
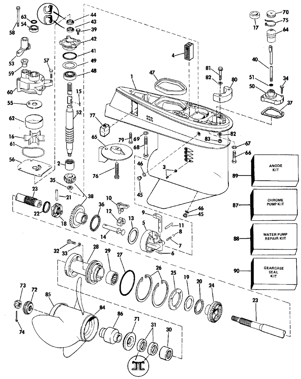
GEARCASE-ALL MODELS EXCEPT 40AR 40AE 40AT
Корзина пуста
Evinrude
40 E40RCCS
40 E40RCCS
GEARCASE-ALL MODELS EXCEPT 40AR 40AE 40AT
№
Наименование
Примечание
Кол-во
1
Детать
1
2
NEEDLE BRG DS LOWR
1
3
RETAINING SCREW
1
4
Детать
1
5
Детать
1
6
PIN
1
7
SPRING
1
8
BALL
1
9
DETENT-SHIFTER
1
10
Детать
1
12
CRADLE-SHIFT
1
13
THRUST WASHER
1
14
SHAFT SHIFTER
1
15
KEYIMPELLER-BLK
1
16
IMPELLER Also included in Water Pump Repair Kit 396932
1
17
SEAL RING (WRL Models Only.)
1
18
SHIFTER CLUTCH DOG
1
19
THRUST WASHER
1
20
Детать
1
21
PIN CLUTCH DOG
1
22
SPRING CLUTCH DOG
1
23
PROPELLER SHAFT AY
1
24
GEAR-REVSEE PR BK On 1979-88 40 48 50-55 & 60 hp use part number tahos_433570 On 1975-78 Models use part number 433618
1
25
Детать
1
26
RET RING BRG HSG
2
27
O RING BRG HSG
1
28
Детать
1
29
NDLE BRG REV GEAR
1
30
NDLE BRG PROP SHFT
1
31
SEAL Early Production Double Seal
2
32
SCREW BRG HSG Contents of Gearcase Seal Kit
3
34
SCREW (005 per pack)
4
35
NUT
1
36
THRUST BRG.
1
37
GASKET 5 PK Contents of Gearcase Seal Kit (005 per pack)
1
38
GEARSET AY
1
39
SCREW-RET PLATE
4
40
SHIFT ROD STD (WRL Models Only. 20 in. (508mm) Models Only.)
1
40
(20 in. (508mm) Models Only.)
1
41
O RING 5 PK (005 per pack)
1
42
Детать
1
43
OIL RET 5 PK Early Production Double Seal (005 per pack)
1
44
OIL RETAINER
1
45
DRAIN FILL PLG 10P (010 per pack)
2
46
O-RING (010 per pack)
2
47
SEAL Contents of Gearcase Seal Kit
1
48
ROLLER BRG AY
1
49
Детать
0
49
SHIM DSHAFT .004
0
49
Детать
0
49
SHIM DSHAFT .006
0
49
SHIM DSHAFT .007
0
50
CVR&BUSH AY SHFTRD
1
51
O-RING (005 per pack)
1
52
D-SHAFT 20"
1
53
BRKT-WTR TUBE
1
54
GROMMET Also included in Water Pump Repair Kit 433549
1
55
PLATE LINER HSG Stainless Steel Also included in Water Pump Repair Kit 396932
1
56
PLATE IMP HSG Stainless Steel Also included in Water Pump Repair Kit 396932
1
58
SCREW (Contents of Water Pump Repair Kit.)
2
59
GROMMET Also included in Water Pump Repair Kit 396932
1
60
IMPELLER HSG Also included in Water Pump Repair Kit 396932
1
61
SEAL Also included in Water Pump Repair Kit 396932
1
63
O-RING
1
64
SEAL
1
65
TABTRIM-STD
1
66
SCREW (WRL Models Only. 20 in. (508mm) Models Only.)
4
67
LOCKWASHER (WRL Models Only. 20 in. (508mm) Models Only.)
4
68
SCREW
1
69
LOCKWASHER 4PK (004 per pack)
1
70
GROMMET
1
71
THRUST BUSHING
1
72
SPACER (005 per pack)
1
73
PROP NUT
1
74
COTTER PIN (010 per pack)
1
75
TIE STRAP 100PK (100 per pack)
1
76
SCREWTRIM TAB LNG (22.5 in. (571mm) Models Only.)
1
76
Детать
1
77
ANODE&INSERT AY
1
77
FILLER BLOCK 88 Models
1
79
SCREW ANODE
1
79
SCREW
1
80
ANODE & INSERT AY
1
81
SCREW-IMP HSG
2
82
LOCKWASHER
4
83
NUT
2
84
Детать
1
84
PROPAL 12.5X13
1
84
PROP AL 13 X 11
1
84
Детать
1
84
Детать
1
84
SS PROP 12X17
1
84
SS PROP 12 1/4X15
1
84
SS PROP 12 1/2X13
1
84
Детать
1
84
PROPAL 12 X 17
1
84
PROPAL 12.25 X 15
1
85
CONVERG RING45X
1
86
PROP HUB 50 & 75
1
87
Детать
1
88
KIT AYWATER PUMP
1
88
KIT AYWATER PUMP
1
89
ANODE KIT (Not Shown.)
1
90
SEAL KIT G-CASE
1
0332584
WASHER 5PK (005 per pack)
1
0396939
Not Shown
1
0396940
Not Shown
1