Оригинальные каталоги
Масла и жидкости
Масла моторные
Масла трансмиссионные
Жидкости гидравлические
Жидкости охлаждающие
Жидкости тормозные
Масла гидравлические
Масла для вилок и амортизаторов
Масла компрессорные
Жидкости для стекол
Масла для цепей бензопил
Масла индустриальные
Масла промывочные
Раствор мочевины AdBlue
Автоэлектроника
Видеорегистраторы
Пылесосы автомобильные
FM трансмиттеры
Зарядные устройства
Разветвители, удлинители прикуривателя
Кабели
Вентиляторы автомобильные
Штекер прикуривателя
Датчик парктроника
Камеры заднего вида
Мониторы парковочные
Парктроники
Термометры
Накидки на сиденье с подогревом
Автохолодильники
Антирадары
Диагностический сканер
Аксессуары
Набор автомобилиста
Ароматизаторы
Тросы буксировочные
Канистры
Ремни крепления груза
Стяжки-резинки крепления
Сетки для крепления груза
Скотч
Влажные салфетки
Держатели телефонов, планшетов
Карты памяти
Наушники
Аккумулятор холода
Термосумки и контейнеры
Фонарики
Батарейки
Оплетки на руль
Огнетушители
Салфетки, полотенца, варежки
Инструмент
Домкраты
Компрессоры
Манометры
Насосы
Светильники переносные
Шарнирно-губцевый инструмент
Ударный инструмент
Метчики. Плашки
Заклёпочники
Заклёпки
Измерительный инструмент
Свёрла
Отвёртки
Изолента
Надфили. Напильники
Ножи, ножовки
Щётки
Абразивная бумага
Специнструмент
Ключи
Хомуты
Дрель-шуруповерт
Автохимия
Присадки
Промывки
Очистители
Смазки спрей
Смазки пластичные
Герметики
Средство для рук
Клей
Лакокрасочные материалы
Автошампуни
Полироли
Антифриз для тормозной системы
Масло для пропитки фильтров
Антикоррозионные составы
Прочее
Электрооборудование
Зарядные устройства
Инверторы
Конвертеры
Звуковые сигналы
Провода прикуривания
Предохранители
Противотуманные фары
Дневные ходовые огни
Электрика фаркопа
Шины и диски
Автошины
Грузовые шины
Мотошины
Камеры
Мотокамеры
Лента обода шины
Колпаки
Диски
Одежда и экипировка
Жилеты
Запчасти
Аккумуляторы
Лампы
Щетки стеклоочистителя
Гофры глушителя
Велотовары
Велосипеды
Самокаты
Велокамеры
Искать по VIN или номеру детали
Поиск по штрих-коду
Искать по VIN-номеру
Войти
Авторизация
Логин
Пароль
Напомнить пароль
Запомнить
Войти
Зарегистрироваться
Авторизоваться другим способом
Востановить пароль
Введите ваш email:
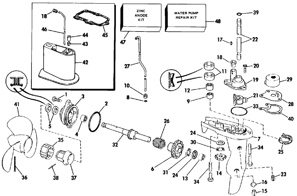
GEARCASE - 4RC & 4RLC MODELS
Корзина пуста
Evinrude
4 E4RCUD
4 E4RCUD
GEARCASE - 4RC & 4RLC MODELS
№
Наименование
Примечание
Кол-во
1
SCREW
2
2
O RING
1
3
BEARING HSG
1
4
BEARING AYNEEDLE
1
5
SEAL-D-SHAFT
2
6
GEAR-FOWARD
1
7
G-CASE AY 4HP
1
8
O RING
1
9
NEEDLE BRG
1
10
BUSHING
1
11
SEAL
2
12
BRG&SLEEVE
1
14
Детать
1
15
DRAIN FILL PLG 10P (010 per pack)
1
16
O-RING (010 per pack)
1
17
KEY (Contents of Water Pump Repair Kit.)
1
18
GROMMET WATER TUBE 5 INCH LONGER PARTS
1
18
5 in. LONGER PARTS
1
19
IMPELLER HSG.
1
20
SCREW WATER PUMP
3
21
IMPELLER & KEY KIT Also included in Water Pump Repair Kit 431785
1
22
Детать
1
22
5 in. LONGER PARTS
1
23
SCREW
1
24
THRUST WASHER
2
25
SCREEN
1
26
SPRING
1
27
SHIFT ROD
1
27
SHIFT ROD 5 INCH LONGER PARTS
1
28
PLATE WTR PMP
1
29
CUP-IMP HSG (Contents of Water Pump Repair Kit.)
1
30
THRUST BRG
1
31
THRUST BRG
1
32
PROPELLER SHAFT
1
33
SEALIMP HSG-PLATE
1
34
SCREW (005 per pack)
2
34
5 INCH LONGER PARTS
2
35
RINGPROP CLUTCH
1
36
COTTER PIN
1
37
CLUTCH HUB AY/PROP
1
38
DRIVE PIN 10PK (010 per pack)
1
39
O RING
1
40
GASKET
1
41
PL PROP 4 HP
1
42
G-CASE EXT AY 5 INCH LONGER PARTS
1
43
BUSHINGFLAT-STYLE (RL Models.)
1
44
SLEEVE (RL Models.)
1
45
GASKET
1
46
WATER TUBE 5 INCH LONGER PARTS
1
47
ZINC ANODE KIT OB
1
48
WTR PUMP KIT
1
0304454
LOCKWASHER
2
0306376
COTTER PIN
1
0306643
SCREW
2
0391736
Not Shown 5 in. LONGER PARTS
1
0396858
Детать
1
0396859
Детать
1