Оригинальные каталоги
Масла и жидкости
Масла моторные
Масла трансмиссионные
Жидкости гидравлические
Жидкости охлаждающие
Жидкости тормозные
Масла гидравлические
Масла для вилок и амортизаторов
Масла компрессорные
Жидкости для стекол
Масла для цепей бензопил
Масла индустриальные
Масла промывочные
Раствор мочевины AdBlue
Автоэлектроника
Видеорегистраторы
Пылесосы автомобильные
FM трансмиттеры
Зарядные устройства
Разветвители, удлинители прикуривателя
Кабели
Вентиляторы автомобильные
Штекер прикуривателя
Датчик парктроника
Камеры заднего вида
Мониторы парковочные
Парктроники
Термометры
Накидки на сиденье с подогревом
Автохолодильники
Антирадары
Диагностический сканер
Аксессуары
Набор автомобилиста
Ароматизаторы
Тросы буксировочные
Канистры
Ремни крепления груза
Стяжки-резинки крепления
Сетки для крепления груза
Скотч
Влажные салфетки
Держатели телефонов, планшетов
Карты памяти
Наушники
Аккумулятор холода
Термосумки и контейнеры
Фонарики
Батарейки
Оплетки на руль
Огнетушители
Салфетки, полотенца, варежки
Инструмент
Домкраты
Компрессоры
Манометры
Насосы
Светильники переносные
Шарнирно-губцевый инструмент
Ударный инструмент
Метчики. Плашки
Заклёпочники
Заклёпки
Измерительный инструмент
Свёрла
Отвёртки
Изолента
Надфили. Напильники
Ножи, ножовки
Щётки
Абразивная бумага
Специнструмент
Ключи
Хомуты
Дрель-шуруповерт
Автохимия
Присадки
Промывки
Очистители
Смазки спрей
Смазки пластичные
Герметики
Средство для рук
Клей
Лакокрасочные материалы
Автошампуни
Полироли
Антифриз для тормозной системы
Масло для пропитки фильтров
Антикоррозионные составы
Прочее
Электрооборудование
Зарядные устройства
Инверторы
Конвертеры
Звуковые сигналы
Провода прикуривания
Предохранители
Противотуманные фары
Дневные ходовые огни
Электрика фаркопа
Шины и диски
Автошины
Грузовые шины
Мотошины
Камеры
Мотокамеры
Лента обода шины
Колпаки
Диски
Одежда и экипировка
Жилеты
Запчасти
Аккумуляторы
Лампы
Щетки стеклоочистителя
Гофры глушителя
Велотовары
Велосипеды
Самокаты
Велокамеры
Искать по VIN или номеру детали
Поиск по штрих-коду
Искать по VIN-номеру
Войти
Авторизация
Логин
Пароль
Напомнить пароль
Запомнить
Войти
Зарегистрироваться
Авторизоваться другим способом
Востановить пароль
Введите ваш email:
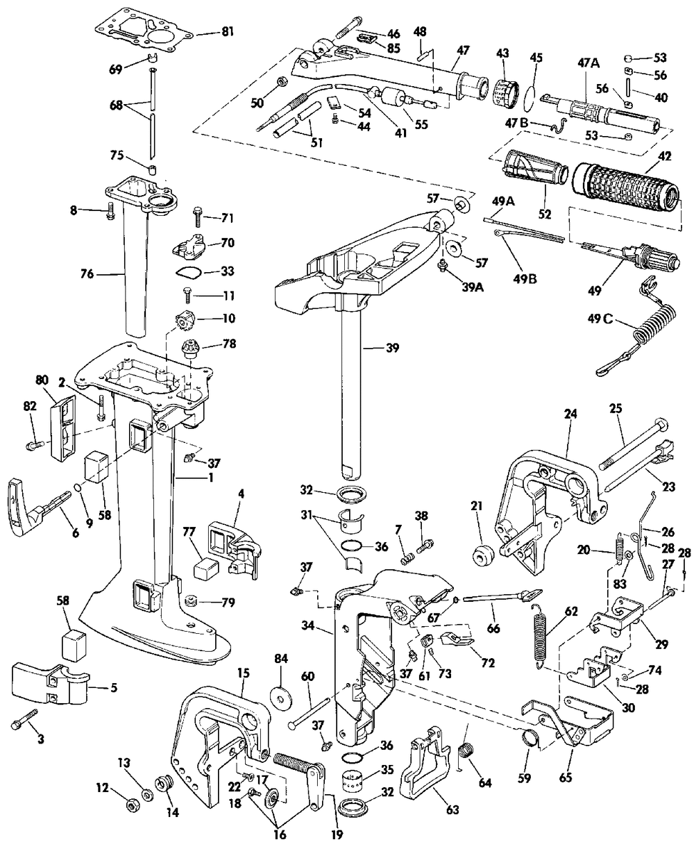
MIDSECTION
Корзина пуста
Evinrude
4 E4RDHCUD
4 E4RDHCUD
MIDSECTION
№
Наименование
Примечание
Кол-во
1
Детать
1
2
SCREW 5 INCH LONGER PARTS
6
3
SCREW
2
4
Детать
1
5
MNTG BRKT-LWR
1
6
SHIFT LVR & SHAFT
1
7
SPRINGSTEER FRICT DT models
1
8
SCREW
4
9
O RING
1
10
Детать
1
11
Детать
1
12
LOCK NUT (9.9 Rope Models. 9.9 Tiller Electric High Thrust Models. 15 Rope Models.)
1
13
WASHER
1
14
SPRING
1
15
Детать
1
16
C-SCREW KIT SST Stainless optional accessory
1
16
KIT AYCLAMPSCREW
1
17
PLATESWIVEL
1
18
SCREW-CLMPSCRW (005 per pack)
1
19
KITHANDLE&RIVET
2
20
SPRING
1
21
WASHER
1
22
SCREW
2
23
TILT PIN AY
1
24
Детать
1
25
BOLT
1
26
LINK
1
27
PIN
1
28
COTTER PIN 10PK (010 per pack)
3
29
LINK REV LOCK
1
30
Детать
1
31
FRICT PLT PAD BUSH
1
32
THRUST WSHR& SEAL
2
33
SEAL RING
1
34
BRACKET AYSWIVEL
1
35
Детать
1
36
O RING Contents of Gearcase Seal Kit
2
37
FITTING LUBE
4
38
SCREW
1
39
Детать
1
40
PIN
1
41
THROTTLE CBL AY
1
42
GRIP&HELIX AY
1
43
PLATE-THROTTLE
1
44
SCREW-BRKT-GR HSG
1
45
Except SEL Models
1
46
SCREW
1
47
Детать
1
47A
HNDL & RET AY
1
47B
RET CLIP
1
48
PIN
1
49
SERV KIT-STOP SW
1
49A
TERMSCKT (010 per pack)
1
49B
TERM. 61867-2
1
49C
CLIP & LANYARD A
1
50
NUT
1
51
SLEEVE
1
52
GRIP&HELIX AY
2
53
ROLLER
2
54
40R 50R Models EE EL ES Models TE Models Only
1
55
SEAL (FOAM)
1
56
GUIDE
2
57
BUSHING
2
58
RUBBER MOUNT
4
59
Детать
1
60
PIN
1
61
LVR-REV LOCK
1
62
SPRING
2
63
CARRY HANDLE&SPRG
1
64
TORSION SPRING
1
65
LINK&LEVER
1
66
TILT KNOB AY
1
67
O-RING (005 per pack)
1
68
WTR TUBE-STD
1
68
WTR TUBE-LNG
1
69
Детать
1
70
Детать
1
72
SPACER
1
73
SET SCREW DT models only
1
74
WASHER
1
75
Детать
1
76
Детать
1
77
THRUST MOUNT
1
78
PINION
1
79
GROMMET
1
80
EXH BAFFLE
1
81
GASKET
1
83
WASHER
0
84
WASHER
1
85
CLIP-RESTART (005 per pack)
1