Оригинальные каталоги
Масла и жидкости
Масла моторные
Масла трансмиссионные
Жидкости гидравлические
Жидкости охлаждающие
Жидкости тормозные
Масла гидравлические
Масла для вилок и амортизаторов
Масла компрессорные
Жидкости для стекол
Масла для цепей бензопил
Масла индустриальные
Масла промывочные
Раствор мочевины AdBlue
Автоэлектроника
Видеорегистраторы
Пылесосы автомобильные
FM трансмиттеры
Зарядные устройства
Разветвители, удлинители прикуривателя
Кабели
Вентиляторы автомобильные
Штекер прикуривателя
Датчик парктроника
Камеры заднего вида
Мониторы парковочные
Парктроники
Термометры
Накидки на сиденье с подогревом
Автохолодильники
Антирадары
Диагностический сканер
Аксессуары
Набор автомобилиста
Ароматизаторы
Тросы буксировочные
Канистры
Ремни крепления груза
Стяжки-резинки крепления
Сетки для крепления груза
Скотч
Влажные салфетки
Держатели телефонов, планшетов
Карты памяти
Наушники
Аккумулятор холода
Термосумки и контейнеры
Фонарики
Батарейки
Оплетки на руль
Огнетушители
Салфетки, полотенца, варежки
Инструмент
Домкраты
Компрессоры
Манометры
Насосы
Светильники переносные
Шарнирно-губцевый инструмент
Ударный инструмент
Метчики. Плашки
Заклёпочники
Заклёпки
Измерительный инструмент
Свёрла
Отвёртки
Изолента
Надфили. Напильники
Ножи, ножовки
Щётки
Абразивная бумага
Специнструмент
Ключи
Хомуты
Дрель-шуруповерт
Автохимия
Присадки
Промывки
Очистители
Смазки спрей
Смазки пластичные
Герметики
Средство для рук
Клей
Лакокрасочные материалы
Автошампуни
Полироли
Антифриз для тормозной системы
Масло для пропитки фильтров
Антикоррозионные составы
Прочее
Электрооборудование
Зарядные устройства
Инверторы
Конвертеры
Звуковые сигналы
Провода прикуривания
Предохранители
Противотуманные фары
Дневные ходовые огни
Электрика фаркопа
Шины и диски
Автошины
Грузовые шины
Мотошины
Камеры
Мотокамеры
Лента обода шины
Колпаки
Диски
Одежда и экипировка
Жилеты
Запчасти
Аккумуляторы
Лампы
Щетки стеклоочистителя
Гофры глушителя
Велотовары
Велосипеды
Самокаты
Велокамеры
Искать по VIN или номеру детали
Поиск по штрих-коду
Искать по VIN-номеру
Войти
Авторизация
Логин
Пароль
Напомнить пароль
Запомнить
Войти
Зарегистрироваться
Авторизоваться другим способом
Востановить пароль
Введите ваш email:
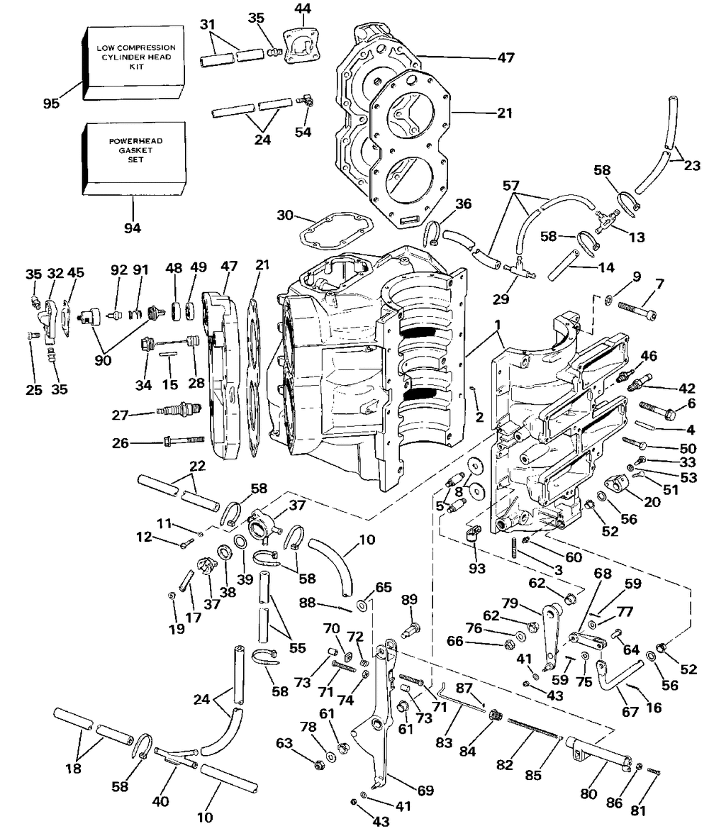
CYLINDER & CRANKCASE
Корзина пуста
Evinrude
140 E140TLCDC
140 E140TLCDC
CYLINDER & CRANKCASE
№
Наименование
Примечание
Кол-во
1
Детать
1
2
DOWEL
3
3
STUD
2
4
TAPER PIN-CYL.
1
5
STUD
2
6
SCREW
5
7
SCREW Models Using Upper Main Bolts tahos_tahos_ Cut to Length from 25 ft. (76m) Roll P/N 310828 .
1
8
WASHER SHIF LVR
2
9
FLAT WASHER
1
10
Детать
1
11
WASHER
2
12
SCREW
2
13
Детать
1
14
HOSE 1/8" X 25' (025 per pack)
1
15
Детать
3
16
COTTER PIN
1
17
ARM
1
18
HOSE
1
19
Детать
1
20
LEVER SHIFT ROD
1
21
HD GASKET LOOP V4
2
22
HOSE
1
23
HOSE 1/8" X 25' (025 per pack)
1
24
Детать
1
25
SCREW-PIVOT CAP
8
26
SCREW-CYL HEAD
28
27
SP PLG QL77JC4 (Optional.) (004 per pack)
4
28
Детать
2
29
TEE
1
30
GSKTRECT/REG H2O
1
31
HOSE
1
32
Детать
1
33
PIN - SHIFT LVR
1
34
COVER-TEMP.SWITCH
2
35
NIPPLE
3
36
TIE STRAP 100PK (100 per pack)
4
37
Детать
1
38
Детать
1
39
Детать
1
40
FITTINGTEE 30-DEG
1
41
WASHER
2
42
FLAME ARRESTOR AY
1
43
NUT
2
44
Детать
1
45
DIAPHRAGM
2
46
CHECK VALVE AY 5PK (005 per pack)
4
47
Детать
2
48
THERMOSTAT CUP
2
49
SEAT VALVE 5PK (005 per pack)
2
50
SCREW
8
51
SCREW
1
52
BUSHING
2
53
LOCKWASHER 5 PK (005 per pack)
1
54
ELBOW90DEG-5PK 40 HO 60 HP Models (005 per pack)
1
55
HOSE
1
56
WASHER
2
58
TIE STRAP 100PK (100 per pack)
0
59
COTTER PIN 10PK (010 per pack)
2
60
FITTING LUBE
1
61
BUSHING 5-PK (005 per pack)
2
63
LOCKNUT
1
64
PIN
1
65
WASHER (9.9 Rope Models. 9.9 Tiller Electric Models.)
1
67
Детать
1
68
Детать
1
69
Детать
1
70
NUT
1
71
SCREW
2
72
SPRING
1
73
CAP
2
74
NUT-SPARK ADJ
1
75
WASHER
1
76
WASHER
1
79
ARM AYSHIFT
1
80
Детать
1
81
SCREW LINK ASSY
1
82
SPRING
1
83
ROD
1
84
CAP
1
85
BUSHING
1
86
NUT-SCREW THRTL
1
87
PIN
1
89
Детать
1
90
THERMOSTAT AY
2
91
THERMOSTAT AY
1
92
VERNATHERM AY
1
93
CLAMP
1
94
PWHD GASKET SET
1
95
CYLINDER HEAD KIT
1