Оригинальные каталоги
Масла и жидкости
Масла моторные
Масла трансмиссионные
Жидкости гидравлические
Жидкости охлаждающие
Жидкости тормозные
Масла гидравлические
Масла для вилок и амортизаторов
Масла компрессорные
Жидкости для стекол
Масла для цепей бензопил
Масла индустриальные
Масла промывочные
Раствор мочевины AdBlue
Автоэлектроника
Видеорегистраторы
Пылесосы автомобильные
FM трансмиттеры
Зарядные устройства
Разветвители, удлинители прикуривателя
Кабели
Вентиляторы автомобильные
Штекер прикуривателя
Датчик парктроника
Камеры заднего вида
Мониторы парковочные
Парктроники
Термометры
Накидки на сиденье с подогревом
Автохолодильники
Антирадары
Диагностический сканер
Аксессуары
Набор автомобилиста
Ароматизаторы
Тросы буксировочные
Канистры
Ремни крепления груза
Стяжки-резинки крепления
Сетки для крепления груза
Скотч
Влажные салфетки
Держатели телефонов, планшетов
Карты памяти
Наушники
Аккумулятор холода
Термосумки и контейнеры
Фонарики
Батарейки
Оплетки на руль
Огнетушители
Салфетки, полотенца, варежки
Инструмент
Домкраты
Компрессоры
Манометры
Насосы
Светильники переносные
Шарнирно-губцевый инструмент
Ударный инструмент
Метчики. Плашки
Заклёпочники
Заклёпки
Измерительный инструмент
Свёрла
Отвёртки
Изолента
Надфили. Напильники
Ножи, ножовки
Щётки
Абразивная бумага
Специнструмент
Ключи
Хомуты
Дрель-шуруповерт
Автохимия
Присадки
Промывки
Очистители
Смазки спрей
Смазки пластичные
Герметики
Средство для рук
Клей
Лакокрасочные материалы
Автошампуни
Полироли
Антифриз для тормозной системы
Масло для пропитки фильтров
Антикоррозионные составы
Прочее
Электрооборудование
Зарядные устройства
Инверторы
Конвертеры
Звуковые сигналы
Провода прикуривания
Предохранители
Противотуманные фары
Дневные ходовые огни
Электрика фаркопа
Шины и диски
Автошины
Грузовые шины
Мотошины
Камеры
Мотокамеры
Лента обода шины
Колпаки
Диски
Одежда и экипировка
Жилеты
Запчасти
Аккумуляторы
Лампы
Щетки стеклоочистителя
Гофры глушителя
Велотовары
Велосипеды
Самокаты
Велокамеры
Искать по VIN или номеру детали
Поиск по штрих-коду
Искать по VIN-номеру
Войти
Авторизация
Логин
Пароль
Напомнить пароль
Запомнить
Войти
Зарегистрироваться
Авторизоваться другим способом
Востановить пароль
Введите ваш email:
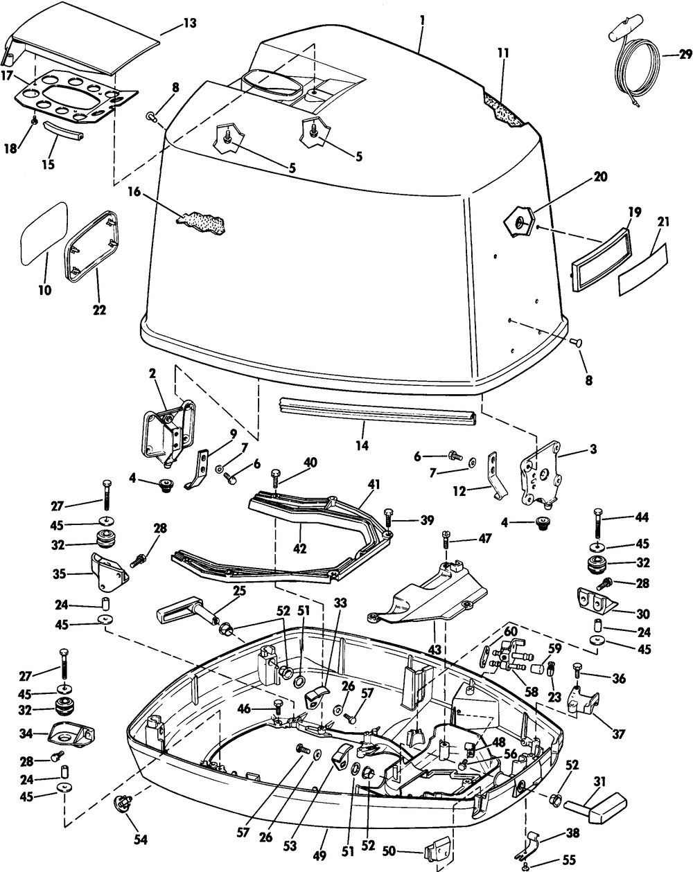
ENGINE COVER - JOHNSON
Корзина пуста
Evinrude
150 E150TXCOS
150 E150TXCOS
ENGINE COVER - JOHNSON
№
Наименование
Примечание
Кол-во
1
Детать
1
1
Детать
1
1
Детать
1
1
Детать
1
2
Детать
2
3
LOC BRKT BUMPER
1
4
Детать
1
5
SCREW Bracket to foam seal
1
5
SCREW Baffle to center frame
2
6
SCREW
6
7
WASHER
6
8
RIVET
12
9
HOOK-LOC BRKT
2
10
Детать
1
11
Детать
1
12
HOOK-LOC BRKT
1
13
TILT HANDLE
1
14
SEAL-MTR CVR BLK
1
16
Детать
1
17
BAFFLE
1
18
SCREW-BFL TILT HND
3
19
APPLIQUE
1
20
NUTPUSH ON
12
21
PLATE-APPLIQUE
1
21
Детать
1
21
Детать
1
21
PLATE
1
22
PLATE
1
23
TIE STRAP 100PK (100 per pack)
2
24
SPACER
4
25
LATCH & SHAFT
2
26
WASHER
3
27
SCREW
2
28
SCREW
8
29
ROPE & HNDL
1
30
SUPPORT
2
31
LATCH & SHAFT
1
32
GROMMET
4
33
HOOK-MTR CVR-LWR
1
34
SUPPORT
1
35
SUPPORT
1
36
SCREW
2
37
CLAMP
1
38
RETAINER
1
40
SCREW (005 per pack)
4
41
20" Transom Models Only
1
42
Детать
2
43
20" Transom Models Only
1
45
WASHER-MOUNT
6
48
CLAMP
1
49
COVER AYLWR MTR
1
50
Детать
1
51
WASHER Negative battery stud to center frame
3
52
BUSHING 5-PK (005 per pack)
6
53
HOOK-MTR CVR-REAR
2
54
NIPPLE MC LWR 5PK (005 per pack)
1
55
SCREW
1
56
Детать
1
57
SCREW
3
58
FUEL CONN.
1
59
PLUG PUMP HSG
1
60
SEAL 15KC Models Only
1
0393951
Not Shown
1
0397146
Not Shown
1