Оригинальные каталоги
Масла и жидкости
Масла моторные
Масла трансмиссионные
Жидкости гидравлические
Жидкости охлаждающие
Жидкости тормозные
Масла гидравлические
Масла для вилок и амортизаторов
Масла компрессорные
Жидкости для стекол
Масла для цепей бензопил
Масла индустриальные
Масла промывочные
Раствор мочевины AdBlue
Автоэлектроника
Видеорегистраторы
Пылесосы автомобильные
FM трансмиттеры
Зарядные устройства
Разветвители, удлинители прикуривателя
Кабели
Вентиляторы автомобильные
Штекер прикуривателя
Датчик парктроника
Камеры заднего вида
Мониторы парковочные
Парктроники
Термометры
Накидки на сиденье с подогревом
Автохолодильники
Антирадары
Диагностический сканер
Аксессуары
Набор автомобилиста
Ароматизаторы
Тросы буксировочные
Канистры
Ремни крепления груза
Стяжки-резинки крепления
Сетки для крепления груза
Скотч
Влажные салфетки
Держатели телефонов, планшетов
Карты памяти
Наушники
Аккумулятор холода
Термосумки и контейнеры
Фонарики
Батарейки
Оплетки на руль
Огнетушители
Салфетки, полотенца, варежки
Инструмент
Домкраты
Компрессоры
Манометры
Насосы
Светильники переносные
Шарнирно-губцевый инструмент
Ударный инструмент
Метчики. Плашки
Заклёпочники
Заклёпки
Измерительный инструмент
Свёрла
Отвёртки
Изолента
Надфили. Напильники
Ножи, ножовки
Щётки
Абразивная бумага
Специнструмент
Ключи
Хомуты
Дрель-шуруповерт
Автохимия
Присадки
Промывки
Очистители
Смазки спрей
Смазки пластичные
Герметики
Средство для рук
Клей
Лакокрасочные материалы
Автошампуни
Полироли
Антифриз для тормозной системы
Масло для пропитки фильтров
Антикоррозионные составы
Прочее
Электрооборудование
Зарядные устройства
Инверторы
Конвертеры
Звуковые сигналы
Провода прикуривания
Предохранители
Противотуманные фары
Дневные ходовые огни
Электрика фаркопа
Шины и диски
Автошины
Грузовые шины
Мотошины
Камеры
Мотокамеры
Лента обода шины
Колпаки
Диски
Одежда и экипировка
Жилеты
Запчасти
Аккумуляторы
Лампы
Щетки стеклоочистителя
Гофры глушителя
Велотовары
Велосипеды
Самокаты
Велокамеры
Искать по VIN или номеру детали
Поиск по штрих-коду
Искать по VIN-номеру
Войти
Авторизация
Логин
Пароль
Напомнить пароль
Запомнить
Войти
Зарегистрироваться
Авторизоваться другим способом
Востановить пароль
Введите ваш email:
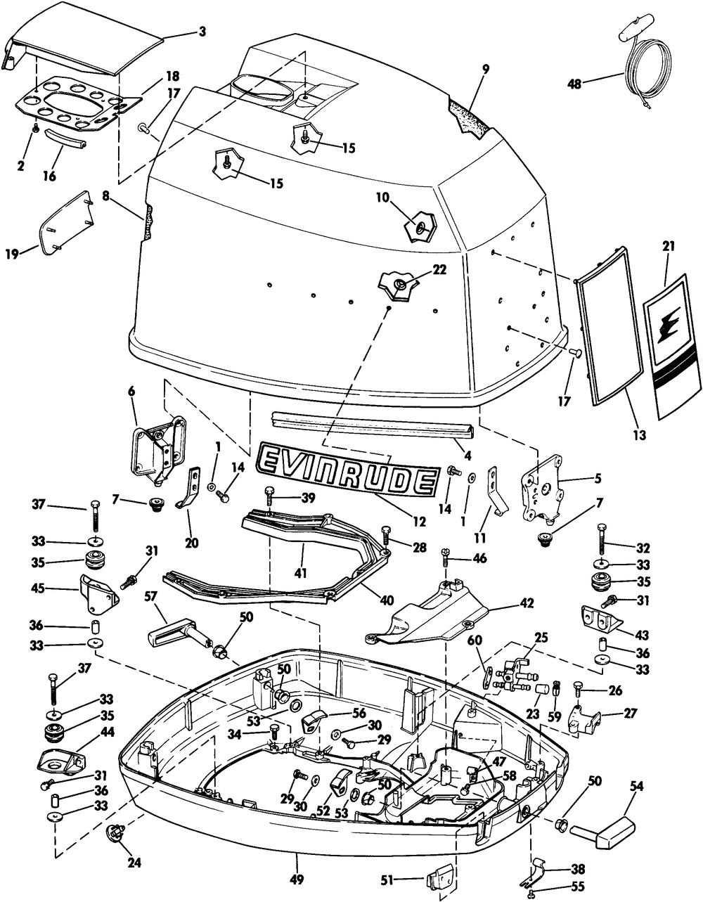
ENGINE COVER - EVINRUDE
Корзина пуста
Evinrude
150 E150TXCOS
150 E150TXCOS
ENGINE COVER - EVINRUDE
№
Наименование
Примечание
Кол-во
1
WASHER
6
2
SCREW-BFL TILT HND
3
3
TILT HANDLE
1
4
SEAL-MTR CVR BLK
1
5
LOC BRKT BUMPER
1
6
Детать
2
7
Детать
1
8
Детать
1
9
Детать
1
10
NUTPUSH ON
7
11
HOOK-LOC BRKT
1
12
Детать
2
13
APPLIQUE
1
14
SCREW
6
15
SCREW Bracket to foam seal
1
15
SCREW Baffle to center frame
2
16
Детать
1
17
RIVET
12
18
BAFFLE
1
19
Детать
1
19
APPLIQUE
1
19
APPLIQUE-RR
1
19
APPLIQUE
1
20
HOOK-LOC BRKT
2
21
PLATE-APPLIQUE
1
22
FASTENER 5PK (005 per pack)
14
23
PLUG PUMP HSG
1
24
NIPPLE MC LWR 5PK (005 per pack)
1
25
FUEL CONN.
1
26
SCREW
2
27
CLAMP
1
28
SCREW
2
29
SCREW
3
30
WASHER
3
32
SCREW
2
33
WASHER-MOUNT
6
35
GROMMET
4
36
SPACER
4
38
RETAINER
1
39
SCREW (005 per pack)
4
40
20" Transom Models Only
1
41
Детать
2
42
20" Transom Models Only
1
43
SUPPORT
2
44
SUPPORT
1
45
SUPPORT
1
47
CLAMP
1
48
ROPE & HNDL
1
49
COVER AYLWR MTR
1
50
BUSHING 5-PK (005 per pack)
6
51
Детать
1
52
HOOK-MTR CVR-REAR
2
53
WASHER Negative battery stud to center frame
3
54
LATCH & SHAFT
1
55
SCREW
1
56
HOOK-MTR CVR-LWR
1
57
LATCH & SHAFT
2
58
Детать
1
59
CLAMP-RETURN LINE
1
60
SEAL 15KC Models Only
1
0210560
Not Shown
1
0282361
Not Shown
1
0282362
Not Shown
1
0282363
Not Shown
1
0282446
Not Shown
1
0282932
Not Shown
1