Оригинальные каталоги
Масла и жидкости
Масла моторные
Масла трансмиссионные
Жидкости гидравлические
Жидкости охлаждающие
Жидкости тормозные
Масла гидравлические
Масла для вилок и амортизаторов
Масла компрессорные
Жидкости для стекол
Масла для цепей бензопил
Масла индустриальные
Масла промывочные
Раствор мочевины AdBlue
Автоэлектроника
Видеорегистраторы
Пылесосы автомобильные
FM трансмиттеры
Зарядные устройства
Разветвители, удлинители прикуривателя
Кабели
Вентиляторы автомобильные
Штекер прикуривателя
Датчик парктроника
Камеры заднего вида
Мониторы парковочные
Парктроники
Термометры
Накидки на сиденье с подогревом
Автохолодильники
Антирадары
Диагностический сканер
Аксессуары
Набор автомобилиста
Ароматизаторы
Тросы буксировочные
Канистры
Ремни крепления груза
Стяжки-резинки крепления
Сетки для крепления груза
Скотч
Влажные салфетки
Держатели телефонов, планшетов
Карты памяти
Наушники
Аккумулятор холода
Термосумки и контейнеры
Фонарики
Батарейки
Оплетки на руль
Огнетушители
Салфетки, полотенца, варежки
Инструмент
Домкраты
Компрессоры
Манометры
Насосы
Светильники переносные
Шарнирно-губцевый инструмент
Ударный инструмент
Метчики. Плашки
Заклёпочники
Заклёпки
Измерительный инструмент
Свёрла
Отвёртки
Изолента
Надфили. Напильники
Ножи, ножовки
Щётки
Абразивная бумага
Специнструмент
Ключи
Хомуты
Дрель-шуруповерт
Автохимия
Присадки
Промывки
Очистители
Смазки спрей
Смазки пластичные
Герметики
Средство для рук
Клей
Лакокрасочные материалы
Автошампуни
Полироли
Антифриз для тормозной системы
Масло для пропитки фильтров
Антикоррозионные составы
Прочее
Электрооборудование
Зарядные устройства
Инверторы
Конвертеры
Звуковые сигналы
Провода прикуривания
Предохранители
Противотуманные фары
Дневные ходовые огни
Электрика фаркопа
Шины и диски
Автошины
Грузовые шины
Мотошины
Камеры
Мотокамеры
Лента обода шины
Колпаки
Диски
Одежда и экипировка
Жилеты
Запчасти
Аккумуляторы
Лампы
Щетки стеклоочистителя
Гофры глушителя
Велотовары
Велосипеды
Самокаты
Велокамеры
Искать по VIN или номеру детали
Поиск по штрих-коду
Искать по VIN-номеру
Войти
Авторизация
Логин
Пароль
Напомнить пароль
Запомнить
Войти
Зарегистрироваться
Авторизоваться другим способом
Востановить пароль
Введите ваш email:
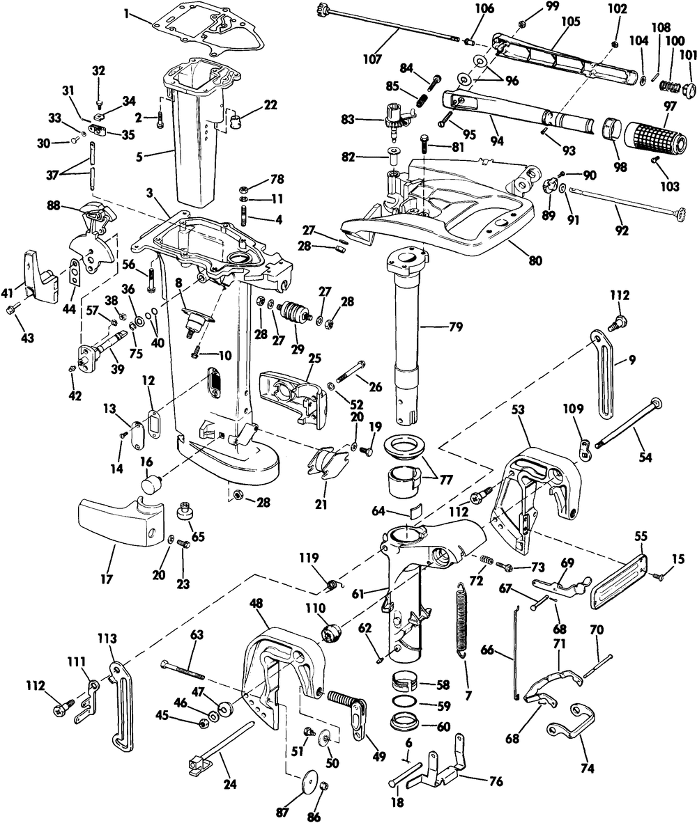
MIDSECTION - ROPE START AND TILLER ELECTRIC
Корзина пуста
Evinrude
20 E20CRLCOS
20 E20CRLCOS
MIDSECTION - ROPE START AND TILLER ELECTRIC
№
Наименование
Примечание
Кол-во
1
GASKET
1
2
SCREW EXH HSG
6
3
Parts Also Used on 25RAC-25RALC Models. Parts Also Used on 20BFC-20BFLC-25BAC-25BALC-25IRC-25IRLC-25SRC-25SRLC. USE 4
1
4
STUD
2
5
TUBEEXHAUST-INNER
1
6
COTTER PIN 10PK (010 per pack)
1
7
SPRING
1
8
RUBBER MOUNT
2
9
LINK-TILT STOP
1
10
SCREW
4
11
WASHER
2
12
GASKET
1
13
COVER PLATE
1
14
SCREW (004 per pack)
2
15
SCREW
4
16
RUBBER MOUNT
2
17
HSG-LWR MT-STBD
1
18
PIN-LINK
1
19
SCREW NEGATIVE
2
20
WASHER
4
21
RUBBR MOUNTLOWER
1
22
GROMMET (005 per pack)
1
23
SCREW
2
24
TILT PIN AY
1
25
HSG-LWR MT-PORT
1
26
SCREW
2
27
WASHER
4
28
NUT
6
29
RUBBER MOUNT
1
30
PIN
1
32
SCREW SHIFT ROD
1
33
BOW WASHER
1
34
CLIP
1
35
LEVER SHIFT ROD
1
36
WASHER
2
37
SHIFT ROD-STD
1
37
SHIFT ROD-LNG
1
38
NUT
2
39
ADJ LEVER & SHAFT
1
40
O-RING Included in "FUEL PUMP REPAIR KIT"
2
41
SHIFT LEVER
1
42
FITTING LUBE
1
43
SCREW
2
44
SPACER
1
45
LOCK NUT (9.9 Rope Models. 9.9 Tiller Electric High Thrust Models. 15 Rope Models.)
1
46
WASHER
1
47
SPRING
1
48
Детать
1
49
C-SCREW KIT SST Stainless optional accessory
1
49
KIT AYCLAMPSCREW
1
50
PLATESWIVEL
1
51
SCREW-CLMPSCRW (005 per pack)
1
52
WASHER
2
53
BRKT & SHIM AY
1
54
TILT BOLT
1
55
STRAP
1
56
SCREW-EXH HSG
4
57
LOCKWASHER (005 per pack)
2
58
BUSHING
1
59
O RING Included in Powerhead Gasket & Seal Kit
1
60
WASHER
1
61
Детать
1
63
SCREW & NUT AY
2
64
Детать
1
65
BUMPER
1
66
LINK
1
67
SHAFT
1
69
ARMMAN-LOCK LVR
1
70
ROD
1
71
LOCKING LEVER
1
72
SPRINGSTEER FRICT DT models
1
73
SCREW STRG ADJ
1
74
LINK
1
75
RETAINER
1
76
Детать
1
77
Детать
1
78
LOCKNUT
2
79
PILOT SHAFT
1
80
STEERING BRACKET
1
81
SCREW Contents of GEARCASE SEAL KIT
4
82
Детать
1
83
GEAR AYTHTTL
1
84
KIT AYSCREW&SPR
1
85
SPRING
1
87
WASHER SB
2
88
ACTUATOR CAMSHIFT
1
89
Детать
1
90
SCREW
1
91
BUSHING
2
92
GEAR&SHAFT-SHORT
1
93
SCREW
2
94
Детать
1
95
Детать
1
96
WASHER
2
97
Детать
1
98
PLATE-THROTTLE
1
99
NUT-STUD
1
100
Детать
1
101
BLOCK
1
102
NUT
2
103
Детать
1
104
WASHER
1
105
Детать
1
106
BUSHING STRG HNDL
1
107
GEAR&SHAFT
1
108
GROOVE PIN
1
109
LINK (9.9 Rope Models. 9.9 Tiller Electric High Thrust Models. 15 Rope Models.)
1
110
WASHER
2
111
Детать
1
112
SCREW-SHOULDER
4
113
Детать
1
114
SPRING
1
0391273
Not Shown
1