| № | Наименование | Примечание | Кол-во |
|---|---|---|---|
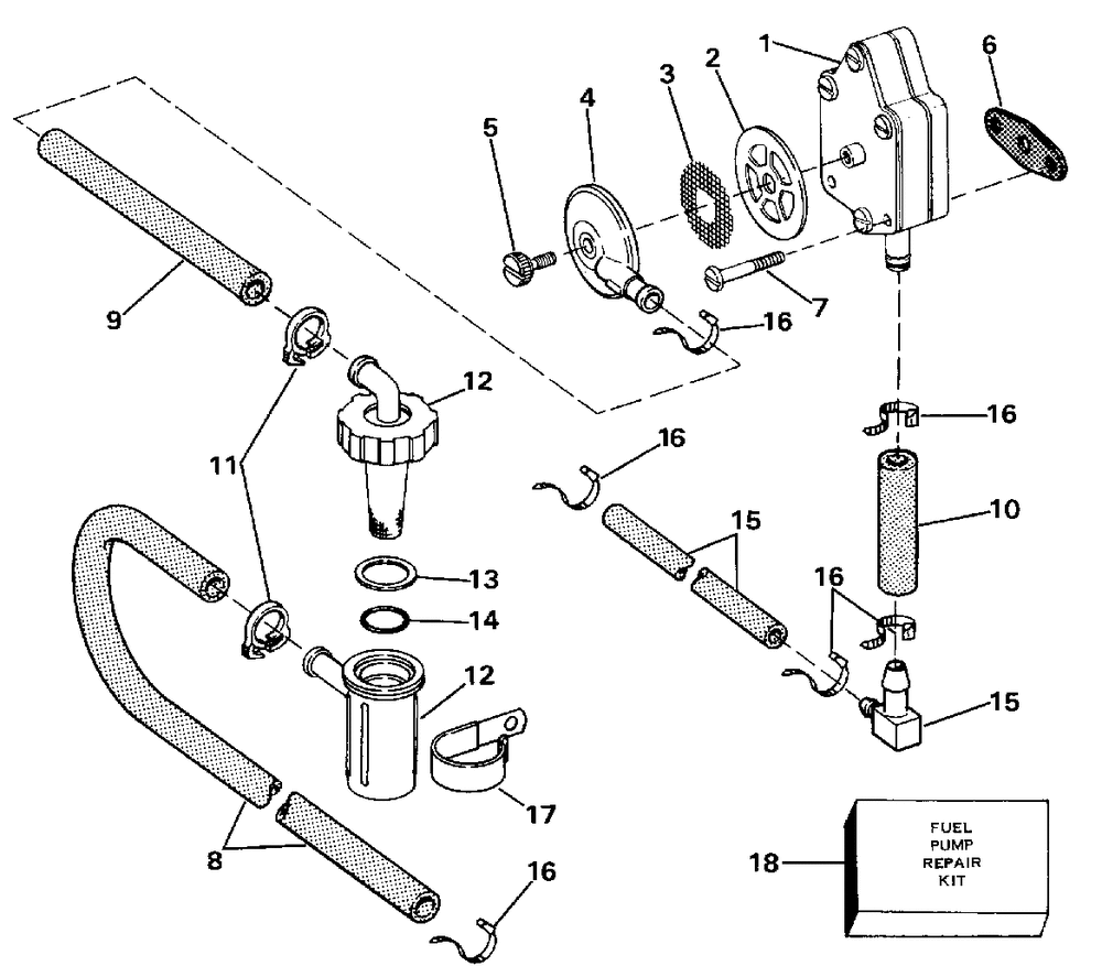
| 1 | PUMP AYFUEL | 1 | |
| 2 | GASKET 5PK (005 per pack) | 1 | |
| 3 | SCREEN | 1 | |
| 4 | KIT AYCAP-F PUMP | 1 | |
| 5 | SCREW | 1 | |
| 6 | GASKET 5 PK (Also Available in Fuel Pump Repair Kit.) (005 per pack) | 1 | |
| 7 | SCREW | 2 | |
| 11 | SNAP CLAMP tahos_8 25PK (025 per pack) | 2 | |
| 12 | FUEL FILTER-5/16" | 1 | |
| 13 | GASKETFUEL FILTR | 1 | |
| 14 | BRACKET-STARTER Optional | 1 | |
| 15 | ELBOW | 1 | |
| 16 | TIE STRAP 100PK (100 per pack) | 4 | |
| 17 | CLAMP | 1 | |
| 18 | FUEL PMP REP KIT | 1 |
