Оригинальные каталоги
Масла и жидкости
Масла моторные
Масла трансмиссионные
Жидкости гидравлические
Жидкости охлаждающие
Жидкости тормозные
Масла гидравлические
Масла для вилок и амортизаторов
Масла компрессорные
Жидкости для стекол
Масла для цепей бензопил
Масла индустриальные
Масла промывочные
Раствор мочевины AdBlue
Автоэлектроника
Видеорегистраторы
Пылесосы автомобильные
FM трансмиттеры
Зарядные устройства
Разветвители, удлинители прикуривателя
Кабели
Вентиляторы автомобильные
Штекер прикуривателя
Датчик парктроника
Камеры заднего вида
Мониторы парковочные
Парктроники
Термометры
Накидки на сиденье с подогревом
Автохолодильники
Антирадары
Диагностический сканер
Аксессуары
Набор автомобилиста
Ароматизаторы
Тросы буксировочные
Канистры
Ремни крепления груза
Стяжки-резинки крепления
Сетки для крепления груза
Скотч
Влажные салфетки
Держатели телефонов, планшетов
Карты памяти
Наушники
Аккумулятор холода
Термосумки и контейнеры
Фонарики
Батарейки
Оплетки на руль
Огнетушители
Салфетки, полотенца, варежки
Инструмент
Домкраты
Компрессоры
Манометры
Насосы
Светильники переносные
Шарнирно-губцевый инструмент
Ударный инструмент
Метчики. Плашки
Заклёпочники
Заклёпки
Измерительный инструмент
Свёрла
Отвёртки
Изолента
Надфили. Напильники
Ножи, ножовки
Щётки
Абразивная бумага
Специнструмент
Ключи
Хомуты
Дрель-шуруповерт
Автохимия
Присадки
Промывки
Очистители
Смазки спрей
Смазки пластичные
Герметики
Средство для рук
Клей
Лакокрасочные материалы
Автошампуни
Полироли
Антифриз для тормозной системы
Масло для пропитки фильтров
Антикоррозионные составы
Прочее
Электрооборудование
Зарядные устройства
Инверторы
Конвертеры
Звуковые сигналы
Провода прикуривания
Предохранители
Противотуманные фары
Дневные ходовые огни
Электрика фаркопа
Шины и диски
Автошины
Грузовые шины
Мотошины
Камеры
Мотокамеры
Лента обода шины
Колпаки
Диски
Одежда и экипировка
Жилеты
Запчасти
Аккумуляторы
Лампы
Щетки стеклоочистителя
Гофры глушителя
Велотовары
Велосипеды
Самокаты
Велокамеры
Искать по VIN или номеру детали
Поиск по штрих-коду
Искать по VIN-номеру
Войти
Авторизация
Логин
Пароль
Напомнить пароль
Запомнить
Войти
Зарегистрироваться
Авторизоваться другим способом
Востановить пароль
Введите ваш email:
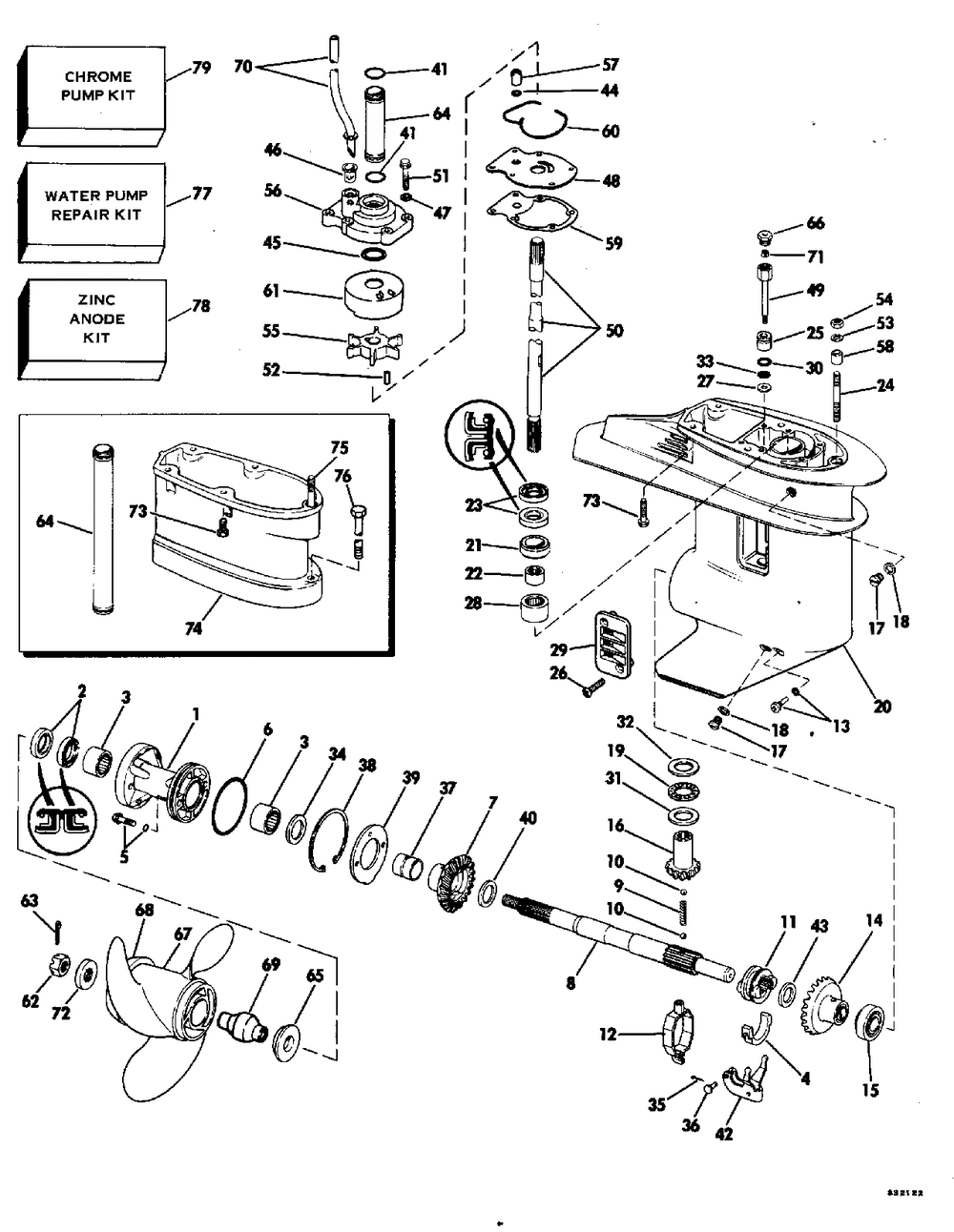
GEARCASE - 35
Корзина пуста
Evinrude
35 E35ECTS
35 E35ECTS
GEARCASE - 35
№
Наименование
Примечание
Кол-во
*
SHIFT ROD-LNG
1
1
PS BRG HSG&SEAL AY
1
2
OIL SEAL Contents of Gearcase Seal Kit (005 per pack)
2
3
BRG AY NEEDLE
2
4
CRADLE CLUTCH DOG
1
5
SST SCREW
2
6
O-RING (005 per pack)
1
7
GEAR REV 14:27
1
7
Детать
1
8
FF PROP SHAFT AY
1
9
SPRING
1
10
BALL DETENT (005 per pack)
2
11
FF SHIFTER C DOG
1
12
YOKE & CONNECTOR
1
13
PIVOT PIN & WASHER
1
14
GEAR & BUSHNGFWD
1
15
ROLLER BRG AY
1
16
PINION GEAR14:27
1
17
DRAIN FILL PLG 10P (010 per pack)
2
18
WASHER-10 PK (010 per pack)
1
19
THRUST BRG AY
1
20
Детать
1
21
BEARING HSG DSHAFT
1
22
BEARING AY
1
23
OIL RET BRG HSG DS Contents of Gearcase Seal Kit
2
24
FF STUD
1
25
BUSHING
1
26
SCREW (005 per pack)
4
27
WASHER Contents of Gearcase Seal Kit
1
29
SCREENWATER INLET
2
30
O RING Contents of Gearcase Seal Kit
1
31
THRUST WASHER
1
32
THRUST WASHER-UPR
1
33
O RING Contents of Gearcase Seal Kit (005 per pack)
1
34
FF THRUST WASHER
1
35
COTTER PIN 10PK (010 per pack)
1
36
PIN
1
37
FF BUSHING REV GR
1
38
FF RETAINING RING
1
39
FF RETAINER PLATE
1
40
FF THRUST WASHER
1
41
O RING
2
42
FF LEVER SHIFTING
1
43
FF THRUST WASHER
1
45
O RING Contents of Gearcase Seal Kit
1
46
GROMMET (005 per pack)
1
47
WASHER
6
48
PLATE
1
49
KIT AYSHIFT ROD
1
50
Детать
1
50
DRIVESHAFT 15"
1
51
SCREW Also included in kit 388891
6
52
DOWEL (Contents of Water Pump Repair Kit. RL RVL EL EVL Models.)
1
53
LOCKWASHER
1
53
LOCKWASHER
1
54
NUT
1
55
IMPELLER AY. Also included in Water Pump Repair Kit 394393
1
56
IMP HSG & BUSH AY
1
57
BUSHING
1
58
BUSHING
1
59
GASKET
1
60
SEAL Contents of Gearcase Seal Kit
1
61
CUP IMP HSG
1
62
FF PROP NUT
1
63
FF COTTER PIN 5PK (005 per pack)
1
64
SPACER STD/SHORT
1
64
SPACER LONG
1
65
FF THRUST BUSHING
1
66
CONNCTRSHFT ROD
1
67
PROPAL 11 X 9 RH
1
67
PROP AL 10 X 15
1
67
PROPSS-10X11 3BLD
1
67
Детать
1
67
PROPSST 10X13
1
67
PROP AYSS-10X15-3
1
67
Детать
1
67
PROPAL 10.5X11 RH
1
67
Детать
1
67
PROPAL/10.3X13
1
67
Детать
1
68
CONVERGING RING
1
69
Детать
1
70
5 INCH LONGER PARTS
1
70
Детать
1
71
KEEPER
1
72
SPACER PROP NUT
1
73
SCREW
4
73
SCREW
4
74
(Optional.)
1
76
SCREW G/C EXTN 20 INCH (508mm) LONG PARTS
1
77
WTR PUMP KIT
1
78
ZINC ANODE KIT OB
1
79
Детать
1
0317178
SEAL (010 per pack)
1
0325974
RUBBER MOUNT
2
0325975
RUBBER MOUNT
2
0392939
Not Shown
1
0393069
Not Shown
1