Оригинальные каталоги
Масла и жидкости
Масла моторные
Масла трансмиссионные
Жидкости гидравлические
Жидкости охлаждающие
Жидкости тормозные
Масла гидравлические
Масла для вилок и амортизаторов
Масла компрессорные
Жидкости для стекол
Масла для цепей бензопил
Масла индустриальные
Масла промывочные
Раствор мочевины AdBlue
Автоэлектроника
Видеорегистраторы
Пылесосы автомобильные
FM трансмиттеры
Зарядные устройства
Разветвители, удлинители прикуривателя
Кабели
Вентиляторы автомобильные
Штекер прикуривателя
Датчик парктроника
Камеры заднего вида
Мониторы парковочные
Парктроники
Термометры
Накидки на сиденье с подогревом
Автохолодильники
Антирадары
Диагностический сканер
Аксессуары
Набор автомобилиста
Ароматизаторы
Тросы буксировочные
Канистры
Ремни крепления груза
Стяжки-резинки крепления
Сетки для крепления груза
Скотч
Влажные салфетки
Держатели телефонов, планшетов
Карты памяти
Наушники
Аккумулятор холода
Термосумки и контейнеры
Фонарики
Батарейки
Оплетки на руль
Огнетушители
Салфетки, полотенца, варежки
Инструмент
Домкраты
Компрессоры
Манометры
Насосы
Светильники переносные
Шарнирно-губцевый инструмент
Ударный инструмент
Метчики. Плашки
Заклёпочники
Заклёпки
Измерительный инструмент
Свёрла
Отвёртки
Изолента
Надфили. Напильники
Ножи, ножовки
Щётки
Абразивная бумага
Специнструмент
Ключи
Хомуты
Дрель-шуруповерт
Автохимия
Присадки
Промывки
Очистители
Смазки спрей
Смазки пластичные
Герметики
Средство для рук
Клей
Лакокрасочные материалы
Автошампуни
Полироли
Антифриз для тормозной системы
Масло для пропитки фильтров
Антикоррозионные составы
Прочее
Электрооборудование
Зарядные устройства
Инверторы
Конвертеры
Звуковые сигналы
Провода прикуривания
Предохранители
Противотуманные фары
Дневные ходовые огни
Электрика фаркопа
Шины и диски
Автошины
Грузовые шины
Мотошины
Камеры
Мотокамеры
Лента обода шины
Колпаки
Диски
Одежда и экипировка
Жилеты
Запчасти
Аккумуляторы
Лампы
Щетки стеклоочистителя
Гофры глушителя
Велотовары
Велосипеды
Самокаты
Велокамеры
Искать по VIN или номеру детали
Поиск по штрих-коду
Искать по VIN-номеру
Войти
Авторизация
Логин
Пароль
Напомнить пароль
Запомнить
Войти
Зарегистрироваться
Авторизоваться другим способом
Востановить пароль
Введите ваш email:
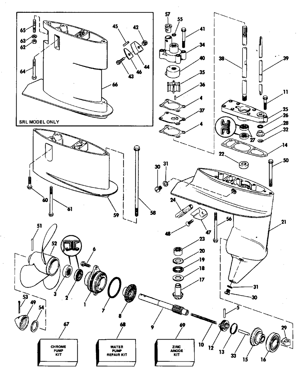
GEARCASE
Корзина пуста
Evinrude
4.50 E5RHLCTA
4.50 E5RHLCTA
GEARCASE
№
Наименование
Примечание
Кол-во
1
Детать
1
2
SEAL-PROP SHFT
1
3
SEAL-PROP SHFT
1
4
GASKET (Contents of Water Pump Repair Kit.)
2
5
PIN
1
6
SCREW
2
7
O-RING
1
8
Детать
1
9
SHAFT PROPELLER
1
10
Детать
1
11
SCREW
3
12
SHIFTER
1
13
RETAINER(SPRING)
1
14
GASKET
1
15
GEAR AYFORWARD
1
16
ROLLER BRG AY
1
17
PINIOND-SHAFT
1
18
THRUST WASHER
1
19
THRUST BRG AY-PIN
1
20
THRUST WASHER
1
21
Детать
1
22
BRG&SLEEVE
1
23
BEARING AY
1
24
KITSCREEN&PLUG AY
1
25
G/C CVR & SEAL AY
1
26
O RING
1
27
SEAL-D-SHAFT
2
28
BUSHING
1
29
CAM
1
30
DRAIN FILL PLG 10P (010 per pack)
2
31
WASHER-10 PK (010 per pack)
1
32
RET RING
1
33
PLUNGER
1
34
IMPELLER HSG
1
35
IMPELLER (Contents of Water Pump Repair Kit.)
1
36
DOWEL (Contents of Water Pump Repair Kit. RL RVL EL EVL Models.)
1
37
PLATE-IMP HSG (Contents of Water Pump Repair Kit.)
1
38
D-SHAFT 15"4-8HP Except 8SRL Model
1
38
5 INCH LONGER PARTS
1
38
D-SHAFT 25" 4 8SRL Only
1
39
SHIFT ROD 8SRL Only
1
39
SHIFT ROD-STD
1
39
E4RDHLETB J4RDHLETB 5 INCH LONGER PARTS
1
40
CUP-IMP HSG (Contents of Water Pump Repair Kit.)
1
41
SCREW-IMP HSG
4
42
NUT
1
43
SCREW 5 PK (005 per pack)
1
44
EXHAUST PLUG 8 Sail Models (8RX)
1
45
8 Sail Models (8RX)
1
46
PLATE 8 Sail Models (8RX)
2
47
ANODE KIT
1
48
SCREW-TIE BAR
1
49
CAP-PROP SHFT
1
50
SCREW
1
51
DRIVE PIN 5 PK (005 per pack)
1
52
Детать
1
52
PROPAL 8.5 X 9
1
52
PROPAL 8X7/PIN
1
53
COTTER PIN 10 PK (010 per pack)
1
54
THRUST WASHER
1
55
O RING
1
56
SCREW DPS manifold to trim manifold
2
57
GROMMET WATER TUBE 5 INCH LONGER PARTS
1
57
GROMMET (005 per pack)
1
58
SCREW
1
59
G-CSE EXT AY
1
62
NUT
1
63
LOCKWASHER
1
65
STUD 8 Sail Models (8RX)
1
66
GEARCASE EXTENSION 8SRL Only
1
67
Детать
1
68
WTR PUMP REP KIT
1
69
ANODE KIT
1
0202893
O-RING (005 per pack)
1
0320025
EXTENSION WTR TUBE (RL Models.)
1
0323286
Детать
1
0324601
WTR TUBE-LNG
1
0324604
Детать
1
0324611
GASKET
1
0389631
Not Shown
1
0389632
Not Shown
1
0389979
Not Shown 5 INCH LONGER PARTS
1
0390341
5/6/8 Models Not Shown 5 INCH LONGER PARTS
1
0392178
Not Shown
1