Оригинальные каталоги
Масла и жидкости
Масла моторные
Масла трансмиссионные
Жидкости гидравлические
Жидкости охлаждающие
Жидкости тормозные
Масла гидравлические
Масла для вилок и амортизаторов
Масла компрессорные
Жидкости для стекол
Масла для цепей бензопил
Масла индустриальные
Масла промывочные
Раствор мочевины AdBlue
Автоэлектроника
Видеорегистраторы
Пылесосы автомобильные
FM трансмиттеры
Зарядные устройства
Разветвители, удлинители прикуривателя
Кабели
Вентиляторы автомобильные
Штекер прикуривателя
Датчик парктроника
Камеры заднего вида
Мониторы парковочные
Парктроники
Термометры
Накидки на сиденье с подогревом
Автохолодильники
Антирадары
Диагностический сканер
Аксессуары
Набор автомобилиста
Ароматизаторы
Тросы буксировочные
Канистры
Ремни крепления груза
Стяжки-резинки крепления
Сетки для крепления груза
Скотч
Влажные салфетки
Держатели телефонов, планшетов
Карты памяти
Наушники
Аккумулятор холода
Термосумки и контейнеры
Фонарики
Батарейки
Оплетки на руль
Огнетушители
Салфетки, полотенца, варежки
Инструмент
Домкраты
Компрессоры
Манометры
Насосы
Светильники переносные
Шарнирно-губцевый инструмент
Ударный инструмент
Метчики. Плашки
Заклёпочники
Заклёпки
Измерительный инструмент
Свёрла
Отвёртки
Изолента
Надфили. Напильники
Ножи, ножовки
Щётки
Абразивная бумага
Специнструмент
Ключи
Хомуты
Дрель-шуруповерт
Автохимия
Присадки
Промывки
Очистители
Смазки спрей
Смазки пластичные
Герметики
Средство для рук
Клей
Лакокрасочные материалы
Автошампуни
Полироли
Антифриз для тормозной системы
Масло для пропитки фильтров
Антикоррозионные составы
Прочее
Электрооборудование
Зарядные устройства
Инверторы
Конвертеры
Звуковые сигналы
Провода прикуривания
Предохранители
Противотуманные фары
Дневные ходовые огни
Электрика фаркопа
Шины и диски
Автошины
Грузовые шины
Мотошины
Камеры
Мотокамеры
Лента обода шины
Колпаки
Диски
Одежда и экипировка
Жилеты
Запчасти
Аккумуляторы
Лампы
Щетки стеклоочистителя
Гофры глушителя
Велотовары
Велосипеды
Самокаты
Велокамеры
Искать по VIN или номеру детали
Поиск по штрих-коду
Искать по VIN-номеру
Войти
Авторизация
Логин
Пароль
Напомнить пароль
Запомнить
Войти
Зарегистрироваться
Авторизоваться другим способом
Востановить пароль
Введите ваш email:
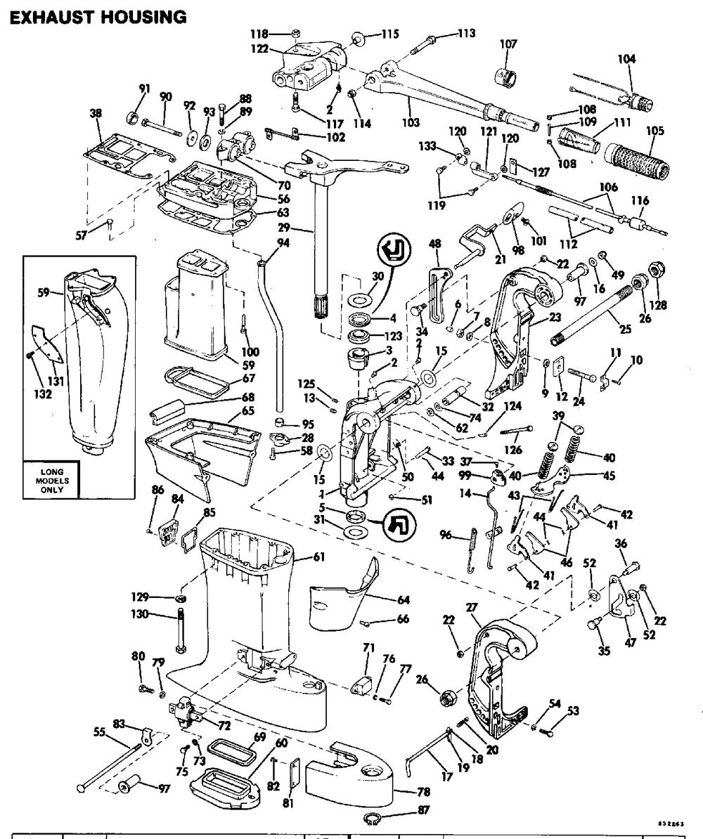
EXHAUST HOUSING
Корзина пуста
Evinrude
60 E60ECTB
60 E60ECTB
EXHAUST HOUSING
№
Наименование
Примечание
Кол-во
1
SWIVEL BRKT (WRL Models Only. WRY Models Only.)
1
1
BRACKET SWIVEL
1
1
Детать
1
2
FITTING LUBE
0
3
BUSHING
1
3
BUSHING
1
4
SEAL
1
5
SEAL
1
6
CAP-TRAN SCR (004 per pack)
4
7
NUT (004 per pack)
4
8
WASHER 5 PK (005 per pack)
4
9
WASHER 5 PK (005 per pack)
2
10
SCREW RET TO PLATE Optional
4
11
RETAINER Optional
2
12
SQ PLATE 4PK (004 per pack)
2
13
SCREW
1
14
ROD&BRKT AY
1
15
THRUST WASHER
2
16
WASHER
1
17
THRUST ROD
1
19
RETAINER STRN
1
20
SPRING
1
21
LEVER&SHAFT AY
1
22
NUT
3
23
STERN BRKT PORT
1
24
3 1/2" TRNSM BOLT Optional
4
24
6" TRNSM BOLT
4
24
4 3/4" TRNSM BOLT
4
25
TUBE TILT SST
1
26
LOCKNUT
2
27
STERN BRKT STBD
1
28
CVR-WTR TUBE
1
29
PIVOT SHAFT&ARM (WR Models Only.)
1
29
PIVOT SHAFT&ARM (WRL Models Only. WRY Models Only.)
1
30
THRUST WASHER
1
31
THRUST WASHER
1
32
BUSHING
1
33
PIN-LINK
2
34
SCREW
1
35
SCREW
1
36
SCREW
1
37
SCREW-BELLCRK
1
38
GASKET PWHD-ADAPT
1
39
CUP
2
40
SPRING
2
41
LINK LOCK LVR
2
42
PIN-LINK
2
43
RETAINER
2
44
COTTER PIN
4
45
PLATE REVERSE LOCK
1
46
LEVER-LOCKING
2
47
Детать
1
48
Детать
1
49
NUT 30RC-30RLC-35RC-35RLC Models Only 30TEC-30TELC Models Only
1
50
SPRING-LINK
2
51
WASHER Electric Start Models Only
2
52
WASHER/SPRING
2
53
SCREW
2
54
LOCKWASHER
2
55
BOLT
1
57
SCREW
2
58
SCREW
2
59
HOUSINGEXHAUST 15 in. (381mm) Long Models Only
1
59
HOUSINGEXHAUST
1
60
EXH HSG INNER (WR Models Only.)
1
61
Детать
1
61
HOUSINGEXHAUST
1
62
WASHER
1
63
GASKETADPTR-HSG
1
64
COVER
1
64
COVER EXH HSG FRNT
1
65
Детать
1
66
SCREW
2
67
SEAL-EXH HSG (WR Models Only.)
1
69
SEAL-EXH HSG (WR Models Only.)
1
70
MOUNT AYRUBBER
1
71
RUBBER MT LOW
1
72
RUBBER MT AY-LWR
2
74
SPRING WASHER
1
76
LOCKWASHER 5 PK (005 per pack)
2
77
SCREW
2
78
Детать
1
80
SCREW MT BRKT
4
81
Детать
2
82
SCREW COVER
4
83
WASHER-TILT PIN (9.9 Rope Models. 9.9 Tiller Electric High Thrust Models. 15 Rope Models.)
1
84
CVR EXH RELIEF
1
85
GASKET EX RLF CVR
1
86
SCREW
2
87
RETAIN RING
1
88
SCREW
3
90
SCREW
2
91
BUMPER
2
92
RETAINING WASHER
2
93
WASHER
2
94
15 in. (381mm) Long Models Only
1
94
20 in. (508mm) Long Models Only
1
95
WASHER WTR TUBE
1
96
SPRING
1
98
KNOB-TILT LOCK
1
99
BELLCRANK TILTLOCK
1
100
SCREW
6
101
SCREW
1
102
LEAD AYBONDING
1
103
Детать
1
104
KIT AYIDL STOP SW
1
105
GRIP&HELIX AY
1
106
THROTTLE CBL AY
1
107
PLATE-THROTTLE
1
108
KIT AYHELIX REPL
2
109
KIT AYHELIX REPL
1
111
KIT AYHELIX REPL
2
112
SLEEVE
1
113
SCREW
1
114
LOCK NUT (9.9 Rope Models. 9.9 Tiller Electric High Thrust Models. 15 Rope Models.)
1
115
BUSHING
2
116
SEAL (FOAM)
1
117
SCREW
2
118
LOCKNUT
2
119
SCREW
2
120
WASHER
2
121
CONNECTOR AY
1
122
Детать
1
123
THRUST RING
1
124
PIN
1
125
SCRW THRST RG
1
126
SCREW-STRING
1
127
RETAINER
1
128
NUT-STEERING WIPER Recommended to Prevent Corrosion in Salt Water Usage
1
129
Детать
8
130
SCREW
8
131
COVER EXHAUST
1
132
SCREW
1
133
CONNECTOR
1
0172912
Not Shown Models Without Power Trim and Tilt
1
0393449
Not Shown
1