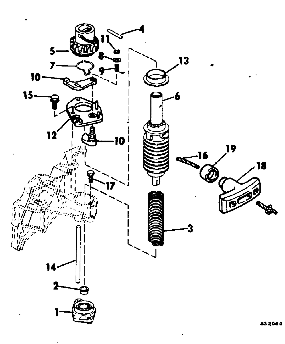
| № | Наименование | Примечание | Кол-во |
|---|---|---|---|
| 1 | PLATE | 1 | |
| 2 | BUSHING | 1 | |
| 3 | SPRING STARTER | 1 | |
| 4 | ROLL PIN | 1 | |
| 5 | PINION GEAR | 1 | |
| 6 | Детать | 1 | |
| 7 | SPRING | 1 | |
| 8 | WASHER STRTR INLK | 1 | |
| 9 | SPRING STRTR INLK | 1 | |
| 10 | CAM&LEVER AY | 1 | |
| 11 | RING | 1 | |
| 12 | Детать | 1 | |
| 13 | Детать | 1 | |
| 14 | GUIDE | 1 | |
| 15 | SCREW | 2 | |
| 17 | SCREW | 2 | |
| 18 | STRTR HANDLE | 1 | |
| 19 | BUMPER | 1 | |
| 0393652 | Not Shown | 1 | |
| 0393653 | Not Shown | 1 |
