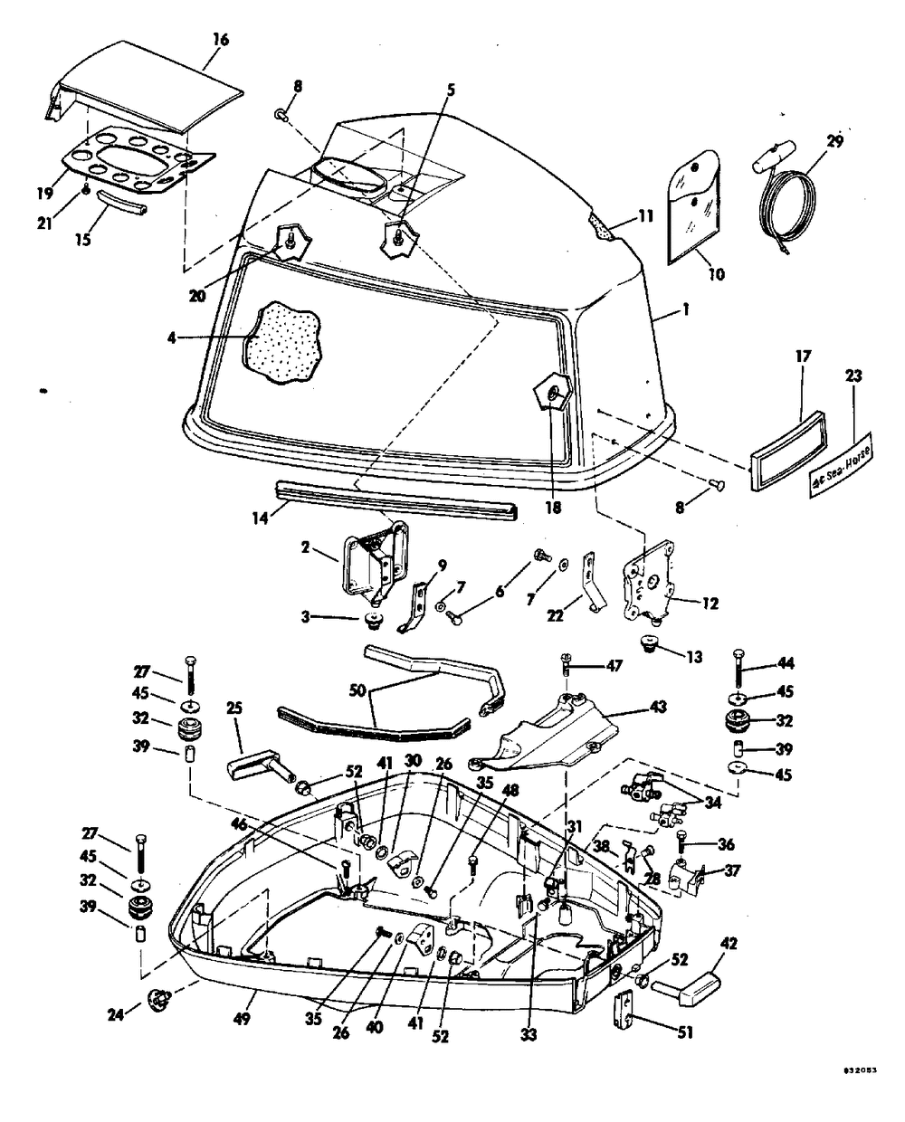
| № | Наименование | Примечание | Кол-во |
|---|---|---|---|
| 1 | Детать | 1 | |
| 1 | Детать | 1 | |
| 1 | Детать | 1 | |
| 2 | Детать | 2 | |
| 3 | Детать | 2 | |
| 4 | Детать | 1 | |
| 5 | SCREW Bracket to foam seal | 1 | |
| 6 | SCREW | 6 | |
| 7 | WASHER | 6 | |
| 8 | RIVET | 12 | |
| 9 | HOOK-LOC BRKT | 2 | |
| 10 | 30 Electric Start Models Only | 1 | |
| 11 | SOUND BLKT-JO | 1 | |
| 12 | LOC BRKT BUMPER | 1 | |
| 14 | SEAL MTR CVR V4 | 1 | |
| 15 | Детать | 1 | |
| 16 | TILT HANDLE | 1 | |
| 17 | APPLIQUE | 1 | |
| 18 | NUTPUSH ON | 2 | |
| 19 | BAFFLE | 1 | |
| 20 | SCREW Baffle to center frame | 2 | |
| 21 | SCREW-BFL TILT HND | 3 | |
| 22 | HOOK-LOC BRKT | 1 | |
| 23 | PLATE-APPLIQUE | 1 | |
| 24 | NIPPLE MC LWR 5PK (005 per pack) | 1 | |
| 25 | LATCH & SHAFT | 2 | |
| 26 | WASHER | 3 | |
| 27 | SCREW | 2 | |
| 28 | SCREW | 1 | |
| 29 | ROPE & HNDL | 1 | |
| 30 | HOOK-MTR CVR-LWR | 1 | |
| 31 | CLAMP | 1 | |
| 32 | GROMMET | 4 | |
| 33 | Детать | 1 | |
| 34 | FUEL CONN. BODY AY | 1 | |
| 34 | FUEL CONN BODY AY | 1 | |
| 35 | SCREW 1/4-20 | 3 | |
| 36 | SCREW | 2 | |
| 37 | CLAMP | 1 | |
| 38 | RETAINER | 1 | |
| 39 | SPACER | 4 | |
| 40 | HOOK-MTR CVR-REAR | 2 | |
| 41 | WASHER | 3 | |
| 42 | LATCH & SHAFT | 1 | |
| 43 | Детать | 1 | |
| 45 | WASHER-MOUNT | 6 | |
| 46 | SCREW | 2 | |
| 48 | SCREW | 2 | |
| 49 | Without Power Trim and Tilt | 1 | |
| 50 | Детать | 2 | |
| 51 | GROMMET | 1 | |
| 52 | BUSHING 5-PK (005 per pack) | 6 | |
| 0392709 | Детать | 1 | |
| 0393280 | Not Shown | 1 |
