| № | Наименование | Примечание | Кол-во |
|---|---|---|---|
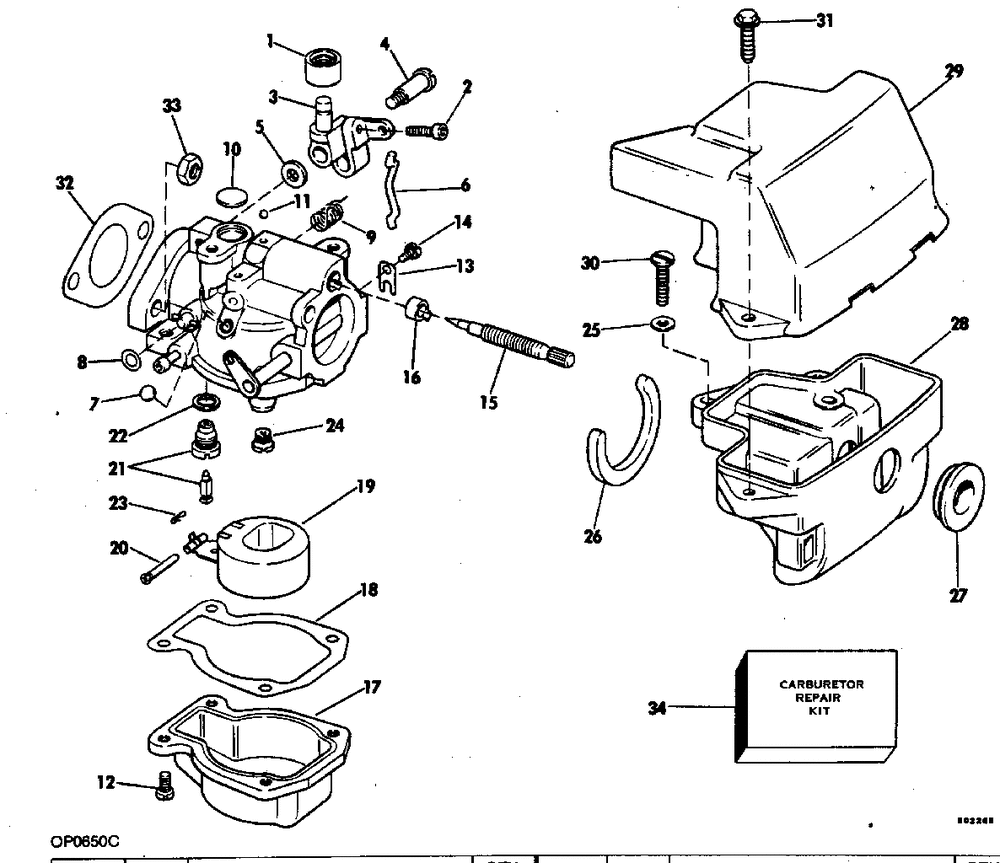
| 1 | ROLLER-CAM FOLLOWR | 1 | |
| 2 | SCREW | 1 | |
| 3 | CAM FOLLOWER | 1 | |
| 4 | SCREW | 1 | |
| 5 | WASHER | 1 | |
| 6 | LINK | 1 | |
| 7 | EXPANSION PLU | 1 | |
| 8 | Детать | 1 | |
| 9 | SPRING THROTTLE RE | 1 | |
| 10 | PLUG 5PK | 1 | |
| 11 | LEAD SHOT | 3 | |
| 12 | SCREW 4RE 4RL Models Only | 4 | |
| 13 | RETAINING CLIP | 1 | |
| 14 | Детать | 1 | |
| 15 | NEEDLE VALVE 15 Models Only SEL Models Only | 1 | |
| 16 | RETAINER-5 PK (005 per pack) | 1 | |
| 17 | FLOAT CHAMBER | 1 | |
| 18 | GASKETFLOAT BOWL | 1 | |
| 19 | FLOAT&ARM AY | 1 | |
| 20 | PIN (Also Available in Carburetor Repair Kit.) | 1 | |
| 21 | FLOAT VALVE & SEAT | 1 | |
| 22 | WASHER (Also Available in Carburetor Repair Kit.) | 1 | |
| 23 | CLIPSPRING | 1 | |
| 24 | ORIFICE PLUG | 1 | |
| 24 | ORIFICE PLUG 8SRL & 6SL Models Only | 1 | |
| 25 | WASHER | 2 | |
| 26 | SEALAIRBOX-CARB | 1 | |
| 27 | GROMMET SS ADJ | 1 | |
| 28 | Детать | 1 | |
| 29 | Детать | 1 | |
| 30 | SCREW | 2 | |
| 31 | SCREW (005 per pack) | 2 | |
| 32 | GASKET 5PK (Also Available in Carburetor Repair Kit.) (005 per pack) | 1 | |
| 33 | NUT-STUD | 2 | |
| 34 | KIT AYCARB REPAIR | 1 | |
| 0392182 | Not Shown | 1 | |
| 0393046 | Not Shown 8SRL & 6SL Models Only | 1 |
