Оригинальные каталоги
Масла и жидкости
Масла моторные
Масла трансмиссионные
Жидкости гидравлические
Жидкости охлаждающие
Жидкости тормозные
Масла гидравлические
Масла для вилок и амортизаторов
Масла компрессорные
Жидкости для стекол
Масла для цепей бензопил
Масла индустриальные
Масла промывочные
Раствор мочевины AdBlue
Автоэлектроника
Видеорегистраторы
Пылесосы автомобильные
FM трансмиттеры
Зарядные устройства
Разветвители, удлинители прикуривателя
Кабели
Вентиляторы автомобильные
Штекер прикуривателя
Датчик парктроника
Камеры заднего вида
Мониторы парковочные
Парктроники
Термометры
Накидки на сиденье с подогревом
Автохолодильники
Антирадары
Диагностический сканер
Аксессуары
Набор автомобилиста
Ароматизаторы
Тросы буксировочные
Канистры
Ремни крепления груза
Стяжки-резинки крепления
Сетки для крепления груза
Скотч
Влажные салфетки
Держатели телефонов, планшетов
Карты памяти
Наушники
Аккумулятор холода
Термосумки и контейнеры
Фонарики
Батарейки
Оплетки на руль
Огнетушители
Салфетки, полотенца, варежки
Инструмент
Домкраты
Компрессоры
Манометры
Насосы
Светильники переносные
Шарнирно-губцевый инструмент
Ударный инструмент
Метчики. Плашки
Заклёпочники
Заклёпки
Измерительный инструмент
Свёрла
Отвёртки
Изолента
Надфили. Напильники
Ножи, ножовки
Щётки
Абразивная бумага
Специнструмент
Ключи
Хомуты
Дрель-шуруповерт
Автохимия
Присадки
Промывки
Очистители
Смазки спрей
Смазки пластичные
Герметики
Средство для рук
Клей
Лакокрасочные материалы
Автошампуни
Полироли
Антифриз для тормозной системы
Масло для пропитки фильтров
Антикоррозионные составы
Прочее
Электрооборудование
Зарядные устройства
Инверторы
Конвертеры
Звуковые сигналы
Провода прикуривания
Предохранители
Противотуманные фары
Дневные ходовые огни
Электрика фаркопа
Шины и диски
Автошины
Грузовые шины
Мотошины
Камеры
Мотокамеры
Лента обода шины
Колпаки
Диски
Одежда и экипировка
Жилеты
Запчасти
Аккумуляторы
Лампы
Щетки стеклоочистителя
Гофры глушителя
Велотовары
Велосипеды
Самокаты
Велокамеры
Искать по VIN или номеру детали
Поиск по штрих-коду
Искать по VIN-номеру
Войти
Авторизация
Логин
Пароль
Напомнить пароль
Запомнить
Войти
Зарегистрироваться
Авторизоваться другим способом
Востановить пароль
Введите ваш email:
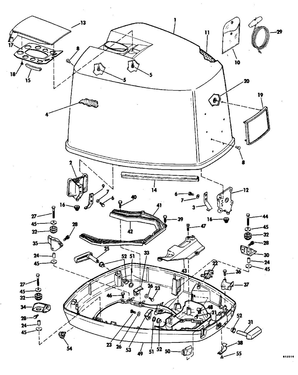
MOTOR COVER - JOHNSON
Корзина пуста
Evinrude
235 E235TRXCIB
235 E235TRXCIB
MOTOR COVER - JOHNSON
№
Наименование
Примечание
Кол-во
1
Детать
1
1
Детать
1
1
Детать
1
1
Детать
1
2
Детать
2
3
HOOK-LOC BRKT
1
4
Детать
1
5
SCREW Bracket to foam seal
1
5
SCREW Baffle to center frame
2
6
SCREW
6
7
WASHER
6
8
RIVET
12
9
HOOK-LOC BRKT
2
10
30 Electric Start Models Only
1
11
Детать
1
12
LOC BRKT BUMPER
1
13
TILT HANDLE
1
14
SEAL-MTR CVR BLK
1
16
Детать
3
17
BAFFLE
1
18
SCREW-BFL TILT HND
3
19
Детать
1
20
FASTENER 5PK (005 per pack)
4
21
Детать
1
22
FUEL CONN. BODY AY Fuel Connector With Quick Disconnect
1
23
SCREW 1/4-20
3
24
SPACER
4
25
LATCH & SHAFT
2
26
WASHER
3
27
SCREW
2
28
SCREW
8
29
ROPE & HNDL
1
30
SUPPORT
2
31
LATCH & SHAFT
1
32
GROMMET
4
33
HOOK-MTR CVR-LWR
1
34
SUPPORT
1
36
SCREW
2
37
CLAMP
1
38
RETAINER
1
40
SCREW
4
41
Детать
1
42
Детать
2
43
Детать
1
45
WASHER-MOUNT
6
48
CLAMP
1
49
COVER AYLWR MTR
1
50
Детать
1
51
WASHER
3
52
BUSHING 5-PK (005 per pack)
6
53
HOOK-MTR CVR-REAR
2
54
NIPPLE MC LWR 5PK (005 per pack)
1
55
SCREW
1
0390615
Not Shown MODELS WITH "M" "A" OR "B" MODEL NUMBER SUFFIX ONLY
1
0391192
Not Shown
1
0391193
Not Shown
1
0391194
Not Shown
1
0391195
Not Shown
1
0391973
Not Shown MODELS WITH "H" MODEL NUMBER SUFFIX ONLY
1