Оригинальные каталоги
Масла и жидкости
Масла моторные
Масла трансмиссионные
Жидкости гидравлические
Жидкости охлаждающие
Жидкости тормозные
Масла гидравлические
Масла для вилок и амортизаторов
Масла компрессорные
Жидкости для стекол
Масла для цепей бензопил
Масла индустриальные
Масла промывочные
Раствор мочевины AdBlue
Автоэлектроника
Видеорегистраторы
Пылесосы автомобильные
FM трансмиттеры
Зарядные устройства
Разветвители, удлинители прикуривателя
Кабели
Вентиляторы автомобильные
Штекер прикуривателя
Датчик парктроника
Камеры заднего вида
Мониторы парковочные
Парктроники
Термометры
Накидки на сиденье с подогревом
Автохолодильники
Антирадары
Диагностический сканер
Аксессуары
Набор автомобилиста
Ароматизаторы
Тросы буксировочные
Канистры
Ремни крепления груза
Стяжки-резинки крепления
Сетки для крепления груза
Скотч
Влажные салфетки
Держатели телефонов, планшетов
Карты памяти
Наушники
Аккумулятор холода
Термосумки и контейнеры
Фонарики
Батарейки
Оплетки на руль
Огнетушители
Салфетки, полотенца, варежки
Инструмент
Домкраты
Компрессоры
Манометры
Насосы
Светильники переносные
Шарнирно-губцевый инструмент
Ударный инструмент
Метчики. Плашки
Заклёпочники
Заклёпки
Измерительный инструмент
Свёрла
Отвёртки
Изолента
Надфили. Напильники
Ножи, ножовки
Щётки
Абразивная бумага
Специнструмент
Ключи
Хомуты
Дрель-шуруповерт
Автохимия
Присадки
Промывки
Очистители
Смазки спрей
Смазки пластичные
Герметики
Средство для рук
Клей
Лакокрасочные материалы
Автошампуни
Полироли
Антифриз для тормозной системы
Масло для пропитки фильтров
Антикоррозионные составы
Прочее
Электрооборудование
Зарядные устройства
Инверторы
Конвертеры
Звуковые сигналы
Провода прикуривания
Предохранители
Противотуманные фары
Дневные ходовые огни
Электрика фаркопа
Шины и диски
Автошины
Грузовые шины
Мотошины
Камеры
Мотокамеры
Лента обода шины
Колпаки
Диски
Одежда и экипировка
Жилеты
Запчасти
Аккумуляторы
Лампы
Щетки стеклоочистителя
Гофры глушителя
Велотовары
Велосипеды
Самокаты
Велокамеры
Искать по VIN или номеру детали
Поиск по штрих-коду
Искать по VIN-номеру
Войти
Авторизация
Логин
Пароль
Напомнить пароль
Запомнить
Войти
Зарегистрироваться
Авторизоваться другим способом
Востановить пароль
Введите ваш email:
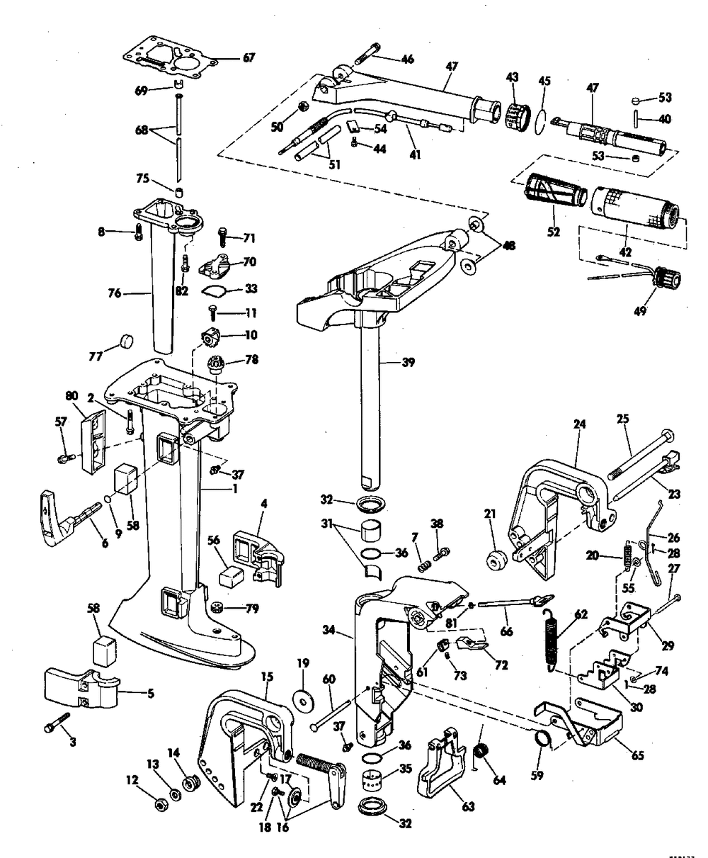
EXHAUST HOUSING
Корзина пуста
Evinrude
4.50 E5RLCIC
4.50 E5RLCIC
EXHAUST HOUSING
№
Наименование
Примечание
Кол-во
1
Детать
1
1
7.5 MODELS
1
2
SCREW
6
3
SCREW
2
4
Детать
1
5
MNTG BRKT-LWR
1
6
SHIFT LVR & SHAFT
1
7
SPRINGSTEER FRICT DT models
1
8
SCREW
4
9
O RING
1
10
Детать
1
11
Детать
1
12
NUT
1
13
WASHER
1
14
SPRING
1
15
Детать
1
16
C-SCREW KIT SST Stainless optional accessory
1
17
PLATESWIVEL
1
18
SCREW-CLMPSCRW (005 per pack)
1
19
WASHER
1
20
SPRING
1
21
WASHER
1
22
SCREW
2
23
TILT PIN AY
1
24
Детать
1
25
BOLT
1
26
LINK
1
27
PIN
1
28
COTTER PIN 10PK (010 per pack)
2
29
LINK REV LOCK
1
30
Детать
1
31
FRICT PLT PAD BUSH
1
32
THRUST WSHR& SEAL
2
33
SEAL RING
1
34
BRACKET AYSWIVEL
1
35
Детать
1
36
O RING Contents of Gearcase Seal Kit
2
37
FITTING LUBE
3
38
SCREW
1
39
Детать
1
40
KIT AYHELIX REPL
1
41
THROTTLE CBL AY
1
42
GRIP&HELIX AY
1
43
PLATE-THROTTLE
1
44
SCREW-BRKT-GR HSG
1
45
Except SEL Models
1
46
SCREW
1
47
Детать
1
48
BUSHING
2
49
KIT AYIDL STOP SW
1
50
NUT
1
51
SLEEVE
1
52
KIT AYHELIX REPL
2
53
KIT AYHELIX REPL
2
54
40R 50R Models EE EL ES Models TE Models Only
1
55
WASHER
0
56
THRUST MOUNT
1
57
SCREW
2
58
RUBBER MOUNT
4
59
Детать
1
60
PIN
1
61
LVR-REV LOCK
1
62
SPRING
2
63
CARRY HANDLE&SPRG
1
64
CARRY HANDLE&SPRG
1
65
LINK&LEVER
1
66
TILT KNOB AY
1
67
GASKET
1
67
GASKET 6/8 Models
1
68
WTR TUBE LNG 6/8 Models
1
68
WTR TUBE-LNG
1
68
WTR TUBE-STD
1
68
WTR TUBE-STD 6/8 Models
1
69
Детать
1
70
Детать
1
72
SPACER
1
73
SET SCREW DT models only
1
74
WASHER
1
75
Детать
1
75
GROMMET UPPR TUBE
1
76
Детать
1
76
6/8 Models
1
77
SILENCING PAD
2
78
PINION
1
79
GROMMET
1
80
EXH BAFFLE
1
81
O-RING (005 per pack)
1
82
SCREW
2
0391593
Not Shown
1