Оригинальные каталоги
Масла и жидкости
Масла моторные
Масла трансмиссионные
Жидкости гидравлические
Жидкости охлаждающие
Жидкости тормозные
Масла гидравлические
Масла для вилок и амортизаторов
Масла компрессорные
Жидкости для стекол
Масла для цепей бензопил
Масла индустриальные
Масла промывочные
Раствор мочевины AdBlue
Автоэлектроника
Видеорегистраторы
Пылесосы автомобильные
FM трансмиттеры
Зарядные устройства
Разветвители, удлинители прикуривателя
Кабели
Вентиляторы автомобильные
Штекер прикуривателя
Датчик парктроника
Камеры заднего вида
Мониторы парковочные
Парктроники
Термометры
Накидки на сиденье с подогревом
Автохолодильники
Антирадары
Диагностический сканер
Аксессуары
Набор автомобилиста
Ароматизаторы
Тросы буксировочные
Канистры
Ремни крепления груза
Стяжки-резинки крепления
Сетки для крепления груза
Скотч
Влажные салфетки
Держатели телефонов, планшетов
Карты памяти
Наушники
Аккумулятор холода
Термосумки и контейнеры
Фонарики
Батарейки
Оплетки на руль
Огнетушители
Салфетки, полотенца, варежки
Инструмент
Домкраты
Компрессоры
Манометры
Насосы
Светильники переносные
Шарнирно-губцевый инструмент
Ударный инструмент
Метчики. Плашки
Заклёпочники
Заклёпки
Измерительный инструмент
Свёрла
Отвёртки
Изолента
Надфили. Напильники
Ножи, ножовки
Щётки
Абразивная бумага
Специнструмент
Ключи
Хомуты
Дрель-шуруповерт
Автохимия
Присадки
Промывки
Очистители
Смазки спрей
Смазки пластичные
Герметики
Средство для рук
Клей
Лакокрасочные материалы
Автошампуни
Полироли
Антифриз для тормозной системы
Масло для пропитки фильтров
Антикоррозионные составы
Прочее
Электрооборудование
Зарядные устройства
Инверторы
Конвертеры
Звуковые сигналы
Провода прикуривания
Предохранители
Противотуманные фары
Дневные ходовые огни
Электрика фаркопа
Шины и диски
Автошины
Грузовые шины
Мотошины
Камеры
Мотокамеры
Лента обода шины
Колпаки
Диски
Одежда и экипировка
Жилеты
Запчасти
Аккумуляторы
Лампы
Щетки стеклоочистителя
Гофры глушителя
Велотовары
Велосипеды
Самокаты
Велокамеры
Искать по VIN или номеру детали
Поиск по штрих-коду
Искать по VIN-номеру
Войти
Авторизация
Логин
Пароль
Напомнить пароль
Запомнить
Войти
Зарегистрироваться
Авторизоваться другим способом
Востановить пароль
Введите ваш email:
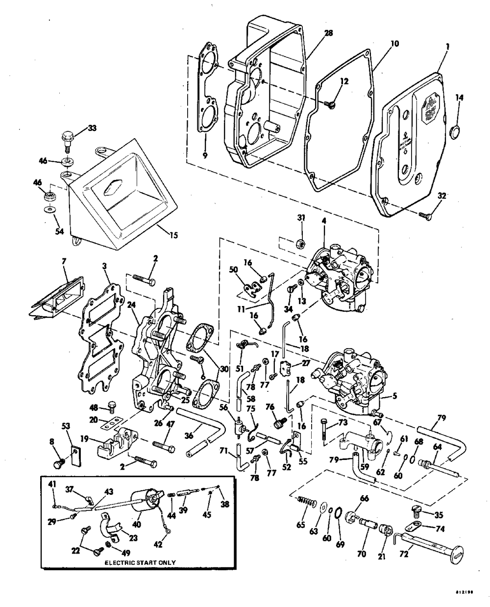
INTAKE MANIFOLD
Корзина пуста
Evinrude
60 E60ELCIA
60 E60ELCIA
INTAKE MANIFOLD
№
Наименование
Примечание
Кол-во
1
40TE Models Only 40R Models Only
1
1
40E Models Only
1
2
SCREW
0
3
GASKET REED BOX
1
6
SCREW
4
7
Детать
2
8
SCREW
1
9
GASKET AIR BOX
1
10
GASKETCVR-AIR BOX 40TE Models Only 40R Models Only
1
10
GASKETAIR BOX CVR 40E Models Only
1
11
LINK
1
12
Детать
6
13
WASHER
1
14
PLUG COVER
2
14
PLUG
2
15
BRACKET&PLUG AY
1
16
RETAINER
0
17
SCREW
1
18
LINK CHOKE
2
19
ANCHOR BLOCK
1
20
RETAINER TRUNNION
1
21
GROMMET CHOKE KNOB
10
22
SCREW
2
23
CLAMP
1
24
INTAKE M-FOLD Electric Start Models
1
24
ROPE START MODELS
1
25
STUD
4
26
NIPPLE
1
27
FASTENER
1
28
40TE Models Only 40R Models Only
1
28
40E Models Only
1
29
SCREW Electric Start Models Only
1
30
GASKET 5PK (Also Available in Carburetor Repair Kit.) (005 per pack)
2
31
NUT
4
32
SCREW
7
32
SCREW
7
33
SCREW
4
34
SCREW UPPER CARBURETOR ONLY
1
37
J-CLAMP
1
38
SPRING CHOKE
1
39
Детать
1
40
Детать
1
41
TERM. 40724 (005 per pack)
1
42
TERM. 61867-2 0.250 in. (6.3 mm) diameter
1
43
SLEEVE
1
44
SPRING
1
45
O-RING
1
46
GROMMET
8
47
SCREW
1
48
SCREW
1
49
WASHER
1
50
LEVER
1
51
Детать
2
52
TIE STRAP 100PK (100 per pack)
1
53
RETAINER
1
54
WASHER
2
55
J-CLAMP
2
56
CHECKVALVE ROPE START MODELS
1
57
HOSE 1/16" (025 per pack)
1
58
HOSE 1/16" (025 per pack)
2
59
PRIMER PUMP AY ROPE START MODELS
1
60
O-RING
2
61
CHECK VALVE ROPE START MODELS
1
62
RETAINER ROPE START MODELS
1
63
WASHER
1
64
ROPE START MODELS
1
65
SPRING
1
66
END CAP&O-RING KIT
1
67
RETAINER
1
68
QUAD RING
1
69
O-RING-SWITCH AY
1
70
CONNECTOR
1
72
KNOB & ROD AY ROPE START MODELS
1
73
SCREW-PIVOT CAP
2
74
Детать
2
75
TIE STRAP 100PK (100 per pack)
1
76
SCREW
1
77
WASHERFIBER
2
78
NIPPLE
2