Оригинальные каталоги
Масла и жидкости
Масла моторные
Масла трансмиссионные
Жидкости гидравлические
Жидкости охлаждающие
Жидкости тормозные
Масла гидравлические
Масла для вилок и амортизаторов
Масла компрессорные
Жидкости для стекол
Масла для цепей бензопил
Масла индустриальные
Масла промывочные
Раствор мочевины AdBlue
Автоэлектроника
Видеорегистраторы
Пылесосы автомобильные
FM трансмиттеры
Зарядные устройства
Разветвители, удлинители прикуривателя
Кабели
Вентиляторы автомобильные
Штекер прикуривателя
Датчик парктроника
Камеры заднего вида
Мониторы парковочные
Парктроники
Термометры
Накидки на сиденье с подогревом
Автохолодильники
Антирадары
Диагностический сканер
Аксессуары
Набор автомобилиста
Ароматизаторы
Тросы буксировочные
Канистры
Ремни крепления груза
Стяжки-резинки крепления
Сетки для крепления груза
Скотч
Влажные салфетки
Держатели телефонов, планшетов
Карты памяти
Наушники
Аккумулятор холода
Термосумки и контейнеры
Фонарики
Батарейки
Оплетки на руль
Огнетушители
Салфетки, полотенца, варежки
Инструмент
Домкраты
Компрессоры
Манометры
Насосы
Светильники переносные
Шарнирно-губцевый инструмент
Ударный инструмент
Метчики. Плашки
Заклёпочники
Заклёпки
Измерительный инструмент
Свёрла
Отвёртки
Изолента
Надфили. Напильники
Ножи, ножовки
Щётки
Абразивная бумага
Специнструмент
Ключи
Хомуты
Дрель-шуруповерт
Автохимия
Присадки
Промывки
Очистители
Смазки спрей
Смазки пластичные
Герметики
Средство для рук
Клей
Лакокрасочные материалы
Автошампуни
Полироли
Антифриз для тормозной системы
Масло для пропитки фильтров
Антикоррозионные составы
Прочее
Электрооборудование
Зарядные устройства
Инверторы
Конвертеры
Звуковые сигналы
Провода прикуривания
Предохранители
Противотуманные фары
Дневные ходовые огни
Электрика фаркопа
Шины и диски
Автошины
Грузовые шины
Мотошины
Камеры
Мотокамеры
Лента обода шины
Колпаки
Диски
Одежда и экипировка
Жилеты
Запчасти
Аккумуляторы
Лампы
Щетки стеклоочистителя
Гофры глушителя
Велотовары
Велосипеды
Самокаты
Велокамеры
Искать по VIN или номеру детали
Поиск по штрих-коду
Искать по VIN-номеру
Войти
Авторизация
Логин
Пароль
Напомнить пароль
Запомнить
Войти
Зарегистрироваться
Авторизоваться другим способом
Востановить пароль
Введите ваш email:
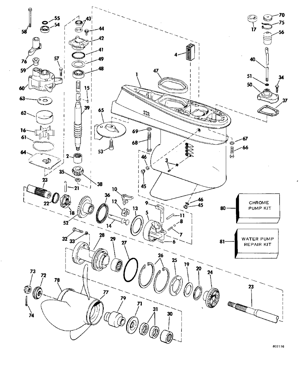
GEARCASE
Корзина пуста
Evinrude
50 E50ECSR
50 E50ECSR
GEARCASE
№
Наименование
Примечание
Кол-во
1
Детать
1
2
NEEDLE BRG DS LOWR
1
3
RETAINING SCREW
1
4
Детать
1
5
Детать
1
6
PIN
1
7
SPRING
1
8
BALL
1
9
DETENT-SHIFTER
1
10
Детать
1
11
PIN
1
12
CRADLE-SHIFT
1
13
THRUST WASHER
1
14
SHAFT SHIFTER
1
15
KEY-IMPELLER Use with Stainless Steel Key Also included in Water Pump Repair Kit 395062
1
16
IMPELLER (389589) Also included in Water Pump Repair Kit tahos_391635
1
17
SEAL RING (WRL Models Only.)
1
18
SHIFTER CLUTCH DOG
1
19
THRUST WASHER
1
20
Детать
1
21
PIN CLUTCH DOG
1
22
SPRING CLUTCH DOG
1
23
PROPELLER SHAFT AY
1
24
GEAR-REVSEE PR BK On 1979-88 40 48 50-55 & 60 hp use part number tahos_433570 On 1975-78 Models use part number 433618
1
25
Детать
1
26
RET RING BRG HSG
2
27
O RING BRG HSG
1
28
Детать
1
29
NDLE BRG REV GEAR
1
30
NDLE BRG PROP SHFT
1
31
SEAL Early Production Double Seal
2
32
SCREW BRG HSG Contents of Gearcase Seal Kit
3
33
SEAL (010 per pack)
1
34
SCREW
4
35
NUT
1
36
THRUST BRG.
1
37
GASKET 5 PK Contents of Gearcase Seal Kit (005 per pack)
1
39
Детать
1
39
DSHAFTIMP&KEY 20"
1
40
SHIFT ROD STD
1
40
Детать
1
41
O RING 5 PK (005 per pack)
1
42
Детать
1
43
OIL RET 5 PK Early Production Double Seal (005 per pack)
2
44
SCREW
4
45
DRAIN FILL PLG 10P (010 per pack)
2
46
WASHER-10 PK (010 per pack)
1
47
SEAL Contents of Gearcase Seal Kit
1
48
ROLLER BRG AY
1
49
Детать
0
49
SHIM DSHAFT .004
0
49
Детать
0
49
SHIM DSHAFT .006
0
49
SHIM DSHAFT .007
0
49
Детать
0
50
CVR&BUSH AY SHFTRD
1
51
O-RING (005 per pack)
1
52
GEARSET AY
1
53
Детать
1
54
GROMMET Also included in Water Pump Repair Kit 433549
1
55
O-RING
1
56
SEAL
1
57
SCREW-PIVOT CAP 235 MODELS ONLY
2
58
SCREW-IMP HSG
2
59
GROMMET Also included in Water Pump Repair Kit 396932
1
60
IMPELLER HSG Also included in Water Pump Repair Kit 396932
1
61
SEAL Also included in Water Pump Repair Kit 396932
1
62
LINER IMPELLER HSG Stainless Steel Also included in Water Pump Repair Kit 396932
1
63
PLATE LINER HSG Stainless Steel Also included in Water Pump Repair Kit 396932
1
64
PLATE IMP HSG Stainless Steel Also included in Water Pump Repair Kit 396932
1
65
TABTRIM-STD
1
66
SCREW (WRL Models Only. 20 in. (508mm) Models Only.)
4
67
LOCKWASHER (WRL Models Only. 20 in. (508mm) Models Only.)
4
68
SCREW
1
69
LOCKWASHER 4PK (004 per pack)
1
70
GROMMET
1
71
THRUST BUSHING
1
72
SPACER (005 per pack)
1
73
PROP NUT
1
74
COTTER PIN (010 per pack)
1
75
TIE STRAP 100PK (100 per pack)
1
76
BRKT-WTR TUBE
1
77
Детать
1
77
PROPAL 12.5X13
1
77
PROP AL 13 X 11
1
77
Детать
1
77
Детать
1
77
PROPAL 12 X 17
1
77
PROPAL 12.25 X 15
1
77
SS PROP 12 1/2X13
1
77
SS PROP 12X17
1
77
Детать
1
77
SS PROP 12 1/4X15
1
78
CONVERG RING45X
1
79
PROP HUB 50 & 75
1
80
Детать
1
81
KIT AYWATER PUMP
1
81
KIT AYWATER PUMP
1
0307853
SEAL SCREW (010 per pack)
1
0390937
Not Shown
1
0390938
Not Shown
1