Оригинальные каталоги
Масла и жидкости
Масла моторные
Масла трансмиссионные
Жидкости гидравлические
Жидкости охлаждающие
Жидкости тормозные
Масла гидравлические
Масла для вилок и амортизаторов
Масла компрессорные
Жидкости для стекол
Масла для цепей бензопил
Масла индустриальные
Масла промывочные
Раствор мочевины AdBlue
Автоэлектроника
Видеорегистраторы
Пылесосы автомобильные
FM трансмиттеры
Зарядные устройства
Разветвители, удлинители прикуривателя
Кабели
Вентиляторы автомобильные
Штекер прикуривателя
Датчик парктроника
Камеры заднего вида
Мониторы парковочные
Парктроники
Термометры
Накидки на сиденье с подогревом
Автохолодильники
Антирадары
Диагностический сканер
Аксессуары
Набор автомобилиста
Ароматизаторы
Тросы буксировочные
Канистры
Ремни крепления груза
Стяжки-резинки крепления
Сетки для крепления груза
Скотч
Влажные салфетки
Держатели телефонов, планшетов
Карты памяти
Наушники
Аккумулятор холода
Термосумки и контейнеры
Фонарики
Батарейки
Оплетки на руль
Огнетушители
Салфетки, полотенца, варежки
Инструмент
Домкраты
Компрессоры
Манометры
Насосы
Светильники переносные
Шарнирно-губцевый инструмент
Ударный инструмент
Метчики. Плашки
Заклёпочники
Заклёпки
Измерительный инструмент
Свёрла
Отвёртки
Изолента
Надфили. Напильники
Ножи, ножовки
Щётки
Абразивная бумага
Специнструмент
Ключи
Хомуты
Дрель-шуруповерт
Автохимия
Присадки
Промывки
Очистители
Смазки спрей
Смазки пластичные
Герметики
Средство для рук
Клей
Лакокрасочные материалы
Автошампуни
Полироли
Антифриз для тормозной системы
Масло для пропитки фильтров
Антикоррозионные составы
Прочее
Электрооборудование
Зарядные устройства
Инверторы
Конвертеры
Звуковые сигналы
Провода прикуривания
Предохранители
Противотуманные фары
Дневные ходовые огни
Электрика фаркопа
Шины и диски
Автошины
Грузовые шины
Мотошины
Камеры
Мотокамеры
Лента обода шины
Колпаки
Диски
Одежда и экипировка
Жилеты
Запчасти
Аккумуляторы
Лампы
Щетки стеклоочистителя
Гофры глушителя
Велотовары
Велосипеды
Самокаты
Велокамеры
Искать по VIN или номеру детали
Поиск по штрих-коду
Искать по VIN-номеру
Войти
Авторизация
Логин
Пароль
Напомнить пароль
Запомнить
Войти
Зарегистрироваться
Авторизоваться другим способом
Востановить пароль
Введите ваш email:
GEARCASE
Корзина пуста
Evinrude
85 85890C
85 85890C
GEARCASE
№
Наименование
Примечание
Кол-во
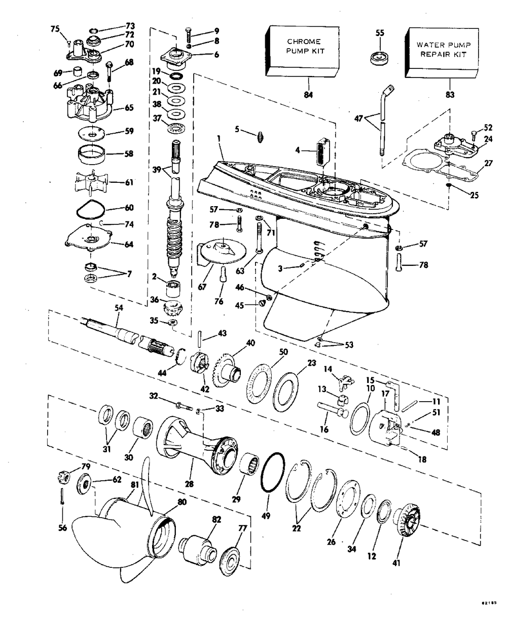
1
GCASE&BRG AY4CYL
1
2
NDLE BRGBH-1820
1
3
SET SCREW
1
4
SCREEN-WTR INTAKE
1
5
MAGNET&SPRING AY
1
6
DS BRG HSG&SEAL AY
1
7
OIL SEAL Contents of Gearcase Seal Kit (005 per pack)
2
8
WASHER
4
9
SCREW BRG HSG Electric Start Models Only
4
10
SHIM
1
10
SHIM-FWD GR OO3
1
10
SHIM-FWD GR OO4
1
11
PIN
1
12
BEARING AYTHRUST
1
13
CRADLE-SHIFT
1
14
SHIFTER-LEVER
1
15
DETENT
1
16
SHAFT-SHIFTER
1
17
PUMP HOUSING
1
18
PIN
1
19
O-RING (Contents of GEARCASE SEAL KIT.)
1
20
Детать
0
21
SHIM 005
0
22
RING
2
23
THRUST WASHER
1
24
COVER AYSHIFT ROD
1
25
O-RING (005 per pack)
1
26
PLATE
1
27
GASKET AY-GCASE
1
28
Детать
1
29
NEEDLE BRG
1
30
NEEDLE BRG AY
1
31
SEAL DRL 5-PK (005 per pack)
2
32
SCREW (005 per pack)
4
33
SEAL (010 per pack)
1
34
THRUST WASHER
1
35
NUT PINION
1
36
PINION
1
37
THRUST BRG AY
1
38
THRUST WASHER
1
39
KIT AY2PC D/SHAFT 20 INCH TRANSOM MODELS
1
39
KIT AYDRIVESHAFT 25 INCH TRANSOM MODELS
1
41
GEARREVERSE V4
1
42
SHIFTER-CLUTCH DOG
1
43
PIN
1
44
SPRING
1
45
DRAIN FILL PLG 10P (010 per pack)
1
46
WASHER-10 PK (010 per pack)
1
47
SPACER-SHIFT ROD 25 30 in. Models
1
47
Детать
1
47
25 Inch Transom Models
1
48
SPRING
1
49
O-RING Contents of Gearcase Seal Kit (010 per pack)
1
50
THRUST BRG AY
1
51
BALL
1
52
SCREW1/4-20
6
53
DRAIN SCREW Contents of GEARCASE SEAL KIT
1
54
SHAFT AYPROPELLER
1
55
GROMMET EXH HSG
1
56
COTTER PIN (010 per pack)
1
57
LOCKWASHER (WRL Models Only. 20 in. (508mm) Models Only.)
5
58
IMP. HSG. KIT Contents of Water Pump Repair Kit EARLY PRODUCTION
1
59
PLATE LINER Contents of Water Pump Repair Kit EARLY PRODUCTION
1
60
SEAL IMP HSG PL Also included in Water Pump Repair Kit 392750
1
61
IMPELLER (389642)
1
62
SPACER (005 per pack)
1
63
SCREW
1
64
CUP & PLATE AY
1
65
IMP. HSG. KIT
1
67
TABTRIM-STD
1
68
SCREW-IMP HSG
4
69
GROMMET 3.3 L models
1
70
COVERIMPELLER HSG
1
71
LOCKWASHER 4PK (004 per pack)
1
72
GROMMET
1
73
O RING
1
74
KEY
1
75
SCREW
2
76
SCREW
1
77
BUSHINGTHRUST
1
77
BUSHINGTHRUST INCLUDED WITH SST-SS PROPELLER P/N 388884
1
78
SCREW
5
79
PROP NUT
1
80
PROPAL 14 X 11
1
80
SST V-4 23"
1
80
PROPAL 13.75X13
1
80
PROP AYAL 13.5X15
1
80
PROPAL 13.25X17
1
80
PROP AYAL 13.2X19
1
80
Детать
1
80
Детать
1
80
PROP AYAL 13.2X21
1
80
VIPER V413.875X15
1
80
VIPERV4 13.875X17
1
80
VIPERV4 13.875X19
1
80
PROP AYAL 13.2X21
1
80
Детать
1
80
Детать
1
81
CONVERGING RINGV4
1
82
Детать
1
83
WATER PUMP KIT
1
84
CUP & PLATE AY EARLY PRODUCTION
1
90
Детать
1