Оригинальные каталоги
Масла и жидкости
Масла моторные
Масла трансмиссионные
Жидкости гидравлические
Жидкости охлаждающие
Жидкости тормозные
Масла гидравлические
Масла для вилок и амортизаторов
Масла компрессорные
Жидкости для стекол
Масла для цепей бензопил
Масла индустриальные
Масла промывочные
Раствор мочевины AdBlue
Автоэлектроника
Видеорегистраторы
Пылесосы автомобильные
FM трансмиттеры
Зарядные устройства
Разветвители, удлинители прикуривателя
Кабели
Вентиляторы автомобильные
Штекер прикуривателя
Датчик парктроника
Камеры заднего вида
Мониторы парковочные
Парктроники
Термометры
Накидки на сиденье с подогревом
Автохолодильники
Антирадары
Диагностический сканер
Аксессуары
Набор автомобилиста
Ароматизаторы
Тросы буксировочные
Канистры
Ремни крепления груза
Стяжки-резинки крепления
Сетки для крепления груза
Скотч
Влажные салфетки
Держатели телефонов, планшетов
Карты памяти
Наушники
Аккумулятор холода
Термосумки и контейнеры
Фонарики
Батарейки
Оплетки на руль
Огнетушители
Салфетки, полотенца, варежки
Инструмент
Домкраты
Компрессоры
Манометры
Насосы
Светильники переносные
Шарнирно-губцевый инструмент
Ударный инструмент
Метчики. Плашки
Заклёпочники
Заклёпки
Измерительный инструмент
Свёрла
Отвёртки
Изолента
Надфили. Напильники
Ножи, ножовки
Щётки
Абразивная бумага
Специнструмент
Ключи
Хомуты
Дрель-шуруповерт
Автохимия
Присадки
Промывки
Очистители
Смазки спрей
Смазки пластичные
Герметики
Средство для рук
Клей
Лакокрасочные материалы
Автошампуни
Полироли
Антифриз для тормозной системы
Масло для пропитки фильтров
Антикоррозионные составы
Прочее
Электрооборудование
Зарядные устройства
Инверторы
Конвертеры
Звуковые сигналы
Провода прикуривания
Предохранители
Противотуманные фары
Дневные ходовые огни
Электрика фаркопа
Шины и диски
Автошины
Грузовые шины
Мотошины
Камеры
Мотокамеры
Лента обода шины
Колпаки
Диски
Одежда и экипировка
Жилеты
Запчасти
Аккумуляторы
Лампы
Щетки стеклоочистителя
Гофры глушителя
Велотовары
Велосипеды
Самокаты
Велокамеры
Искать по VIN или номеру детали
Поиск по штрих-коду
Искать по VIN-номеру
Войти
Авторизация
Логин
Пароль
Напомнить пароль
Запомнить
Войти
Зарегистрироваться
Авторизоваться другим способом
Востановить пароль
Введите ваш email:
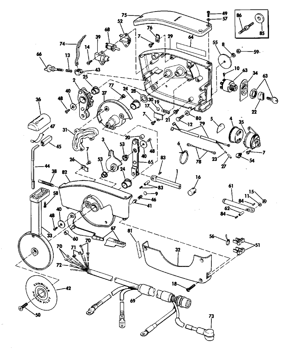
REMOTE CONTROL
Корзина пуста
Evinrude
200 200740C
200 200740C
REMOTE CONTROL
№
Наименование
Примечание
Кол-во
1
CASING GUIDE
2
2
SHIFT LVR RE CONT
1
3
LINK
1
4
KIT AYHORN REPL
1
5
SEL Models Only
1
6
TIE STRAP 100PK (100 per pack)
6
7
SCREW
7
8
LOCKWASHER
3
9
PLUG
1
10
SCREWSLOTTED
6
11
WASHER
2
12
SCREW CONTROL MTG
3
13
SPRING
1
14
SCREW
2
15
NUT
2
16
TRUNNION CAP
2
17
Детать
1
18
SCREW
5
19
SPRING
1
20
ROLLER
1
21
SCREW
1
22
PUSH KNOB KEY Also Available in Installation Hardware Kit P/N 391773
1
23
TERM.485043-1
1
24
BUSHING
2
25
BUSHING
1
26
GUIDE
2
27
TUBING
2
28
WASHERSPRING
1
29
Детать
1
30
BALL
1
31
Детать
1
32
Детать
1
33
USED ON MODELS WITHOUT POWER TILT AND TRIM
1
34
Детать
1
35
MTG BRACKET
1
36
USED ON MODELS WITHOUT POWER TILT AND TRIM
1
37
Детать
1
38
SET SCREW
1
39
Детать
1
40
WASHER
3
41
Детать
1
43
NUT
1
44
LEVER
1
45
Детать
1
46
SPRING
1
47
SPRING USED ON MODELS WITHOUT POWER TILT AND TRIM
1
48
SCREW
3
49
SCREW
3
50
SCREW
1
51
Детать
2
52
Детать
1
53
BUSHING
2
54
Детать
1
55
WASHER
3
56
TIE STRAP 100 PK (100 per pack)
1
57
WASHER
3
58
SCREW
2
59
NUT
3
60
Детать
1
61
GUIDE & ORING
2
62
CABLE CLAMP
2
63
IGNITION SWITCH SEE SERVICE BULLETIN FOR KEY ORDERING INFORMATION.
1
65
THROTTLE LVR
1
66
KNOB&SCREW AY
1
67
Детать
1
68
Детать
1
69
Детать
1
70
TERM. 40724 (005 per pack)
4
71
TERM.41532
2
72
RING TERMINAL
1
73
CVRBATTERY CABLE
1
74
LEVER ARM & PAD AY
1
75
Детать
1
76
Детать
2
77
SCREW
3
78
LEAD AY
1
79
LEAD ASSEMBLY
1
80
WASHER
3
81
Детать
1
82
Детать
1
83
CLAMP & SCREW
2
84
SET SCREW
8
85
WASHER
2
86
STUD
2
0281044
Not Shown NOTES: USE THROTTLE AND SHIFT CABLES(377365 5FT)THRU(379850 50 FT) WITH THIS REMOTE CONTROL.FOR DUAL INSTALLATION ON STBD.SIDE OR SINGLE
1
0386057
OPTIONAL MOUNT KIT Not Shown
1