Оригинальные каталоги
Масла и жидкости
Масла моторные
Масла трансмиссионные
Жидкости гидравлические
Жидкости охлаждающие
Жидкости тормозные
Масла гидравлические
Масла для вилок и амортизаторов
Масла компрессорные
Жидкости для стекол
Масла для цепей бензопил
Масла индустриальные
Масла промывочные
Раствор мочевины AdBlue
Автоэлектроника
Видеорегистраторы
Пылесосы автомобильные
FM трансмиттеры
Зарядные устройства
Разветвители, удлинители прикуривателя
Кабели
Вентиляторы автомобильные
Штекер прикуривателя
Датчик парктроника
Камеры заднего вида
Мониторы парковочные
Парктроники
Термометры
Накидки на сиденье с подогревом
Автохолодильники
Антирадары
Диагностический сканер
Аксессуары
Набор автомобилиста
Ароматизаторы
Тросы буксировочные
Канистры
Ремни крепления груза
Стяжки-резинки крепления
Сетки для крепления груза
Скотч
Влажные салфетки
Держатели телефонов, планшетов
Карты памяти
Наушники
Аккумулятор холода
Термосумки и контейнеры
Фонарики
Батарейки
Оплетки на руль
Огнетушители
Салфетки, полотенца, варежки
Инструмент
Домкраты
Компрессоры
Манометры
Насосы
Светильники переносные
Шарнирно-губцевый инструмент
Ударный инструмент
Метчики. Плашки
Заклёпочники
Заклёпки
Измерительный инструмент
Свёрла
Отвёртки
Изолента
Надфили. Напильники
Ножи, ножовки
Щётки
Абразивная бумага
Специнструмент
Ключи
Хомуты
Дрель-шуруповерт
Автохимия
Присадки
Промывки
Очистители
Смазки спрей
Смазки пластичные
Герметики
Средство для рук
Клей
Лакокрасочные материалы
Автошампуни
Полироли
Антифриз для тормозной системы
Масло для пропитки фильтров
Антикоррозионные составы
Прочее
Электрооборудование
Зарядные устройства
Инверторы
Конвертеры
Звуковые сигналы
Провода прикуривания
Предохранители
Противотуманные фары
Дневные ходовые огни
Электрика фаркопа
Шины и диски
Автошины
Грузовые шины
Мотошины
Камеры
Мотокамеры
Лента обода шины
Колпаки
Диски
Одежда и экипировка
Жилеты
Запчасти
Аккумуляторы
Лампы
Щетки стеклоочистителя
Гофры глушителя
Велотовары
Велосипеды
Самокаты
Велокамеры
Искать по VIN или номеру детали
Поиск по штрих-коду
Искать по VIN-номеру
Войти
Авторизация
Логин
Пароль
Напомнить пароль
Запомнить
Войти
Зарегистрироваться
Авторизоваться другим способом
Востановить пароль
Введите ваш email:
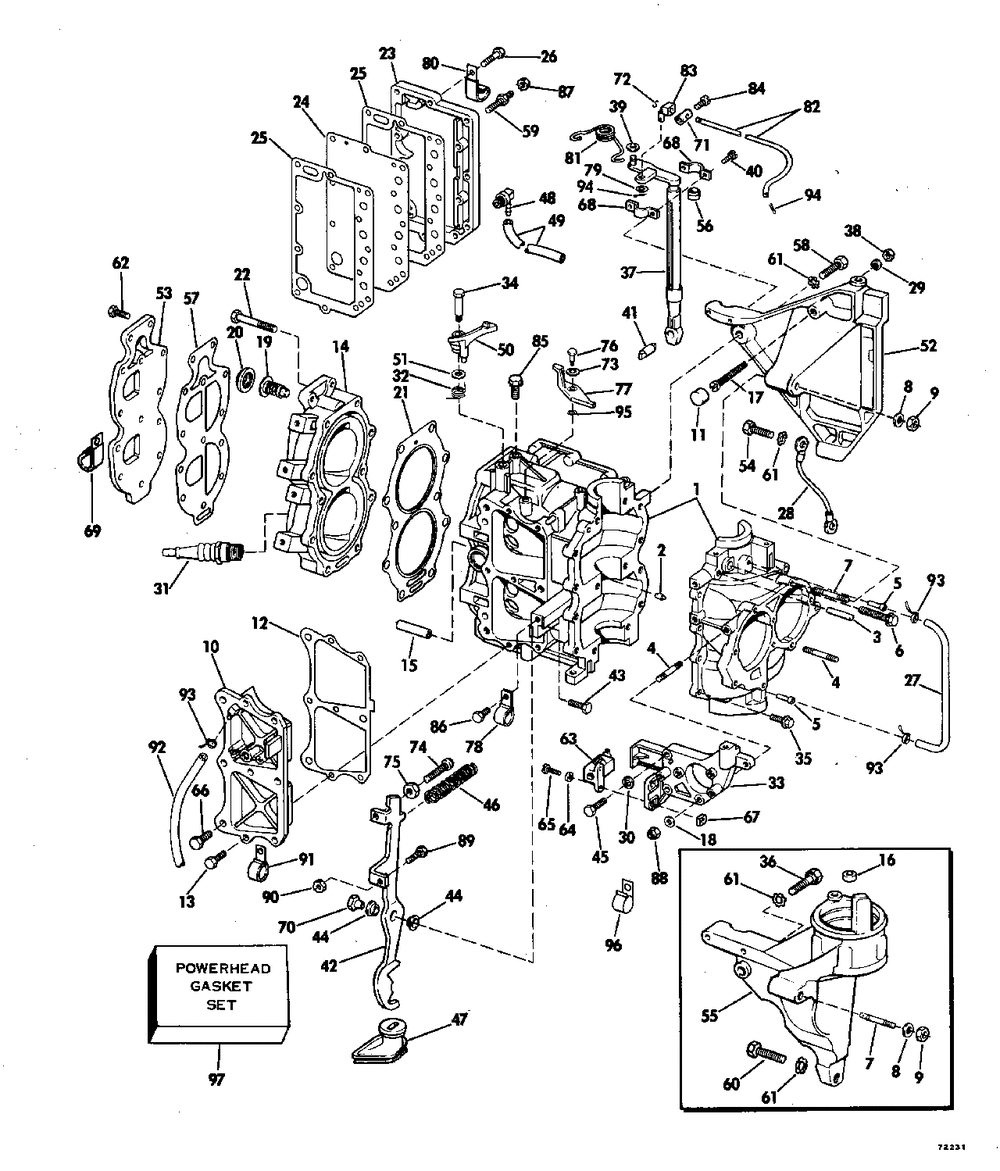
CYLINDER & CRANKCASE
Корзина пуста
Evinrude
35 35702C
35 35702C
CYLINDER & CRANKCASE
№
Наименование
Примечание
Кол-во
1
35 HP Models Only
1
1
25 HP Modeld Only
1
2
DOWEL
1
3
PIN 4PK (004 per pack)
1
4
Детать
7
5
NIPPLE
2
6
SCREW
6
7
STUD
1
8
WASHER
1
9
NUT
1
10
COVER-BY PASS 25 HP MODELS ONLY
1
10
COVER 35 HP MODELS ONLY
1
11
BUMPER
1
12
FF GASKET CVR CYL
1
13
SCREW
6
14
35 HP Models Only
1
14
25 HP Modeld Only
1
15
DEFLECTOR
2
16
SEAL-STARTER
2
17
Electric Start Models Only
1
17
SCREW/SPARK ADJ Manual Start Models
1
19
THERMOSTAT AY Early Production
1
20
SEAL 4 PK (004 per pack)
1
21
Детать
1
22
SCREW
10
23
Детать
1
24
Детать
1
25
FF GASKET EXH CVR
2
26
SCREW
12
28
Детать
1
29
LOCKWASHER
1
30
WASHERLOCK
1
31
S PLUG L77JC4 8PK Optional (008 per pack)
2
32
SPRING RW Models Only
1
33
BRACKET
1
34
SCREW LOCKOUT LVR RW Models Only
1
35
SCREW EXH CVR
8
36
SCREW
1
37
Детать
1
38
NUT-SPARK ADJ
1
39
SHIM
1
40
SCREW
2
41
PIN
1
42
Детать
1
43
SCREW
1
44
Детать
2
45
SCREW
1
46
SPRING
1
47
Детать
1
48
ELBOW90DEG-5PK 40 HO 60 HP Models (005 per pack)
1
49
HOSE OVRBD PUMP
1
50
RW Models Only
1
51
WASHER
1
51
WASHER
1
52
BRACKET
1
53
Детать
1
54
SCREW
1
55
BRKT EL STARTER ELECTRIC START MODELS
1
56
Детать
1
57
FF GSKT CYL HD CVR
1
59
BOLT
1
60
SCREW
1
63
SAFETY SWITCH AY
1
64
WASHER 25 TE Models Electric Start 35 Models
2
65
SCREW 25 TE Models Electric Start 35 Models
2
66
SCREW
3
67
NUT ELECTRIC START MODELS
2
68
FF BEARING CLAMP
2
69
CLAMP
1
70
NUT
1
71
COLLAR
1
72
PIN
2
73
WASHER
1
73
WASHER
1
74
SCREW RW Models Only
1
75
NUT Electric Start Models
1
76
SCREW ELECTRIC START MODELS
1
76
SCREW-SHIFT LOCK RW Models Only
1
77
25 TE Models Manual Start Models
1
78
CLAMP
1
80
CLAMP 'J'
2
81
SPRING
1
82
FF THROTTLE CON RD
1
83
FF PIVOT PIN
2
84
SCREW
1
85
SCREW
1
86
SCREW Electric Start Models
1
89
SCREW 25 TE Models Electric Start 35 Models
1
90
NUT-SCREW THRTL
1
91
CLAMP Electric Start Models Only
1
93
TIE STRAP 100PK (100 per pack)
4
94
COTTER PIN
2
95
WASHER
1
96
CLAMP 'J' Rope Start Models Only
1
97
Детать
1
0322702
GSKTMAKR 518tahos_37394 AR-As Required
0