Оригинальные каталоги
Масла и жидкости
Масла моторные
Масла трансмиссионные
Жидкости гидравлические
Жидкости охлаждающие
Жидкости тормозные
Масла гидравлические
Масла для вилок и амортизаторов
Масла компрессорные
Жидкости для стекол
Масла для цепей бензопил
Масла индустриальные
Масла промывочные
Раствор мочевины AdBlue
Автоэлектроника
Видеорегистраторы
Пылесосы автомобильные
FM трансмиттеры
Зарядные устройства
Разветвители, удлинители прикуривателя
Кабели
Вентиляторы автомобильные
Штекер прикуривателя
Датчик парктроника
Камеры заднего вида
Мониторы парковочные
Парктроники
Термометры
Накидки на сиденье с подогревом
Автохолодильники
Антирадары
Диагностический сканер
Аксессуары
Набор автомобилиста
Ароматизаторы
Тросы буксировочные
Канистры
Ремни крепления груза
Стяжки-резинки крепления
Сетки для крепления груза
Скотч
Влажные салфетки
Держатели телефонов, планшетов
Карты памяти
Наушники
Аккумулятор холода
Термосумки и контейнеры
Фонарики
Батарейки
Оплетки на руль
Огнетушители
Салфетки, полотенца, варежки
Инструмент
Домкраты
Компрессоры
Манометры
Насосы
Светильники переносные
Шарнирно-губцевый инструмент
Ударный инструмент
Метчики. Плашки
Заклёпочники
Заклёпки
Измерительный инструмент
Свёрла
Отвёртки
Изолента
Надфили. Напильники
Ножи, ножовки
Щётки
Абразивная бумага
Специнструмент
Ключи
Хомуты
Дрель-шуруповерт
Автохимия
Присадки
Промывки
Очистители
Смазки спрей
Смазки пластичные
Герметики
Средство для рук
Клей
Лакокрасочные материалы
Автошампуни
Полироли
Антифриз для тормозной системы
Масло для пропитки фильтров
Антикоррозионные составы
Прочее
Электрооборудование
Зарядные устройства
Инверторы
Конвертеры
Звуковые сигналы
Провода прикуривания
Предохранители
Противотуманные фары
Дневные ходовые огни
Электрика фаркопа
Шины и диски
Автошины
Грузовые шины
Мотошины
Камеры
Мотокамеры
Лента обода шины
Колпаки
Диски
Одежда и экипировка
Жилеты
Запчасти
Аккумуляторы
Лампы
Щетки стеклоочистителя
Гофры глушителя
Велотовары
Велосипеды
Самокаты
Велокамеры
Искать по VIN или номеру детали
Поиск по штрих-коду
Искать по VIN-номеру
Войти
Авторизация
Логин
Пароль
Напомнить пароль
Запомнить
Войти
Зарегистрироваться
Авторизоваться другим способом
Востановить пароль
Введите ваш email:
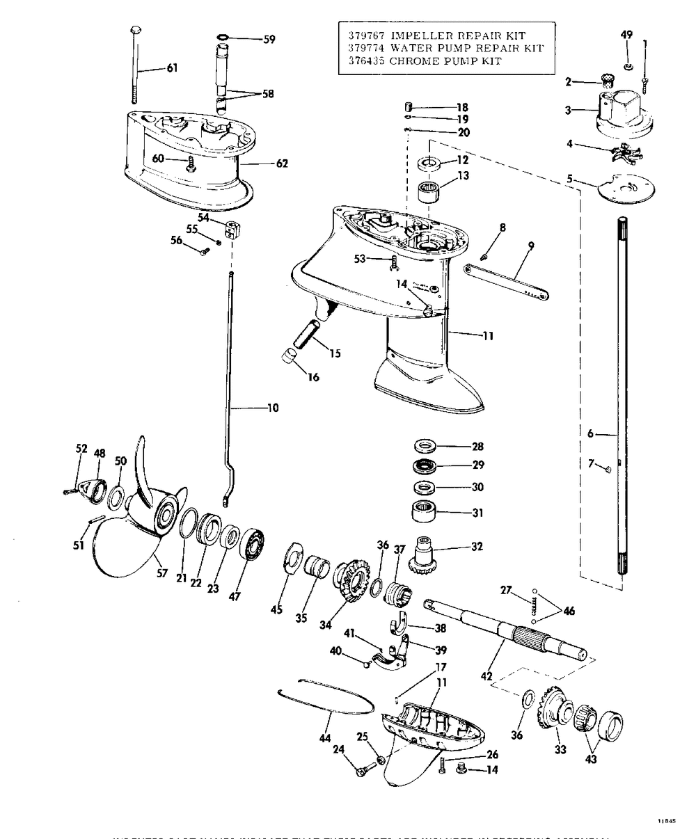
GEARCASE
Корзина пуста
Evinrude
40 40355D
40 40355D
GEARCASE
№
Наименование
Примечание
Кол-во
1
SCREW
3
2
GROMMET Also included in contents of Water Pump Repair Kit tahos_391741
1
3
IMPELLER HOUSING CONTENTS OF WATER PUMP REPAIR KIT
1
4
IMPELLER (378891)
1
5
PLATE CONTENTS OF WATER PUMP REPAIR KIT
1
6
DRSHFT & KEY
1
6
DRSHFT & KEY
1
7
IMPELLER KEY
1
8
SCREW (004 per pack)
2
9
COVER
1
10
ROD LWR LONG 127 mm 5 INCH LONGER PARTS
1
10
SHIFT ROD LWR
1
11
Детать
1
12
OIL SEAL
1
13
BEARING AY
1
14
DRAIN FILL PLG 10P (010 per pack)
2
15
SCREEN
1
16
PLUG
1
17
DOWEL (Contents of Water Pump Repair Kit. RL RVL EL EVL Models.)
1
18
BUSHING J 2PK (002 per pack)
1
19
O RING Contents of Gearcase Seal Kit (005 per pack)
1
20
GASKET
1
21
O RING 5 PK (005 per pack)
1
22
HSG&SEAL AY
1
23
OIL RETAINER
1
24
PIVOT PIN & WASHER
1
25
SEAL SCREW (010 per pack)
2
26
SCREW (005 per pack)
9
27
SPRING
1
28
WASHER
1
29
THRUST BEARIN
1
30
THRUST WASHER
1
31
Детать
1
32
PINION GEAR
1
33
GEAR & BSHG FWD
1
34
GEAR REVERSE
1
35
BUSHING
1
36
WASHER
2
37
SHIFTER
1
38
Детать
1
39
SHIFTER LEVER
1
40
PIN
1
41
COTTER PIN
1
42
PROPELLER SHAFT AY
1
43
ROLLER BRG AY
1
45
WASHER
1
46
BALL
2
47
BALL BEARING AY
1
48
PROP NUT
1
49
O-RING
1
50
THRUST WASHER
1
51
DRIVE PIN (010 per pack)
1
52
COTTER PIN 10 PK (010 per pack)
1
53
SCREW
6
54
CONNECTORSHFT ROD 20 INCH (508mm) LONG PARTS
1
54
CONNECTORSHFT ROD
1
55
LOCKWASHER
2
56
SCREW (005 per pack)
2
57
Детать
1
57
Детать
1
57
Детать
1
57
Детать
1
57
Детать
1
58
ADAPTER 127 mm 5 INCH LONGER PARTS
1
59
O-RING DLR 5PK (005 per pack)
1
61
SCREW 127 mm 5 INCH LONGER PARTS
1
62
G-CASE EXTENSION
1
0311598
WASHER-10 PK (010 per pack)
1
0385988
Not Shown
1
0385989
Not Shown
1