Оригинальные каталоги
Масла и жидкости
Масла моторные
Масла трансмиссионные
Жидкости гидравлические
Жидкости охлаждающие
Жидкости тормозные
Масла гидравлические
Масла для вилок и амортизаторов
Масла компрессорные
Жидкости для стекол
Масла для цепей бензопил
Масла индустриальные
Масла промывочные
Раствор мочевины AdBlue
Автоэлектроника
Видеорегистраторы
Пылесосы автомобильные
FM трансмиттеры
Зарядные устройства
Разветвители, удлинители прикуривателя
Кабели
Вентиляторы автомобильные
Штекер прикуривателя
Датчик парктроника
Камеры заднего вида
Мониторы парковочные
Парктроники
Термометры
Накидки на сиденье с подогревом
Автохолодильники
Антирадары
Диагностический сканер
Аксессуары
Набор автомобилиста
Ароматизаторы
Тросы буксировочные
Канистры
Ремни крепления груза
Стяжки-резинки крепления
Сетки для крепления груза
Скотч
Влажные салфетки
Держатели телефонов, планшетов
Карты памяти
Наушники
Аккумулятор холода
Термосумки и контейнеры
Фонарики
Батарейки
Оплетки на руль
Огнетушители
Салфетки, полотенца, варежки
Инструмент
Домкраты
Компрессоры
Манометры
Насосы
Светильники переносные
Шарнирно-губцевый инструмент
Ударный инструмент
Метчики. Плашки
Заклёпочники
Заклёпки
Измерительный инструмент
Свёрла
Отвёртки
Изолента
Надфили. Напильники
Ножи, ножовки
Щётки
Абразивная бумага
Специнструмент
Ключи
Хомуты
Дрель-шуруповерт
Автохимия
Присадки
Промывки
Очистители
Смазки спрей
Смазки пластичные
Герметики
Средство для рук
Клей
Лакокрасочные материалы
Автошампуни
Полироли
Антифриз для тормозной системы
Масло для пропитки фильтров
Антикоррозионные составы
Прочее
Электрооборудование
Зарядные устройства
Инверторы
Конвертеры
Звуковые сигналы
Провода прикуривания
Предохранители
Противотуманные фары
Дневные ходовые огни
Электрика фаркопа
Шины и диски
Автошины
Грузовые шины
Мотошины
Камеры
Мотокамеры
Лента обода шины
Колпаки
Диски
Одежда и экипировка
Жилеты
Запчасти
Аккумуляторы
Лампы
Щетки стеклоочистителя
Гофры глушителя
Велотовары
Велосипеды
Самокаты
Велокамеры
Искать по VIN или номеру детали
Поиск по штрих-коду
Искать по VIN-номеру
Войти
Авторизация
Логин
Пароль
Напомнить пароль
Запомнить
Войти
Зарегистрироваться
Авторизоваться другим способом
Востановить пароль
Введите ваш email:
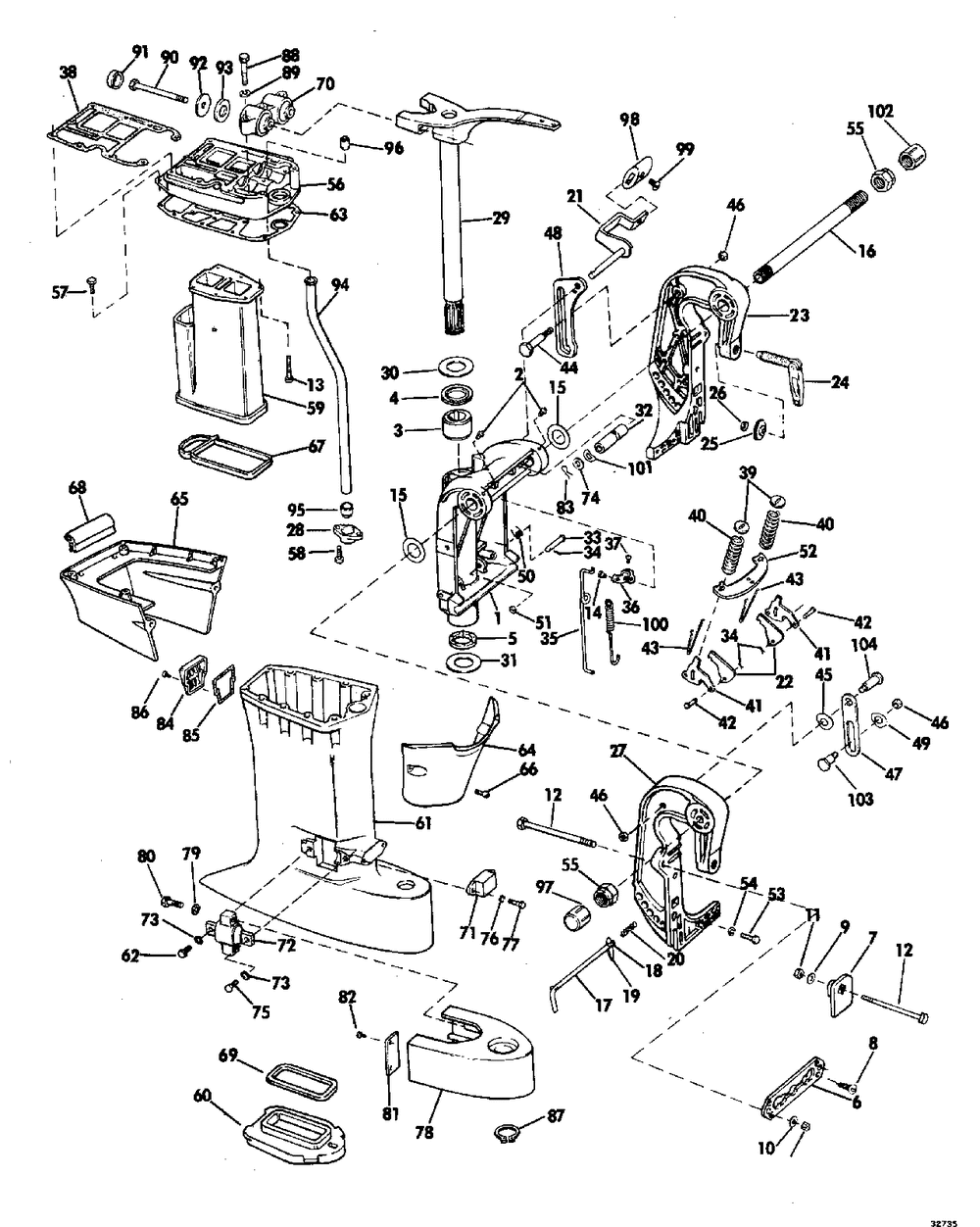
EXHAUST HOUSING ELECTRIC START
Корзина пуста
Evinrude
50 50302R
50 50302R
EXHAUST HOUSING ELECTRIC START
№
Наименование
Примечание
Кол-во
1
Детать
1
1
Детать
1
2
FITTING LUBE
4
3
BUSHING
2
4
SEAL
1
5
SEAL
1
6
PLATE TRANSOM
1
7
PAD-S BRKT
2
8
SCREW
4
9
WASHER SB
2
10
WASHER
2
11
NUT
4
12
SCREW
4
13
SCREW
6
14
RETAINER
1
15
THRUST WASHER
2
16
Детать
1
17
THRUST ROD
1
19
RETAINER STRN
1
20
SPRING
1
21
LVR ROD&BELLCRANK
1
22
LEVER-LOCKING
2
23
Детать
1
24
Детать
1
25
PLATE&SCREW AY 40RC - 40RL
1
26
RETAINER
1
27
Детать
1
28
CVR-WTR TUBE
1
29
PIVOT SHAFT&ARM
1
29
PIVOT SHAFT&ARM
1
30
THRUST WASHER
1
31
THRUST WASHER
1
32
BUSHING
1
33
PIN-LINK
2
34
COTTER PIN
4
35
LVR ROD&BELLCRANK
1
36
LVR ROD&BELLCRANK
1
37
SCREW
1
38
GASKET PWHD-ADAPT
1
39
CUP
2
40
SPRING
2
41
LINK LOCK LVR
2
42
PIN-LINK
2
43
RETAINER
2
44
SCREW
1
45
WASHER/SPRING
1
46
NUT
3
47
STOP LINK-STB
1
48
Детать
1
49
WASHER Also included in Water Pump Repair Kit 395060
1
50
SPRING-LINK
2
51
WASHER Electric Start Models Only
2
52
PLATE REVERSE LOCK
1
53
SCREW
2
54
LOCKWASHER
2
55
LOCKNUT
2
57
SCREW
2
58
SCREW
1
59
EXH HSG INNER
1
60
EXH HSG INNER (WR Models Only.)
1
61
15 in. (381mm) Long Models Only
1
61
ROPE START MODELS
1
63
GASKETADPTR-HSG
1
64
COVER EXH HSG FRNT
1
65
Детать
1
66
SCREW
2
67
SEAL-EXH HSG (WR Models Only.)
1
68
Детать
1
69
SEAL-EXH HSG (WR Models Only.)
1
70
MOUNT AYRUBBER
1
71
RUBBER MT LOW
1
72
RUBBER MT AY-LWR
2
74
SPRING WASHER
1
76
LOCKWASHER 5 PK (005 per pack)
2
77
SCREW
2
78
Детать
1
80
SCREW MT BRKT
4
81
Детать
2
82
SCREW COVER
4
83
COTTER PIN
1
84
CVR EXH RELIEF
1
85
GASKET EX RLF CVR
1
86
SCREW
2
87
RETAIN RING
1
88
SCREW
3
90
SCREW
2
91
BUMPER
2
92
RETAINING WASHER
2
93
WASHER
2
94
Детать
1
94
Детать
1
95
Детать
1
96
Детать
1
97
CAPSTEER-TUBE
1
98
KNOB-TILT LOCK Models Without Power Trim & Tilt
1
99
SCREW
1
100
SPRING
1
101
WASHER
1
102
PLUG
1
103
SCREW
1
104
SCREW
1
0384189
TRANSOM PLATE KIT Not Shown
1