Оригинальные каталоги
Масла и жидкости
Масла моторные
Масла трансмиссионные
Жидкости гидравлические
Жидкости охлаждающие
Жидкости тормозные
Масла гидравлические
Масла для вилок и амортизаторов
Масла компрессорные
Жидкости для стекол
Масла для цепей бензопил
Масла индустриальные
Масла промывочные
Раствор мочевины AdBlue
Автоэлектроника
Видеорегистраторы
Пылесосы автомобильные
FM трансмиттеры
Зарядные устройства
Разветвители, удлинители прикуривателя
Кабели
Вентиляторы автомобильные
Штекер прикуривателя
Датчик парктроника
Камеры заднего вида
Мониторы парковочные
Парктроники
Термометры
Накидки на сиденье с подогревом
Автохолодильники
Антирадары
Диагностический сканер
Аксессуары
Набор автомобилиста
Ароматизаторы
Тросы буксировочные
Канистры
Ремни крепления груза
Стяжки-резинки крепления
Сетки для крепления груза
Скотч
Влажные салфетки
Держатели телефонов, планшетов
Карты памяти
Наушники
Аккумулятор холода
Термосумки и контейнеры
Фонарики
Батарейки
Оплетки на руль
Огнетушители
Салфетки, полотенца, варежки
Инструмент
Домкраты
Компрессоры
Манометры
Насосы
Светильники переносные
Шарнирно-губцевый инструмент
Ударный инструмент
Метчики. Плашки
Заклёпочники
Заклёпки
Измерительный инструмент
Свёрла
Отвёртки
Изолента
Надфили. Напильники
Ножи, ножовки
Щётки
Абразивная бумага
Специнструмент
Ключи
Хомуты
Дрель-шуруповерт
Автохимия
Присадки
Промывки
Очистители
Смазки спрей
Смазки пластичные
Герметики
Средство для рук
Клей
Лакокрасочные материалы
Автошампуни
Полироли
Антифриз для тормозной системы
Масло для пропитки фильтров
Антикоррозионные составы
Прочее
Электрооборудование
Зарядные устройства
Инверторы
Конвертеры
Звуковые сигналы
Провода прикуривания
Предохранители
Противотуманные фары
Дневные ходовые огни
Электрика фаркопа
Шины и диски
Автошины
Грузовые шины
Мотошины
Камеры
Мотокамеры
Лента обода шины
Колпаки
Диски
Одежда и экипировка
Жилеты
Запчасти
Аккумуляторы
Лампы
Щетки стеклоочистителя
Гофры глушителя
Велотовары
Велосипеды
Самокаты
Велокамеры
Искать по VIN или номеру детали
Поиск по штрих-коду
Искать по VIN-номеру
Войти
Авторизация
Логин
Пароль
Напомнить пароль
Запомнить
Войти
Зарегистрироваться
Авторизоваться другим способом
Востановить пароль
Введите ваш email:
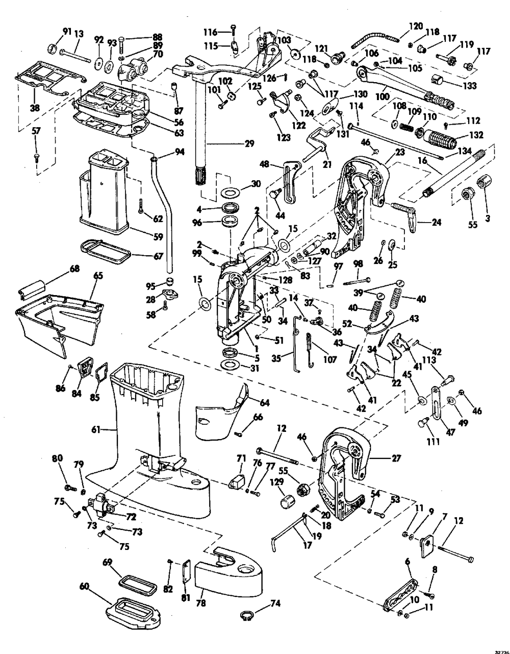
EXHAUST HOUSING MANUAL START
Корзина пуста
Evinrude
50 50373R
50 50373R
EXHAUST HOUSING MANUAL START
№
Наименование
Примечание
Кол-во
1
SWIVEL BRKT (WR Models Only.)
1
1
SWIVEL BRKT (WRL Models Only. WRY Models Only.)
1
2
FITTING LUBE
4
3
PLUG
1
4
SEAL
1
5
SEAL
1
6
PLATE TRANSOM
1
7
PAD-S BRKT
2
8
SCREW
4
9
WASHER SB
2
10
WASHER
2
11
NUT
4
12
SCREW
4
13
SCREW
2
14
RETAINER
1
15
THRUST WASHER
2
16
Детать
1
17
THRUST ROD
1
19
RETAINER STRN
1
20
SPRING
1
21
LVR ROD&BELLCRANK
1
22
LEVER-LOCKING
2
23
Детать
1
24
Детать
1
25
PLATE&SCREW AY 40RC - 40RL
1
26
RETAINER
1
27
Детать
1
28
CVR-WTR TUBE
1
29
Rope Start Models
1
29
Rope Start Models
1
30
GASKETEXHAUST CVR
1
31
THRUST WASHER
1
32
BUSHING
1
33
PIN-LINK
2
34
COTTER PIN
4
35
LVR ROD&BELLCRANK
1
36
LVR ROD&BELLCRANK
1
37
SCREW
1
38
GASKET PWHD-ADAPT
1
39
CUP
2
40
SPRING
2
41
LINK LOCK LVR
2
42
PIN-LINK
2
43
RETAINER
2
44
SCREW
1
45
WASHER/SPRING
1
46
NUT
3
47
STOP LINK-STB
1
48
Детать
1
49
WASHER Also included in Water Pump Repair Kit 395060
1
50
SPRING-LINK
2
51
WASHER Electric Start Models Only
2
52
PLATE REVERSE LOCK
1
53
SCREW
2
54
LOCKWASHER
2
55
LOCKNUT
2
57
SCREW
2
58
SCREW
1
59
EXH HSG INNER
1
60
EXH HSG INNER (WR Models Only.)
1
60
Детать
1
61
15 in. (381mm) Long Models Only
1
61
ROPE START MODELS
1
62
SCREW
6
63
GASKETADPTR-HSG
1
64
COVER EXH HSG FRNT
1
65
Детать
1
66
SCREW
2
67
SEAL-EXH HSG (WR Models Only.)
1
68
Детать
1
69
SEAL-EXH HSG (WR Models Only.)
1
70
MOUNT AYRUBBER
1
71
RUBBER MT LOW
1
72
RUBBER MT AY-LWR
2
74
RETAIN RING
1
76
LOCKWASHER 5 PK (005 per pack)
2
77
SCREW
2
78
Детать
1
80
SCREW MT BRKT
4
81
Детать
2
82
SCREW COVER
4
83
COTTER PIN
1
84
CVR EXH RELIEF
1
85
GASKET EX RLF CVR
1
86
SCREW
2
87
Детать
1
88
SCREW
3
90
SPRING WASHER
1
91
BUMPER
2
92
RETAINING WASHER
2
93
WASHER
2
94
Детать
1
94
Детать
1
95
Детать
1
96
THRUST RING
1
97
PIN
1
98
SCREW-STRING
1
99
SCRW THRST RG
1
100
STEERING HDLE
1
101
SCREW
1
102
WASHER SPRING
1
103
WASHER THRUST
1
104
NUT
1
105
COTTER PIN
1
106
BUSHING STRG HNDL ROPE START MODELS
1
107
SPRING
1
108
WASHER
1
109
Детать
1
110
BLOCK
1
111
SCREW
1
112
Детать
1
113
SCREW
1
114
GROOVE PIN
1
115
CLMAP Rope Start Models
1
116
SCREW
2
117
BUSHING
4
118
SNAP RING Rope Start Models
2
120
CASING Rope Start Models
1
121
GROMMET Rope Start Models
1
122
Детать
1
123
Детать
1
124
NUT-SPARK ADJ
1
125
ANCHOR PIN
1
126
COTTER PIN 10PK (010 per pack)
1
127
WASHER
1
128
SCREW
1
129
CAPSTEER-TUBE
1
130
KNOB-TILT LOCK Models Without Power Trim & Tilt
1
131
SCREW
1
132
GRIP AND PLATE
1
133
Used on Manual Start Models only.
1
133A
USED ON EARLY PRODUCTION - NO PART tahos_ STAMPED ON PART
1
134
GEAR & SHAFT Rope Start Models
1
134A
GEAR & SHAFT Used on Manual Start Models only.
1
0384189
TRANSOM PLATE KIT Not Shown
1