| № | Наименование | Примечание | Кол-во |
|---|---|---|---|
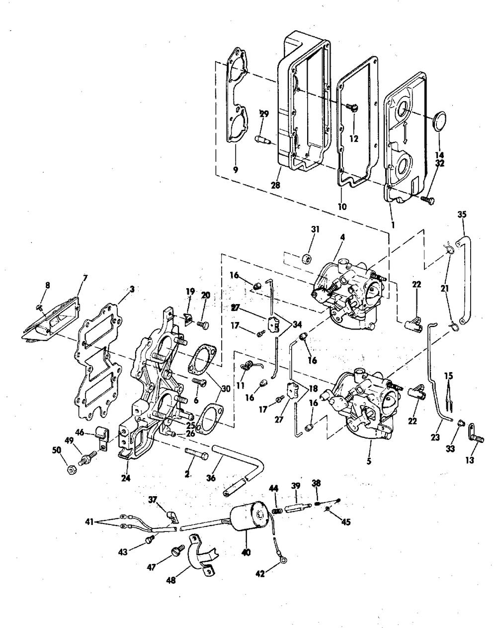
| 1 | Детать | 1 | |
| 2 | SCREW | 10 | |
| 3 | GASKET REED BOX | 1 | |
| 4 | USED ON UPPER CARBURETOR Not Shown | 1 | |
| 5 | USED ON LOWER CARBURETOR Not Shown | 1 | |
| 6 | SCREW | 4 | |
| 7 | Детать | 2 | |
| 8 | SCREW | 8 | |
| 9 | GASKET AIR BOX | 1 | |
| 10 | GASKETCVR-AIR BOX 40TE Models Only 40R Models Only | 1 | |
| 11 | Детать | 1 | |
| 12 | SCREW | 6 | |
| 13 | Детать | 1 | |
| 14 | PLUG | 2 | |
| 15 | COTTER PIN | 2 | |
| 16 | RETAINER | 4 | |
| 17 | SCREW | 2 | |
| 18 | LINK CHOKE | 2 | |
| 19 | USED ON EARLY PRODUCTION MODELS ONLY | 1 | |
| 20 | SCREW | 1 | |
| 21 | Детать | 2 | |
| 22 | ARM SS ADJ | 2 | |
| 23 | Детать | 1 | |
| 24 | MANUAL START | 1 | |
| 25 | STUD | 4 | |
| 26 | NIPPLE | 1 | |
| 27 | FASTENER | 2 | |
| 28 | 40TE Models Only 40R Models Only | 1 | |
| 30 | GASKET 5PK (005 per pack) | 2 | |
| 31 | NUT | 4 | |
| 32 | SCREW | 7 | |
| 33 | BUSHING | 1 | |
| 34 | Детать | 2 | |
| 35 | HOSE 20" LONG | 1 | |
| 37 | CLAMP 'J' | 1 | |
| 38 | SPRING CHOKE | 1 | |
| 39 | PLUNGER | 1 | |
| 40 | SOLENOID AY | 1 | |
| 41 | TERM. 40724 (005 per pack) | 2 | |
| 42 | TERM. 61867-2 0.250 in. (6.3 mm) diameter | 1 | |
| 43 | SCREW Electric Start Models Only | 1 | |
| 44 | SPRING SOL | 1 | |
| 45 | O-RING | 1 | |
| 46 | CLAMP | 1 | |
| 47 | SCREW | 2 | |
| 48 | CLAMP | 1 | |
| 49 | 40TE Models Only | 1 | |
| 50 | NUT Electric Start Models | 1 |
