| № | Наименование | Примечание | Кол-во |
|---|---|---|---|
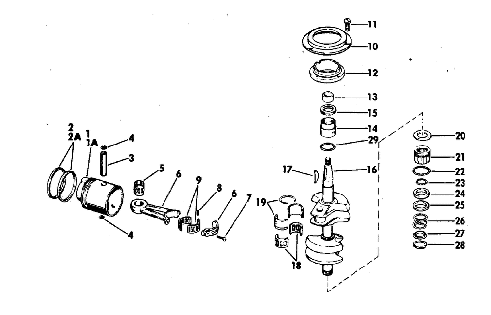
| 1 | Детать | 2 | |
| 1A | Детать | 2 | |
| 2 | Детать | 1 | |
| 2 | Used on Models without pressure back piston rings. | 2 | |
| 2A | RING SET 030 | 1 | |
| 3 | WRIST PIN | 2 | |
| 4 | CIRCLIP 5PK | 4 | |
| 5 | NEEDLE BEARING | 2 | |
| 6 | CONN ROD AY | 2 | |
| 7 | SCREW | 2 | |
| 8 | NDLE & ENVLPE | 1 | |
| 9 | RETAINR AY-NO NDLE | 1 | |
| 10 | SUPPORT | 1 | |
| 11 | SCREW | 3 | |
| 12 | RING | 1 | |
| 13 | Детать | 1 | |
| 14 | ROLLER BRG | 1 | |
| 15 | SEAL OIL | 1 | |
| 16 | CRANKSHAFT AY | 1 | |
| 17 | KEY | 1 | |
| 18 | RETNR NDLS&ENVLP | 1 | |
| 19 | SLEEVE | 1 | |
| 20 | WASHER | 1 | |
| 21 | ROLLER BRG | 1 | |
| 22 | O RING | 1 | |
| 23 | O RING | 1 | |
| 24 | SEAL | 1 | |
| 25 | RETAINING WASHER | 1 | |
| 26 | SPRINGLOWER SEAL | 1 | |
| 27 | WASHER | 1 | |
| 28 | RETAINING RIN | 1 |
