Оригинальные каталоги
Масла и жидкости
Масла моторные
Масла трансмиссионные
Жидкости гидравлические
Жидкости охлаждающие
Жидкости тормозные
Масла гидравлические
Масла для вилок и амортизаторов
Масла компрессорные
Жидкости для стекол
Масла для цепей бензопил
Масла индустриальные
Масла промывочные
Раствор мочевины AdBlue
Автоэлектроника
Видеорегистраторы
Пылесосы автомобильные
FM трансмиттеры
Зарядные устройства
Разветвители, удлинители прикуривателя
Кабели
Вентиляторы автомобильные
Штекер прикуривателя
Датчик парктроника
Камеры заднего вида
Мониторы парковочные
Парктроники
Термометры
Накидки на сиденье с подогревом
Автохолодильники
Антирадары
Диагностический сканер
Аксессуары
Набор автомобилиста
Ароматизаторы
Тросы буксировочные
Канистры
Ремни крепления груза
Стяжки-резинки крепления
Сетки для крепления груза
Скотч
Влажные салфетки
Держатели телефонов, планшетов
Карты памяти
Наушники
Аккумулятор холода
Термосумки и контейнеры
Фонарики
Батарейки
Оплетки на руль
Огнетушители
Салфетки, полотенца, варежки
Инструмент
Домкраты
Компрессоры
Манометры
Насосы
Светильники переносные
Шарнирно-губцевый инструмент
Ударный инструмент
Метчики. Плашки
Заклёпочники
Заклёпки
Измерительный инструмент
Свёрла
Отвёртки
Изолента
Надфили. Напильники
Ножи, ножовки
Щётки
Абразивная бумага
Специнструмент
Ключи
Хомуты
Дрель-шуруповерт
Автохимия
Присадки
Промывки
Очистители
Смазки спрей
Смазки пластичные
Герметики
Средство для рук
Клей
Лакокрасочные материалы
Автошампуни
Полироли
Антифриз для тормозной системы
Масло для пропитки фильтров
Антикоррозионные составы
Прочее
Электрооборудование
Зарядные устройства
Инверторы
Конвертеры
Звуковые сигналы
Провода прикуривания
Предохранители
Противотуманные фары
Дневные ходовые огни
Электрика фаркопа
Шины и диски
Автошины
Грузовые шины
Мотошины
Камеры
Мотокамеры
Лента обода шины
Колпаки
Диски
Одежда и экипировка
Жилеты
Запчасти
Аккумуляторы
Лампы
Щетки стеклоочистителя
Гофры глушителя
Велотовары
Велосипеды
Самокаты
Велокамеры
Искать по VIN или номеру детали
Поиск по штрих-коду
Искать по VIN-номеру
Войти
Авторизация
Логин
Пароль
Напомнить пароль
Запомнить
Войти
Зарегистрироваться
Авторизоваться другим способом
Востановить пароль
Введите ваш email:
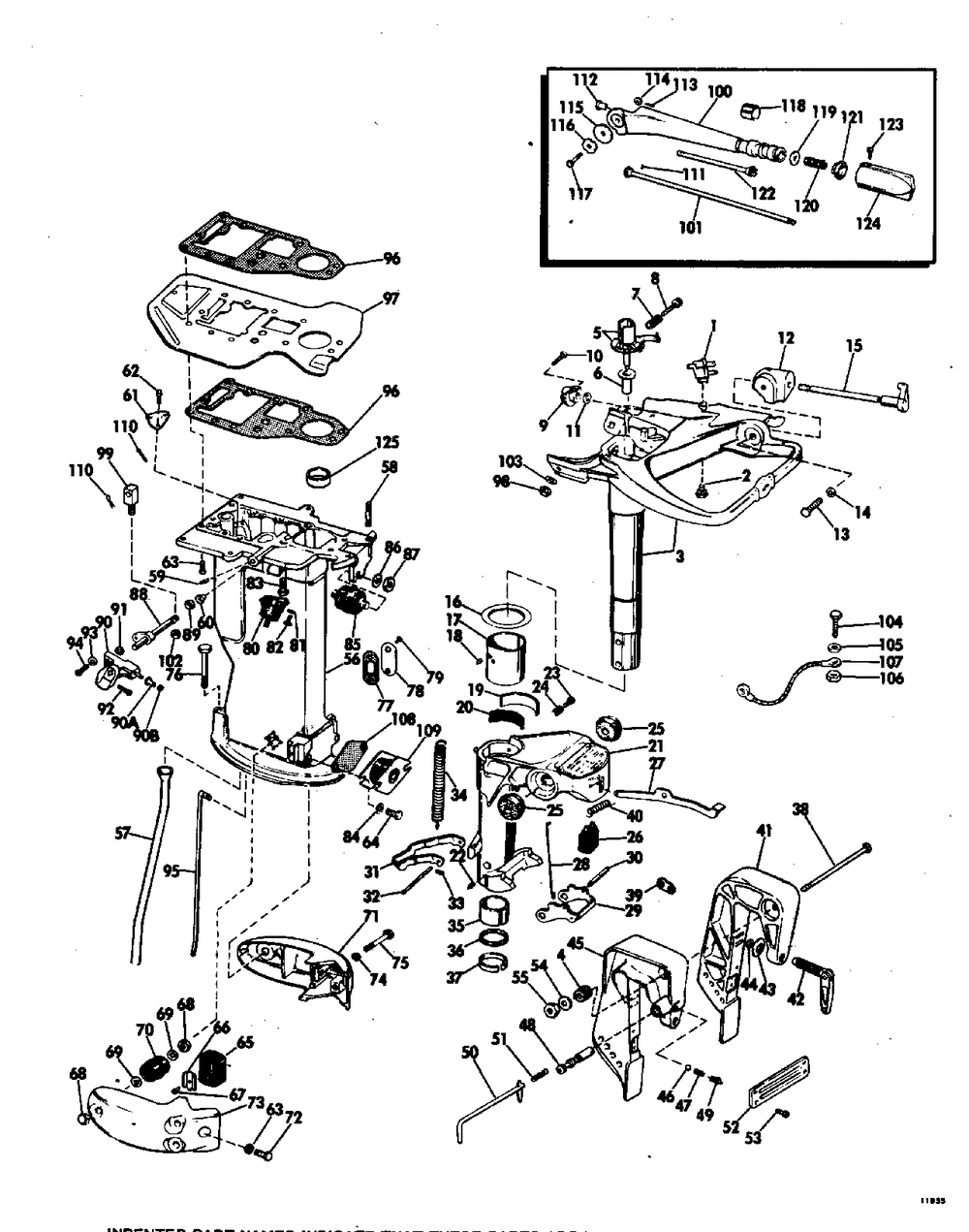
EXHAUST HOUSING
Корзина пуста
Evinrude
40 40103G
40 40103G
EXHAUST HOUSING
№
Наименование
Примечание
Кол-во
1
FUEL CONN. BODY AY Fuel Connector With Quick Disconnect
1
2
SCREW
1
3
STEERING BRKT
1
4
SPRING
1
5
GEAR
1
6
Детать
1
7
SPRING
1
8
KIT AYSCREW&SPR
1
9
Детать
1
10
SCREW
1
11
WASHER
1
12
COVER Used on Electric Start models only.
1
13
Used on Electric Start models only.
1
14
WASHER Used on Electric Start models only.
1
15
KNOB & SHAFT AY Used on Electric Start models only.
1
16
WASHER
1
17
LINER
1
18
PIN
1
19
PLATE
1
20
SPACER
1
21
BRACKET & FIT
1
22
FITTING LUBE
2
23
SCREW
1
24
SPRINGSTEER FRICT DT models
1
25
WASHER
2
26
BUMPER SWVL BRKT
1
27
ARM
1
28
LINK
1
29
Детать
1
30
SHAFT
1
31
LOCKING LEVER
1
32
ROD
1
33
COTTER PIN
1
34
SPRING
1
35
LINER
1
36
O RING 5 PK (005 per pack)
1
37
SPACER
1
38
BOLT
1
39
LINK (9.9 Rope Models. 9.9 Tiller Electric High Thrust Models. 15 Rope Models.)
1
40
SPRING
1
41
BRACKET AY
1
42
CLAMPSCREW KIT
1
43
PLATE&SCREW AY
1
44
RETAINER
1
45
STERN BRKT S
1
46
BALL
1
47
SPRING
1
48
PIN
1
50
ROD AY-THRUST
1
51
SPRING
1
52
STRAP
1
53
SCREW
4
54
WASHER
1
55
NUT
1
56
Детать
1
57
Детать
1
58
STUD
2
59
FITTING
1
60
BUSHING
1
61
Детать
1
62
SCREW
3
63
SCREW EXH HSG
7
64
SCREW NEGATIVE
2
65
BUMPER
2
66
RETAINER
2
67
SCREW
2
68
NUT
4
69
GASKET
4
70
Детать
2
71
HOUSING
1
72
SCREW
2
73
HOUSING
1
74
LOCKWASHER (WRL Models Only. 20 in. (508mm) Models Only.)
2
75
SCREW
2
76
SCREW
1
77
GASKET
1
78
COVER PLATE
1
79
SCREW (004 per pack)
2
80
RUBBER MOUNT
2
81
WASHER
4
82
SCREW
4
83
SCREW
2
84
WASHER
4
85
RUBBER MOUNT
1
86
WASHER
2
87
NUT (004 per pack)
2
88
SHIFT LEVER
1
89
O RING
1
90
SHIFT LEVER&PIN AY
1
90A
BUSHING
1
90B
O-RING
1
91
LOCKWASHER (005 per pack)
1
92
SCREW
1
93
WASHER
1
94
SCREW
1
95
SHIFT ROD
1
96
GASKET
2
97
4ROO-PLATE-PWHD
1
98
NUT
2
99
CONNECTOR
1
100
STEERING HDLE Used on Manual Start models only.
1
101
GEAR & SHAFT Used on Manual Start Models only.
1
102
NUT-SPARK ADJ
2
103
WASHER
2
104
SCREW
1
106
NUT
1
107
Детать
1
108
GASKET
1
109
RUBBR MOUNTLOWER
1
111
GROOVE PIN
1
112
BUSHING STRG HNDL ROPE START MODELS
1
113
COTTER PIN
1
114
NUT
1
115
WASHER THRUST
1
116
WASHER SPRING
1
117
SCREW
1
118
PLATE Used on Manual Start models only.
1
119
WASHER
1
120
Детать
1
121
BLOCK
1
122
GR & SHAFT
1
123
Детать
1
124
Used on Manual Start models only.
1
125
BUSHING
1