Оригинальные каталоги
Масла и жидкости
Масла моторные
Масла трансмиссионные
Жидкости гидравлические
Жидкости охлаждающие
Жидкости тормозные
Масла гидравлические
Масла для вилок и амортизаторов
Масла компрессорные
Жидкости для стекол
Масла для цепей бензопил
Масла индустриальные
Масла промывочные
Раствор мочевины AdBlue
Автоэлектроника
Видеорегистраторы
Пылесосы автомобильные
FM трансмиттеры
Зарядные устройства
Разветвители, удлинители прикуривателя
Кабели
Вентиляторы автомобильные
Штекер прикуривателя
Датчик парктроника
Камеры заднего вида
Мониторы парковочные
Парктроники
Термометры
Накидки на сиденье с подогревом
Автохолодильники
Антирадары
Диагностический сканер
Аксессуары
Набор автомобилиста
Ароматизаторы
Тросы буксировочные
Канистры
Ремни крепления груза
Стяжки-резинки крепления
Сетки для крепления груза
Скотч
Влажные салфетки
Держатели телефонов, планшетов
Карты памяти
Наушники
Аккумулятор холода
Термосумки и контейнеры
Фонарики
Батарейки
Оплетки на руль
Огнетушители
Салфетки, полотенца, варежки
Инструмент
Домкраты
Компрессоры
Манометры
Насосы
Светильники переносные
Шарнирно-губцевый инструмент
Ударный инструмент
Метчики. Плашки
Заклёпочники
Заклёпки
Измерительный инструмент
Свёрла
Отвёртки
Изолента
Надфили. Напильники
Ножи, ножовки
Щётки
Абразивная бумага
Специнструмент
Ключи
Хомуты
Дрель-шуруповерт
Автохимия
Присадки
Промывки
Очистители
Смазки спрей
Смазки пластичные
Герметики
Средство для рук
Клей
Лакокрасочные материалы
Автошампуни
Полироли
Антифриз для тормозной системы
Масло для пропитки фильтров
Антикоррозионные составы
Прочее
Электрооборудование
Зарядные устройства
Инверторы
Конвертеры
Звуковые сигналы
Провода прикуривания
Предохранители
Противотуманные фары
Дневные ходовые огни
Электрика фаркопа
Шины и диски
Автошины
Грузовые шины
Мотошины
Камеры
Мотокамеры
Лента обода шины
Колпаки
Диски
Одежда и экипировка
Жилеты
Запчасти
Аккумуляторы
Лампы
Щетки стеклоочистителя
Гофры глушителя
Велотовары
Велосипеды
Самокаты
Велокамеры
Искать по VIN или номеру детали
Поиск по штрих-коду
Искать по VIN-номеру
Войти
Авторизация
Логин
Пароль
Напомнить пароль
Запомнить
Войти
Зарегистрироваться
Авторизоваться другим способом
Востановить пароль
Введите ваш email:
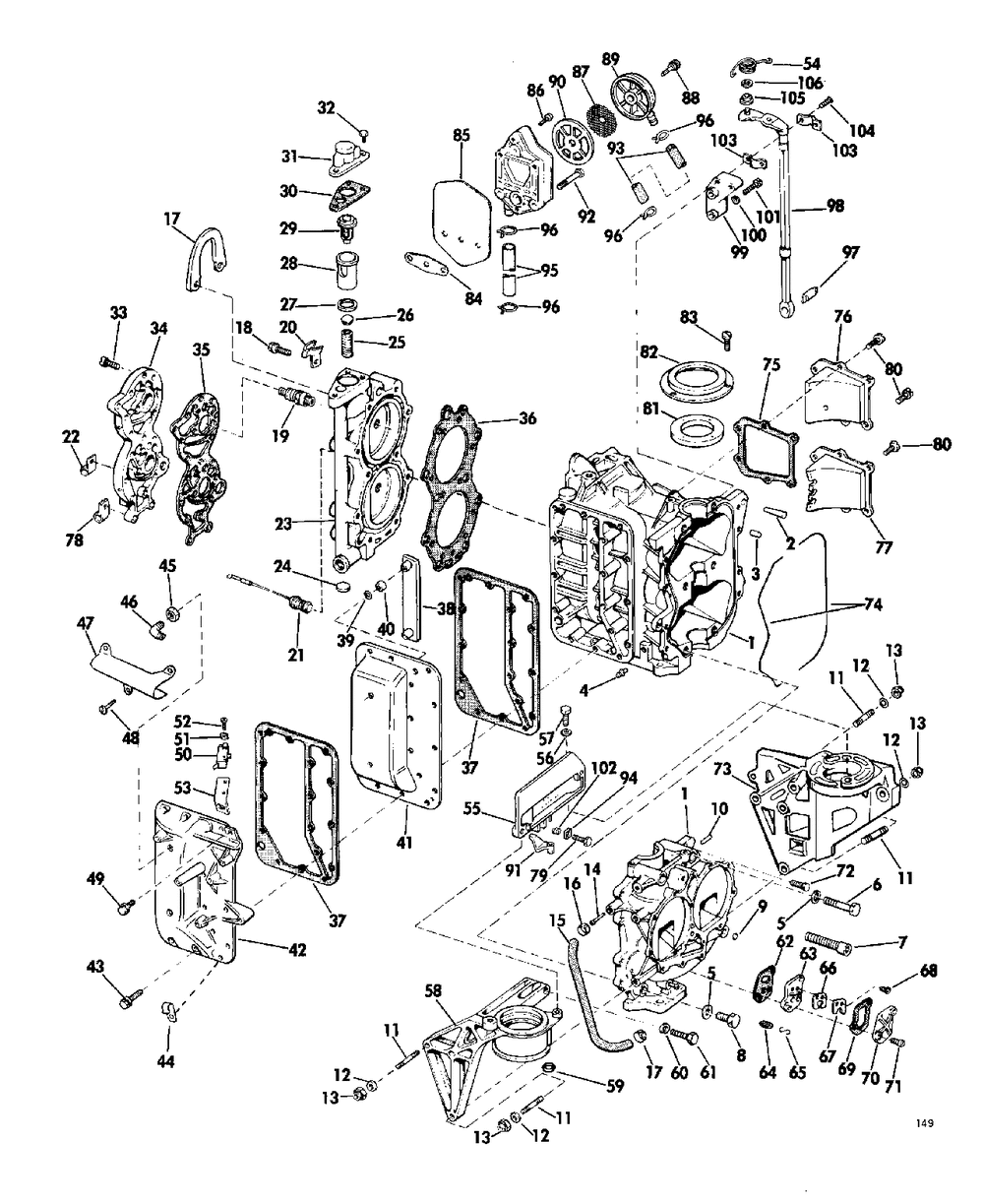
POWERHEAD GROUP ELECTRIC SHIFT
Корзина пуста
Evinrude
40 40872C
40 40872C
POWERHEAD GROUP ELECTRIC SHIFT
№
Наименование
Примечание
Кол-во
1
CY CCASE&DOWEL AY
1
2
PIN
2
3
DOWEL
3
4
FITTING
2
5
WASHER
4
6
SCREW
2
7
SCREW
2
8
Детать
2
9
PLUG
1
10
PLUG
3
11
STUD
6
12
WASHER
6
13
NUT
6
14
NIPPLE
1
15
HOSEOIL RETURN
1
16
CLAMP
2
17
BRACKET
1
18
SCREW
10
19
SP PLG J4C 8PK Optional spark plug for special applications Champion UJ81J OMC Part tahos_388150 (008 per pack)
2
19
Детать
2
19
SP PLG J4C 8PK We recommend Champion Auto-Liter or A.C. Spark Plugs (008 per pack)
2
20
BRACKET
1
21
ELECTRIC START MODELS ONLY
1
22
CLAMP
1
23
Детать
1
24
PLUGEXPANSION
2
25
SPRING
1
26
VALVE
1
27
GSKT
1
28
Детать
1
29
THERMOSTAT AY Early Production
1
30
GSKT
1
31
COVER
1
32
SCREW
3
33
Детать
20
34
COVERCYL HEAD
1
35
GASKET WTR JACKET
1
36
Детать
1
37
GASKET
2
38
HEAT EXCHANGER AY
1
39
WASHER
2
40
SPACER
2
41
INNER EXH COVER
1
42
Детать
1
43
SCREW
16
44
CLAMP 'J' 20EC - 20ELC - 25EC - 25ELC
1
45
NUT
2
46
ELBOW
1
47
COVER
1
48
SCREW UPPER CARBURETOR ONLY
3
49
SCREW
1
50
SAFETY SWITCH AY
1
51
WASHER 25 TE Models Electric Start 35 Models
2
52
SCREW
2
53
BRACKET
1
54
SPRING
1
55
GUARD & PIN
1
56
LOCKWASHER
2
57
SCREW
2
58
BRACKET Electric Start Models
1
59
SEAL-STARTER
2
60
LOCKWASHER
1
61
SCREW Electric Start Models
1
62
40 HP "B" MODELS ONLY
1
63
LEAF PLT&SCREEN AY
1
64
DRAIN VALVE SCREEN 40 HP "B" MODELS ONLY
2
65
SPRING 40 HP "B" MODELS ONLY
2
66
LEAF VALVE 40 HP "B" MODELS ONLY
1
67
PLATE 40 HP "B" MODELS ONLY
1
68
SCREW
2
69
GASKET 40 HP "B" MODELS ONLY
1
70
COVER 40 HP "B" MODELS ONLY
1
71
SCREW
2
72
SCREW
8
73
Детать
1
75
GASKET
2
76
COVERBY-PASS-UPR 40 HP "B" MODELS ONLY
1
77
COVER
1
78
J-CLAMP
1
79
SCREW
1
80
HEX CAP SCREW
12
81
RING
1
82
SUPPORT
1
83
SCREW
4
84
GASKET 5 PK (Also Available in Fuel Pump Repair Kit.) (005 per pack)
1
85
Детать
1
86
SCREW
4
87
SCREEN
1
88
SCREW
1
89
KIT AYCAP-F PUMP
1
90
GASKET 5PK (005 per pack)
1
91
IDLE ADJ LEVER
1
92
SCREW
2
93
HOSE 36" LONG
1
94
NUT
1
95
HOSE 36" LONG
1
96
CLAMP
4
97
PIN
1
98
LEVER&PIN AYCONT
1
99
BRACKET
1
100
LOCKWASHER
2
101
SCREW
2
102
SPRING
1
103
CLAMP
2
104
SCREW
2
105
SLEEVE
1
106
SHIM
1
0379381
GASKET SET Not Shown
1
0382354
PUMP AYFUEL
1