Оригинальные каталоги
Масла и жидкости
Масла моторные
Масла трансмиссионные
Жидкости гидравлические
Жидкости охлаждающие
Жидкости тормозные
Масла гидравлические
Масла для вилок и амортизаторов
Масла компрессорные
Жидкости для стекол
Масла для цепей бензопил
Масла индустриальные
Масла промывочные
Раствор мочевины AdBlue
Автоэлектроника
Видеорегистраторы
Пылесосы автомобильные
FM трансмиттеры
Зарядные устройства
Разветвители, удлинители прикуривателя
Кабели
Вентиляторы автомобильные
Штекер прикуривателя
Датчик парктроника
Камеры заднего вида
Мониторы парковочные
Парктроники
Термометры
Накидки на сиденье с подогревом
Автохолодильники
Антирадары
Диагностический сканер
Аксессуары
Набор автомобилиста
Ароматизаторы
Тросы буксировочные
Канистры
Ремни крепления груза
Стяжки-резинки крепления
Сетки для крепления груза
Скотч
Влажные салфетки
Держатели телефонов, планшетов
Карты памяти
Наушники
Аккумулятор холода
Термосумки и контейнеры
Фонарики
Батарейки
Оплетки на руль
Огнетушители
Салфетки, полотенца, варежки
Инструмент
Домкраты
Компрессоры
Манометры
Насосы
Светильники переносные
Шарнирно-губцевый инструмент
Ударный инструмент
Метчики. Плашки
Заклёпочники
Заклёпки
Измерительный инструмент
Свёрла
Отвёртки
Изолента
Надфили. Напильники
Ножи, ножовки
Щётки
Абразивная бумага
Специнструмент
Ключи
Хомуты
Дрель-шуруповерт
Автохимия
Присадки
Промывки
Очистители
Смазки спрей
Смазки пластичные
Герметики
Средство для рук
Клей
Лакокрасочные материалы
Автошампуни
Полироли
Антифриз для тормозной системы
Масло для пропитки фильтров
Антикоррозионные составы
Прочее
Электрооборудование
Зарядные устройства
Инверторы
Конвертеры
Звуковые сигналы
Провода прикуривания
Предохранители
Противотуманные фары
Дневные ходовые огни
Электрика фаркопа
Шины и диски
Автошины
Грузовые шины
Мотошины
Камеры
Мотокамеры
Лента обода шины
Колпаки
Диски
Одежда и экипировка
Жилеты
Запчасти
Аккумуляторы
Лампы
Щетки стеклоочистителя
Гофры глушителя
Велотовары
Велосипеды
Самокаты
Велокамеры
Искать по VIN или номеру детали
Поиск по штрих-коду
Искать по VIN-номеру
Войти
Авторизация
Логин
Пароль
Напомнить пароль
Запомнить
Войти
Зарегистрироваться
Авторизоваться другим способом
Востановить пароль
Введите ваш email:
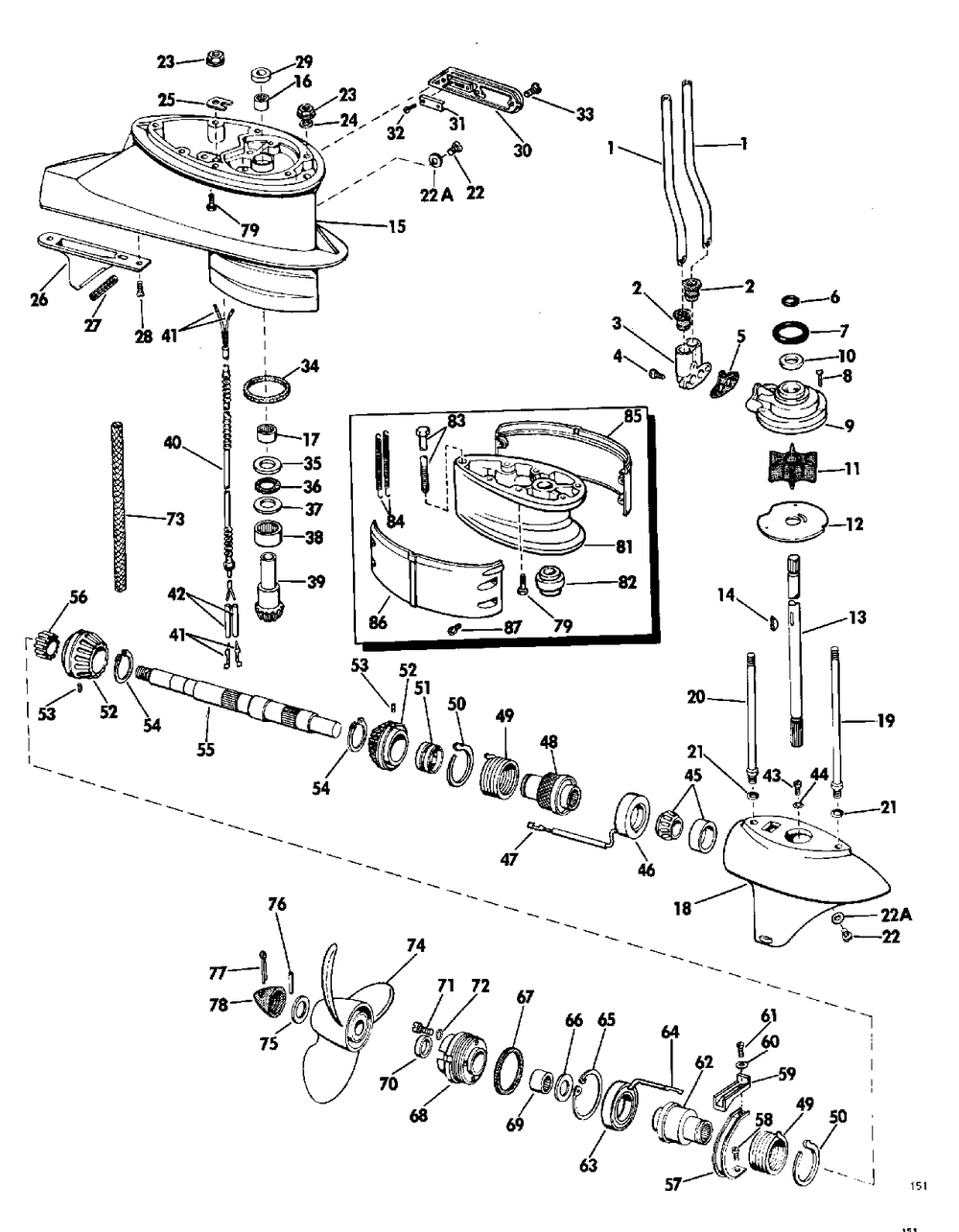
GEARCASE GROUP ELECTRIC SHIFT
Корзина пуста
Evinrude
40 40872D
40 40872D
GEARCASE GROUP ELECTRIC SHIFT
№
Наименование
Примечание
Кол-во
1
WATER TUBE
2
1
WATER TUBE
2
2
GROMMET Also included in contents of Water Pump Repair Kit tahos_391741
2
3
CAP-IMPELLER HSG
1
4
SCREW
2
5
GASKET
1
6
O-RING
1
7
O RING
1
8
SCREW
3
9
HSG & SEAL
1
10
OIL RETAINER
1
11
IMPELLER (377230)
1
12
PLATE
1
13
Детать
1
13
Детать
1
14
KEY
1
15
Детать
1
16
BEARING AY
1
17
BRG AY NEEDLE
1
18
GEARCASE & STUD
1
19
STUD
1
20
STUD
1
21
GASKET (METAL)
2
22
DRAIN FILL PLG 10P (010 per pack)
2
22A
WASHER-10 PK (010 per pack)
1
23
NUT
2
24
WASHER
1
25
RETAINER
1
26
EXH OUTLET
1
27
SCREEN
1
28
SCREW
2
29
OIL SEAL
1
30
BY-PASS COVER
1
31
SCREEN
1
32
SCREW
2
34
Детать
1
35
WASHER
1
36
THRUST BEARIN
1
37
THRUST WASHER
1
38
Детать
1
39
PINION
1
40
Детать
1
41
TERMINAL KIT
4
42
Детать
2
43
SCREW
1
44
WASHER
1
45
Детать
1
46
COIL & HSG
1
47
TERMINAL
1
48
CLUTCH HUB
1
49
SPRING EL SHIFT
2
50
SPACER
2
51
BUSHING
1
52
FORWARD & REV GEAR
2
53
SCREW
6
54
RING
2
55
SHAFT
1
56
NEEDLE BRG AY
1
57
GUARD
1
58
SCREW
1
59
RETAINER
1
60
WASHER
1
61
SCREW
1
62
HUBCLUTCH REAR
1
63
COIL & HSG REV
1
65
RET RING
1
66
THRUST WASHER
1
67
O RING
1
68
HEADBRNG & OIL AY
1
69
BEARING AYNEEDLE
1
70
Детать
1
71
SCREW
4
72
SEAL SCREW (010 per pack)
4
73
SLEEVE
1
73
SLEEVELONG
1
74
Детать
1
74
Детать
1
74
Детать
1
74
Детать
1
75
THRUST WASHER
1
76
DRIVE PIN (010 per pack)
1
77
COTTER PIN 10 PK (010 per pack)
1
78
PROP NUT
1
79
SCREW (328333) Electric Start Models Only
6
81
Детать
1
82
ADAPTOR
1
83
SCREW G/C EXTN 20 INCH (508mm) LONG PARTS
1
84
SPRING Not Shown
2
85
Детать
1
86
Детать
1
87
SCREW 1/4-20X.750
4
0378944
Not Shown
1
0378994
Not Shown
1
0379877
EXTEN KIT IS REQ CONVRTNG TO 5" LONGER MOTER ORD 1-309038 EXHAUST COVER PORT 1-309039 EXHAUST COVER STANDART AND
1