Оригинальные каталоги
Масла и жидкости
Масла моторные
Масла трансмиссионные
Жидкости гидравлические
Жидкости охлаждающие
Жидкости тормозные
Масла гидравлические
Масла для вилок и амортизаторов
Масла компрессорные
Жидкости для стекол
Масла для цепей бензопил
Масла индустриальные
Масла промывочные
Раствор мочевины AdBlue
Автоэлектроника
Видеорегистраторы
Пылесосы автомобильные
FM трансмиттеры
Зарядные устройства
Разветвители, удлинители прикуривателя
Кабели
Вентиляторы автомобильные
Штекер прикуривателя
Датчик парктроника
Камеры заднего вида
Мониторы парковочные
Парктроники
Термометры
Накидки на сиденье с подогревом
Автохолодильники
Антирадары
Диагностический сканер
Аксессуары
Набор автомобилиста
Ароматизаторы
Тросы буксировочные
Канистры
Ремни крепления груза
Стяжки-резинки крепления
Сетки для крепления груза
Скотч
Влажные салфетки
Держатели телефонов, планшетов
Карты памяти
Наушники
Аккумулятор холода
Термосумки и контейнеры
Фонарики
Батарейки
Оплетки на руль
Огнетушители
Салфетки, полотенца, варежки
Инструмент
Домкраты
Компрессоры
Манометры
Насосы
Светильники переносные
Шарнирно-губцевый инструмент
Ударный инструмент
Метчики. Плашки
Заклёпочники
Заклёпки
Измерительный инструмент
Свёрла
Отвёртки
Изолента
Надфили. Напильники
Ножи, ножовки
Щётки
Абразивная бумага
Специнструмент
Ключи
Хомуты
Дрель-шуруповерт
Автохимия
Присадки
Промывки
Очистители
Смазки спрей
Смазки пластичные
Герметики
Средство для рук
Клей
Лакокрасочные материалы
Автошампуни
Полироли
Антифриз для тормозной системы
Масло для пропитки фильтров
Антикоррозионные составы
Прочее
Электрооборудование
Зарядные устройства
Инверторы
Конвертеры
Звуковые сигналы
Провода прикуривания
Предохранители
Противотуманные фары
Дневные ходовые огни
Электрика фаркопа
Шины и диски
Автошины
Грузовые шины
Мотошины
Камеры
Мотокамеры
Лента обода шины
Колпаки
Диски
Одежда и экипировка
Жилеты
Запчасти
Аккумуляторы
Лампы
Щетки стеклоочистителя
Гофры глушителя
Велотовары
Велосипеды
Самокаты
Велокамеры
Искать по VIN или номеру детали
Поиск по штрих-коду
Искать по VIN-номеру
Войти
Авторизация
Логин
Пароль
Напомнить пароль
Запомнить
Войти
Зарегистрироваться
Авторизоваться другим способом
Востановить пароль
Введите ваш email:
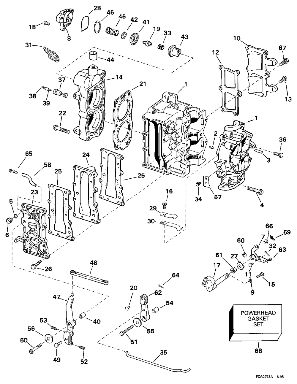
CYLINDER & CRANKCASE
Корзина пуста
Johnson
J10EEUS
J10EEUS
CYLINDER & CRANKCASE
№
Наименование
Примечание
Кол-во
1
CYL&CRKC AY
1
2
DOWEL
1
3
PIN
1
4
SCREW
6
5
WASHER-10 PK (010 per pack)
1
6
DRAIN FILL PLG 10P (010 per pack)
1
7
BELLCRANKSHFT ROD
1
8
COVERTHERMOSTAT
1
9
CLIP
1
10
COVERBY-PASS
1
11
PIN
1
12
GASKETBYPASS CVR
1
13
SCREW
5
14
HEADCYLINDER
1
15
SCREW
1
16
SCREW
1
17
SHAFT&LEVER AY
1
18
SCREW
3
19
THERMOSTAT AY
1
20
ANCHOR PIN
2
21
HD GASKET 9.9&15
1
22
SCREW
6
23
Детать
1
24
Детать
1
25
GASKETEXHAUST CVR
2
26
SCREW
7
27
SPACERSHIFT SHAFT
1
28
SEALCOVER-THERMO
1
29
SPRING
1
30
SPRING-SHIFTDETENT
1
31
SP HIHEAT QL82C 4P
2
31
SPARK PLUG L16V (Optional.) (004 per pack)
2
31
QL16V-PLUG 4PK (Radio Noise Suppression Spark Plug.) (004 per pack)
2
31
SP PLG QL77JC4 (Optional.) (004 per pack)
2
31
S PLUG L77JC4 8PK
2
32
COTTER PIN 10PK (010 per pack)
1
33
SPRINGTHERMOSTAT
1
34
SCREW
1
35
LINK
1
36
SCREW
4
37
SWITCH AYTEMP
1
38
TERM. 521616-ADZ (010 per pack)
1
39
SLEEVEBULLET TERM
1
40
SPACER
1
41
DIAPHRAGM&CUP AY
1
42
CUP
1
43
HOUSING-THEROMSTAT
1
44
Детать
1
45
SPRING
1
46
WASHER
1
47
LEVER AYTHROTTLE
1
48
LINKSHELL
1
49
PINBALL JOINT
1
50
SCREW
1
51
SCREW
1
52
SCREW (005 per pack)
1
55
WASHER
1
56
WASHER SEND UNI
1
57
CLAMP
1
58
HOSEOVBD WATER IN
1
60
BOW WASHER
1
61
BUSHINGSHIFT SFT
2
62
LEVERSHIFT
1
63
BUSHING
1
65
NIPPLE
1
66
WASHER
1
67
SCREW
1
68
GASKET SET PWHD
1