Оригинальные каталоги
Масла и жидкости
Масла моторные
Масла трансмиссионные
Жидкости гидравлические
Жидкости охлаждающие
Жидкости тормозные
Масла гидравлические
Масла для вилок и амортизаторов
Масла компрессорные
Жидкости для стекол
Масла для цепей бензопил
Масла индустриальные
Масла промывочные
Раствор мочевины AdBlue
Автоэлектроника
Видеорегистраторы
Пылесосы автомобильные
FM трансмиттеры
Зарядные устройства
Разветвители, удлинители прикуривателя
Кабели
Вентиляторы автомобильные
Штекер прикуривателя
Датчик парктроника
Камеры заднего вида
Мониторы парковочные
Парктроники
Термометры
Накидки на сиденье с подогревом
Автохолодильники
Антирадары
Диагностический сканер
Аксессуары
Набор автомобилиста
Ароматизаторы
Тросы буксировочные
Канистры
Ремни крепления груза
Стяжки-резинки крепления
Сетки для крепления груза
Скотч
Влажные салфетки
Держатели телефонов, планшетов
Карты памяти
Наушники
Аккумулятор холода
Термосумки и контейнеры
Фонарики
Батарейки
Оплетки на руль
Огнетушители
Салфетки, полотенца, варежки
Инструмент
Домкраты
Компрессоры
Манометры
Насосы
Светильники переносные
Шарнирно-губцевый инструмент
Ударный инструмент
Метчики. Плашки
Заклёпочники
Заклёпки
Измерительный инструмент
Свёрла
Отвёртки
Изолента
Надфили. Напильники
Ножи, ножовки
Щётки
Абразивная бумага
Специнструмент
Ключи
Хомуты
Дрель-шуруповерт
Автохимия
Присадки
Промывки
Очистители
Смазки спрей
Смазки пластичные
Герметики
Средство для рук
Клей
Лакокрасочные материалы
Автошампуни
Полироли
Антифриз для тормозной системы
Масло для пропитки фильтров
Антикоррозионные составы
Прочее
Электрооборудование
Зарядные устройства
Инверторы
Конвертеры
Звуковые сигналы
Провода прикуривания
Предохранители
Противотуманные фары
Дневные ходовые огни
Электрика фаркопа
Шины и диски
Автошины
Грузовые шины
Мотошины
Камеры
Мотокамеры
Лента обода шины
Колпаки
Диски
Одежда и экипировка
Жилеты
Запчасти
Аккумуляторы
Лампы
Щетки стеклоочистителя
Гофры глушителя
Велотовары
Велосипеды
Самокаты
Велокамеры
Искать по VIN или номеру детали
Поиск по штрих-коду
Искать по VIN-номеру
Войти
Авторизация
Логин
Пароль
Напомнить пароль
Запомнить
Войти
Зарегистрироваться
Авторизоваться другим способом
Востановить пароль
Введите ваш email:
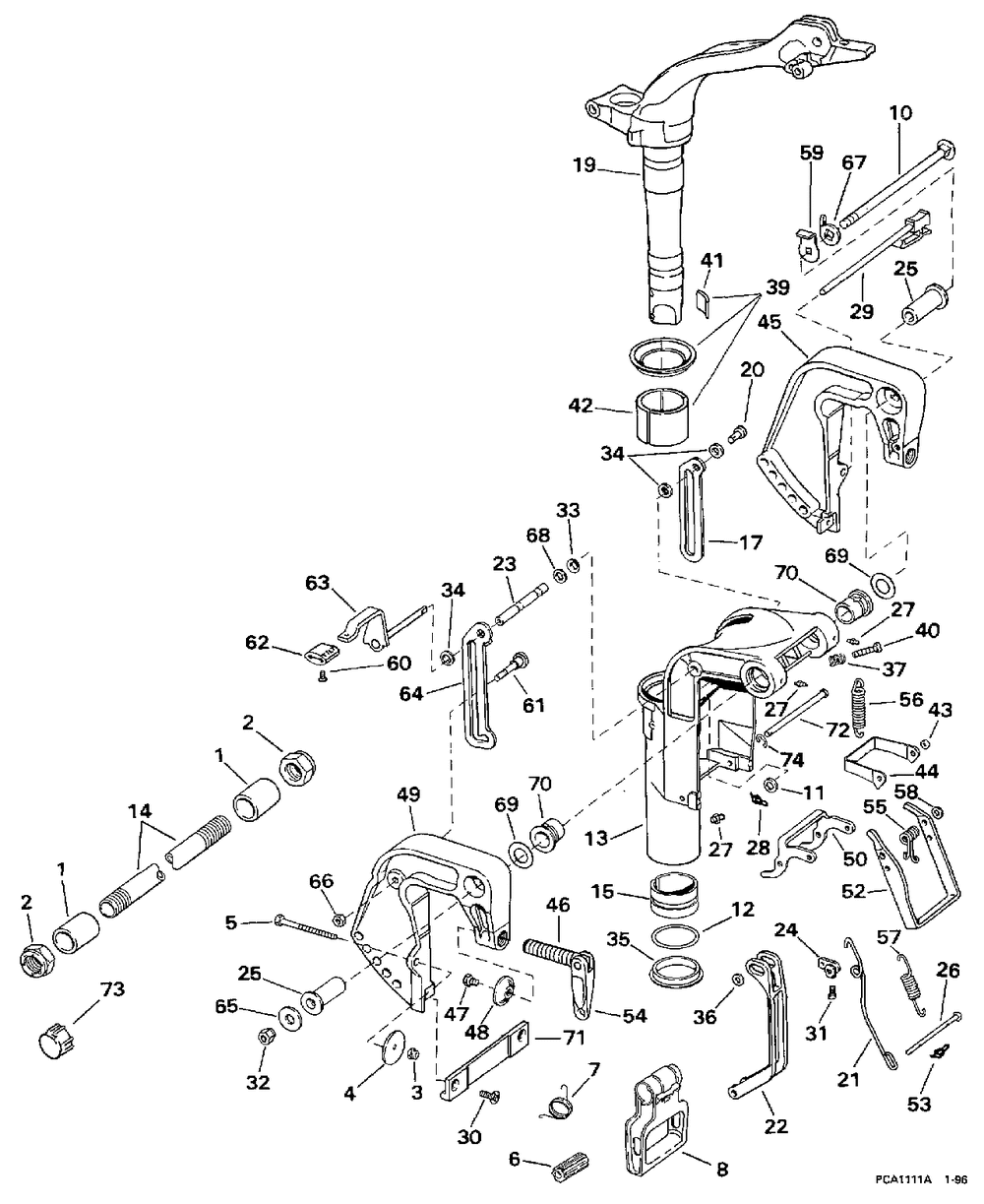
MIDSECTION
Корзина пуста
Johnson
J15FREUA
J15FREUA
MIDSECTION
№
Наименование
Примечание
Кол-во
1
SPACER-TILT TUBE (9.9 Electric High Thrust Models. 15 Electric Models.)
2
2
NUTLOCK
2
3
NUT
2
4
WASHER SB
2
5
SCREW
2
6
SPACER-LIFT HANDLE (9.9 Rope Models. 9.9 Tiller Electric High Thrust Models. 15 Rope Models.)
1
7
SPRINGLIFT HANDLE
1
8
HANDLELIFT
1
10
TILT BOLT
1
11
WASHER
1
12
O RING Included in Powerhead Gasket & Seal Kit
1
13
BRACKETSWIVEL
1
14
TUBE TILT SST
1
15
BUSHING
1
17
SUPPORT BRACKET
1
19
BRACKET AYSTRG
1
20
PIN
1
21
WIRE REV LOCK REL
1
22
HANDLECARRYING
1
23
BUSHING
1
24
BELLCRANK
1
25
BUSHING (9.9 Rope Models. 9.9 Tiller Electric High Thrust Models. 15 Rope Models.)
2
26
PIN
1
27
FITTING LUBE
4
28
CLIP 10PK (010 per pack)
1
29
TILT PIN AY
1
30
SCREW
2
31
SCREW-BELLCRK
1
32
LOCK NUT (9.9 Rope Models. 9.9 Tiller Electric High Thrust Models. 15 Rope Models.)
1
33
WASHER
1
34
WASHER
3
35
WASHER
1
36
WASHER
1
37
SPRINGSTEER FRICT DT models
1
39
Детать
1
40
SCREW STRG ADJ
1
41
FRICTION BLOCK
1
42
Детать
1
44
LOCKING LVR
1
45
STERN BRKT-PORT
1
46
C-SCREW KIT SST Stainless optional accessory
2
46
KIT AYCLAMPSCREW
2
47
SCREW-CLMPSCRW (005 per pack)
1
48
PLATESWIVEL
1
49
STERN BRKT-STBD
1
50
LINK-REVERSE LOCK
1
50
LOCK LEVER & LINK (9.9 Tiller Electric High Thrust Models. 9.9 Electric High Thrust Models.)
1
52
LINK
1
54
KITHANDLE&RIVET
2
55
SPRING
1
56
SPRING (9.9 Rope Models. 15 Rope Models. 15 Electric Models.)
3
56
SPRING (9.9 Tiller Electric High Thrust Models. 9.9 Electric High Thrust Models.)
3
57
SPRING
1
58
WASHER (9.9 Rope Models. 15 Rope Models. 15 Electric Models.)
2
59
WASHER-TILT PIN (9.9 Rope Models. 9.9 Tiller Electric High Thrust Models. 15 Rope Models.)
1
60
SCREW
1
61
PIN
2
62
KNOB
1
63
LVR&SHFT AYLOCK
1
64
LINKTILTLOCK-STBD
1
65
WASHER (9.9 Rope Models. 9.9 Tiller Electric High Thrust Models. 15 Rope Models.)
1
66
NUT
2
67
LINK (9.9 Rope Models. 9.9 Tiller Electric High Thrust Models. 15 Rope Models.)
1
69
FF WASHER
2
70
BUSHING SWIV BRKT
2
71
PLATE
1
72
PIN
1
73
CAPSTEER-TUBE
1
74
RETAINER
1