| № | Наименование | Примечание | Кол-во |
|---|---|---|---|
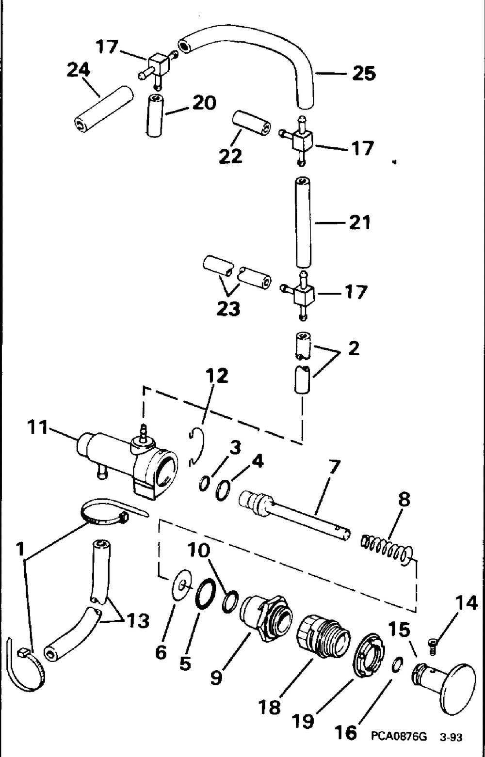
| 1 | TIE STRAP 100PK (100 per pack) | 2 | |
| 3 | O-RING | 1 | |
| 4 | QUAD RING | 1 | |
| 5 | O-RING | 1 | |
| 6 | WASHER | 1 | |
| 7 | PLUNGE&VALVE AY | 1 | |
| 8 | SPRING | 1 | |
| 9 | CAP&O-RING AY | 1 | |
| 10 | O-RING | 1 | |
| 11 | HOUSING & NIPPLEAY | 1 | |
| 12 | RETAINER | 1 | |
| 14 | SCREW | 1 | |
| 15 | KNOB | 1 | |
| 16 | O-RING | 1 | |
| 17 | TEE | 3 | |
| 18 | SLEEVE | 1 | |
| 19 | NUT | 1 | |
| 0432142 | KIT AYPRIMER PUMP (Not Shown.) | 1 |
