Оригинальные каталоги
Масла и жидкости
Масла моторные
Масла трансмиссионные
Жидкости гидравлические
Жидкости охлаждающие
Жидкости тормозные
Масла гидравлические
Масла для вилок и амортизаторов
Масла компрессорные
Жидкости для стекол
Масла для цепей бензопил
Масла индустриальные
Масла промывочные
Раствор мочевины AdBlue
Автоэлектроника
Видеорегистраторы
Пылесосы автомобильные
FM трансмиттеры
Зарядные устройства
Разветвители, удлинители прикуривателя
Кабели
Вентиляторы автомобильные
Штекер прикуривателя
Датчик парктроника
Камеры заднего вида
Мониторы парковочные
Парктроники
Термометры
Накидки на сиденье с подогревом
Автохолодильники
Антирадары
Диагностический сканер
Аксессуары
Набор автомобилиста
Ароматизаторы
Тросы буксировочные
Канистры
Ремни крепления груза
Стяжки-резинки крепления
Сетки для крепления груза
Скотч
Влажные салфетки
Держатели телефонов, планшетов
Карты памяти
Наушники
Аккумулятор холода
Термосумки и контейнеры
Фонарики
Батарейки
Оплетки на руль
Огнетушители
Салфетки, полотенца, варежки
Инструмент
Домкраты
Компрессоры
Манометры
Насосы
Светильники переносные
Шарнирно-губцевый инструмент
Ударный инструмент
Метчики. Плашки
Заклёпочники
Заклёпки
Измерительный инструмент
Свёрла
Отвёртки
Изолента
Надфили. Напильники
Ножи, ножовки
Щётки
Абразивная бумага
Специнструмент
Ключи
Хомуты
Дрель-шуруповерт
Автохимия
Присадки
Промывки
Очистители
Смазки спрей
Смазки пластичные
Герметики
Средство для рук
Клей
Лакокрасочные материалы
Автошампуни
Полироли
Антифриз для тормозной системы
Масло для пропитки фильтров
Антикоррозионные составы
Прочее
Электрооборудование
Зарядные устройства
Инверторы
Конвертеры
Звуковые сигналы
Провода прикуривания
Предохранители
Противотуманные фары
Дневные ходовые огни
Электрика фаркопа
Шины и диски
Автошины
Грузовые шины
Мотошины
Камеры
Мотокамеры
Лента обода шины
Колпаки
Диски
Одежда и экипировка
Жилеты
Запчасти
Аккумуляторы
Лампы
Щетки стеклоочистителя
Гофры глушителя
Велотовары
Велосипеды
Самокаты
Велокамеры
Искать по VIN или номеру детали
Поиск по штрих-коду
Искать по VIN-номеру
Войти
Авторизация
Логин
Пароль
Напомнить пароль
Запомнить
Войти
Зарегистрироваться
Авторизоваться другим способом
Востановить пароль
Введите ваш email:
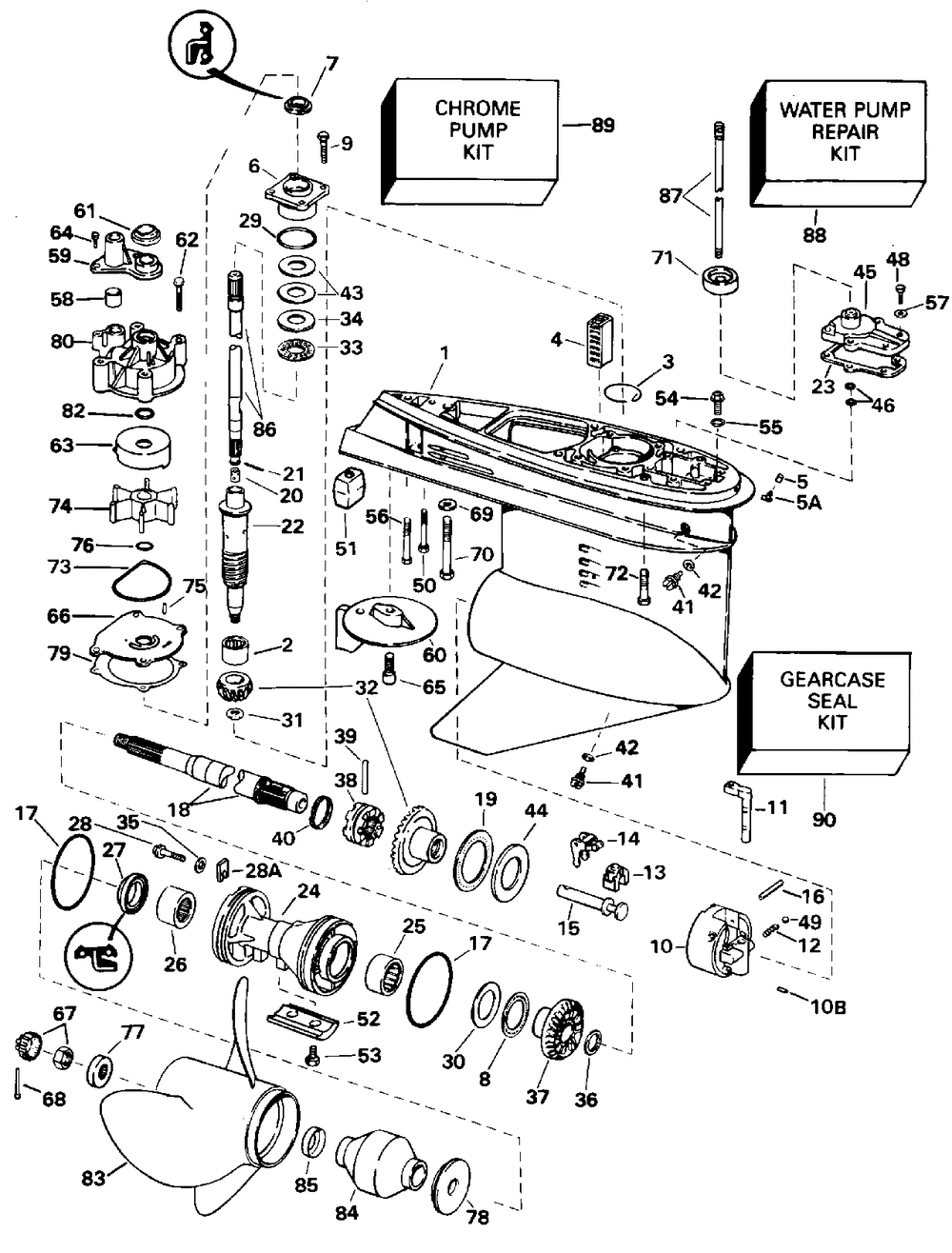
GEARCASE - STANDARD ROTATION - GL MODELS
Корзина пуста
Johnson
SJ150ELEDB
SJ150ELEDB
GEARCASE - STANDARD ROTATION - GL MODELS
№
Наименование
Примечание
Кол-во
1
G/C AY4H/CALL SVC Models with Pinion Bearing Retaining Ring
1
2
ROLLER BRG AY
1
3
RINGRETAINER Models with Pinion Bearing Retaining Ring
1
4
SCREENWATER INTK
1
5
NIPPLE PLUG
1
5A
NIPPLE
1
6
DS BRG HSG&SEAL AY
1
7
SEAL DRIVESHAFT
1
8
BEARING AYTHRUST
1
9
SCREW Contents of GEARCASE SEAL KIT
4
10
HSG.& BEARING AY
1
10B
PIN
1
11
DETENT
1
12
SPRING
1
13
CRADLE-SHIFT
1
14
SHIFTER-LEVER
1
15
SHAFT-SHIFTER
1
16
PIN-SHIFTER ARM
1
17
O-RING Contents of GEARCASE SEAL KIT (010 per pack)
2
18
PROPSHAFT AYSERV
1
19
THRUST BRG-FWD GR
1
20
RETAINERDR SFT
1
21
PINROLL
1
22
DRIVESHAFTLOWER
1
23
GASKET (Contents of GEARCASE SEAL KIT.) (005 per pack)
1
24
PS BRG HSG&SEAL AY
1
25
NEEDLE BRG
1
26
BEARING AYNEEDLE
1
27
SEAL PROPSHAFT
1
28
SCREW BRG CARRIER
2
28A
RETAINING TAB
2
29
O-RING (Contents of GEARCASE SEAL KIT.)
1
30
THRUST WASHER
1
31
NUT PINION
1
32
GEARSETV6 FWD&PIN
1
33
THRUST BRG AY
1
34
THRUST WASHER
1
35
WASHER
2
36
WASHERTHRUST
1
37
GEARREVERSE .54
1
38
SHIFTER-CLUTCH DOG
1
39
PIN
1
40
SPRING
1
41
DRAIN SCREW Contents of GEARCASE SEAL KIT
2
42
WASHER-10 PK (010 per pack)
1
43
SHIM-PINION-003
0
43
SHIM-PINION-004
0
43
SHIM 005
0
44
THRUST WASHER
1
45
COVER AYSHIFT ROD
1
46
O-RING (005 per pack)
2
48
SCREW (005 per pack)
6
49
BALL
1
50
SCREW ANODE
1
51
ANODE&INSERT AY
1
52
ANODE & INSERT AY
1
53
SCREW
2
54
SCREW PITOT TUBE
1
55
WASHER&SEAL AY Contents of GEARCASE SEAL KIT
1
56
SCREW
1
57
WASHER
6
58
GROMMET 3.3 L models
1
59
COVERIMPELLER HSG 3.3 L models
1
60
TABTRIM-STD
1
61
GROMMET
1
63
CUPIMP HSG-CHROME Chrome
1
63
CUPIMP HOUSING Stainless
1
64
SCREW
2
65
SCREW
1
66
PLATE WATER PUMP Chrome
1
66
PLATEWATER PUMP Stainless
1
67
NUT&KEEPER AYPROP
1
68
COTTER PIN 10 PK (010 per pack)
1
69
WASHER
1
70
SCREW
0
71
GROMMET EXH HSG
1
72
SCREW
4
73
SEAL
1
74
KIT AYIMPELLER (Contents of Water Pump Repair Kit.)
1
75
IMP KEY-WHITE
1
76
O RING
1
77
SPACER PROP NUT
1
78
BUSHINGTHRUST
1
78
BUSHINGTHRUST
1
79
GASKETWTR PMP 5PK Contents of GEARCASE SEAL KIT (005 per pack)
1
80
HOUSING AYIMPLR Contents of Water Pump Repair Kit .
1
82
O-RING (005 per pack)
1
84
BUSHING AYPROP
1
84
PROP HUB SHTR
1
85
SLEEVE
1
86
KITUPPER D/S-20"
1
87
RODSHIFT 20" (105WEL Models Only.)
1
88
KIT AYWATER PUMP
1
89
CUP & PLATE AY Optional
1
90
KIT AYSEAL-GC
1
91
(Optional.)
1
0438047
SEE SB 2002-02P Not Shown
1