Оригинальные каталоги
Масла и жидкости
Масла моторные
Масла трансмиссионные
Жидкости гидравлические
Жидкости охлаждающие
Жидкости тормозные
Масла гидравлические
Масла для вилок и амортизаторов
Масла компрессорные
Жидкости для стекол
Масла для цепей бензопил
Масла индустриальные
Масла промывочные
Раствор мочевины AdBlue
Автоэлектроника
Видеорегистраторы
Пылесосы автомобильные
FM трансмиттеры
Зарядные устройства
Разветвители, удлинители прикуривателя
Кабели
Вентиляторы автомобильные
Штекер прикуривателя
Датчик парктроника
Камеры заднего вида
Мониторы парковочные
Парктроники
Термометры
Накидки на сиденье с подогревом
Автохолодильники
Антирадары
Диагностический сканер
Аксессуары
Набор автомобилиста
Ароматизаторы
Тросы буксировочные
Канистры
Ремни крепления груза
Стяжки-резинки крепления
Сетки для крепления груза
Скотч
Влажные салфетки
Держатели телефонов, планшетов
Карты памяти
Наушники
Аккумулятор холода
Термосумки и контейнеры
Фонарики
Батарейки
Оплетки на руль
Огнетушители
Салфетки, полотенца, варежки
Инструмент
Домкраты
Компрессоры
Манометры
Насосы
Светильники переносные
Шарнирно-губцевый инструмент
Ударный инструмент
Метчики. Плашки
Заклёпочники
Заклёпки
Измерительный инструмент
Свёрла
Отвёртки
Изолента
Надфили. Напильники
Ножи, ножовки
Щётки
Абразивная бумага
Специнструмент
Ключи
Хомуты
Дрель-шуруповерт
Автохимия
Присадки
Промывки
Очистители
Смазки спрей
Смазки пластичные
Герметики
Средство для рук
Клей
Лакокрасочные материалы
Автошампуни
Полироли
Антифриз для тормозной системы
Масло для пропитки фильтров
Антикоррозионные составы
Прочее
Электрооборудование
Зарядные устройства
Инверторы
Конвертеры
Звуковые сигналы
Провода прикуривания
Предохранители
Противотуманные фары
Дневные ходовые огни
Электрика фаркопа
Шины и диски
Автошины
Грузовые шины
Мотошины
Камеры
Мотокамеры
Лента обода шины
Колпаки
Диски
Одежда и экипировка
Жилеты
Запчасти
Аккумуляторы
Лампы
Щетки стеклоочистителя
Гофры глушителя
Велотовары
Велосипеды
Самокаты
Велокамеры
Искать по VIN или номеру детали
Поиск по штрих-коду
Искать по VIN-номеру
Войти
Авторизация
Логин
Пароль
Напомнить пароль
Запомнить
Войти
Зарегистрироваться
Авторизоваться другим способом
Востановить пароль
Введите ваш email:
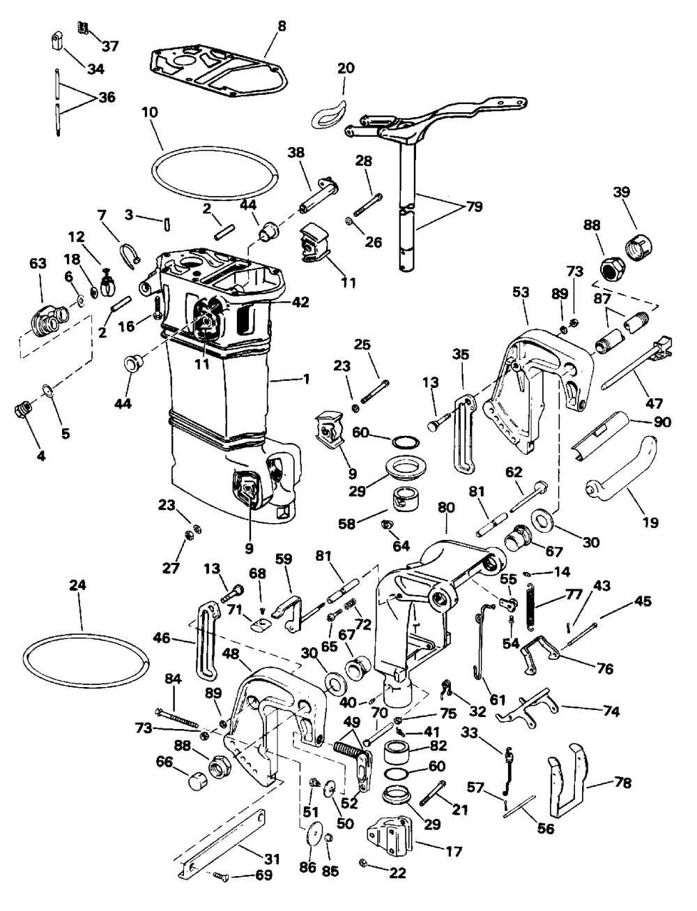
MIDSECTION - MANUAL TILT
Корзина пуста
Johnson
BJ25KEDC
BJ25KEDC
MIDSECTION - MANUAL TILT
№
Наименование
Примечание
Кол-во
1
Детать
1
2
PIN
2
3
ROLL PIN
2
4
PLUG&NOZZLE AY
1
5
O RING
1
6
WASHER
1
7
TIE STRAP 100PK (100 per pack)
1
8
GASKET
1
9
MOUNT AYUPPER
2
10
Детать
1
11
Деталь
2
12
CLAMP
1
13
PIN
2
14
FITTING LUBE
4
16
SCREWM8X1.25X35
7
17
Детать
1
18
VALVEREED-GROMMET
1
19
HANDLECARRYING
1
20
Детать
1
21
SCREWM8X1.25X50
2
22
NUTLOCK-M8X1.25
2
23
Детать
2
24
Детать
1
25
Детать
1
28
Деталь
2
29
SEAL DRL 5-PK Contents of Gearcase Seal Kit (005 per pack)
2
30
FF WASHER
2
31
BARTIESTERN BRKT
1
32
SPRING
1
33
FF SPRING
1
34
CONNECTOR
1
35
LOCK AYTILT-PORT
1
36
RODSHIFT
1
36
RODSHIFT
1
37
CLIPSPRING
1
38
KIT AYSHIFT LEVER
1
39
NUTWIPER
1
41
CLIP 10PK (010 per pack)
2
43
COTTER PIN 10PK (010 per pack)
1
44
Детать
2
45
PIN
1
46
LOCK AYTILT-STBD
1
47
PIN AYTILT 9.8"
1
48
BRCKT STERN-STBD
1
49
C-SCREW KIT SST Stainless optional accessory
2
49
KIT AYCLAMPSCREW
2
50
PLATESWIVEL
1
51
SCREW-CLMPSCRW (005 per pack)
1
52
KITHANDLE&RIVET
2
53
BRCKT STERN-PORT
1
54
SCREW-BELLCRK
1
55
FF BELLCRANK
1
56
PIN
1
58
BUSHING
1
59
LVR&SHAFT AYTILT
1
60
THRUST WASHER
2
61
RODREV LOCK RLSE
1
62
CAM&SHAFT-TILT LK
1
63
GROMMET&INSERT AY.
1
64
BLOCKFRICTION
1
65
Деталь
1
66
CAPSTEER-TUBE
1
67
BUSHING SWIV BRKT
2
68
SCREW
1
69
SCREW-TIE BAR
2
70
PIN
2
71
KNOB
1
72
SPRINGSTEER FRICT DT models
1
73
NUT
2
74
LINK-REVERSE LOCK
1
75
WASHER
2
76
LOCKING LEVER
1
77
SPRING LOCK
2
78
LINK
1
79
STRG ARM AY MM-8
1
80
BRACKET AY SWIVEL
1
81
BUSHING
2
82
BUSHING
1
84
SCREW
1
85
NUT
1
86
WASHER SB
2
87
TUBE TILT SST
1
88
NUTLOCK
2
89
WASHER
2
90
SHIELDTILT TUBE
1
0432294
SCREW & NUT AY Not Shown
2